电脑桌面
添加小米粒文库到电脑桌面
安装后可以在桌面快捷访问

某某电厂四期工程协调会汇报材料VIP免费

某某电厂四期工程协调会汇报材料_第1页
1/8
某某电厂四期工程协调会汇报材料_第2页
2/8
某某电厂四期工程协调会汇报材料_第3页
3/8
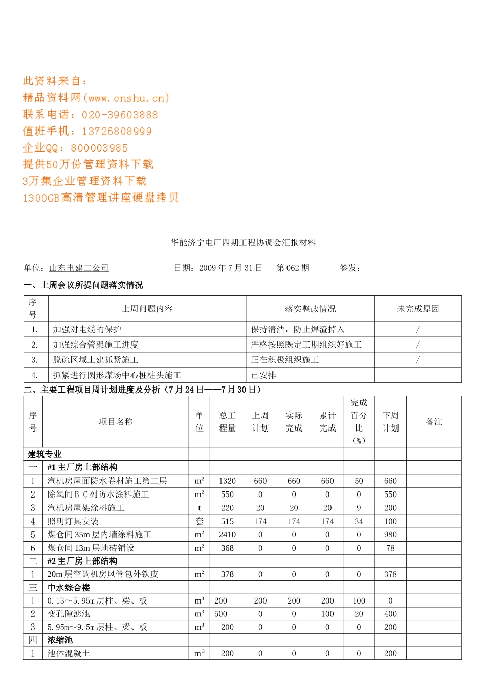
华能济宁电厂四期工程协调会汇报材料单位:山东电建二公司日期:2009年7月31日第062期签发:一、上周会议所提问题落实情况序号上周问题内容落实整改情况未完成原因1.加强对电缆的保护保持清洁,防止焊渣掉入/2.加强综合管架施工进度严格按照既定工期组织好施工/3.脱硫区域土建抓紧施工正在积极组织施工/4.抓紧进行圆形煤场中心桩桩头施工已安排二、主要工程项目周计划进度及分析(7月24日——7月30日)序号项目名称单位总工程量上周计划实际完成累计完成完成百分比(%)下周计划备注建筑专业一#1主厂房上部结构1汽机房屋面防水卷材施工第二层m21320660660660506602除氧间B-C列防水涂料施工m255000005503汽机房屋架涂料施工t22020202092004照明灯具安装套515174174174341005煤仓间35m层内墙涂料施工m2241000009806煤仓间13m层地砖铺设m2368000078二#2主厂房上部结构120m层空调机房风管包外铁皮m23780000378三中水综合楼10.13~5.95m层柱、梁、板m320020020020010002变孔隙滤池m3500001002040035.95m~9.5m层柱、梁、板m32000000200四浓缩池1池体混凝土m32000000200序号项目名称单位总工程量上周计划实际完成累计完成完成百分比(%)下周计划备注五加药间1土方回填m35001008022044302地下设施m3200000050六供热首站14m层钢筋绑扎t9020108088.81024m层模板安装m221001300300110052.41000七烟囱1钢烟道制作t7939393950402钢烟道安装t790000253玻璃砖安装m255000000300八#1脱硫1.地下设施施工m336021021036010002.综合楼、石膏脱水抹灰m2560000005600九#2脱硫1.烟道支架上部结构15米、22米层砼m34204204204201002.烟道支架上部结构27米层砼m3780000783综合楼9.5m、14.5米层m32800000280十翻车机室1、底板钢筋t2100000210锅炉专业1.炉顶二次密封t1533117332.空预器冲洗水管道安装台20.50.51.78503.大屋顶安装t13212121229254.大罩壳安装t7333689335.再热器进口管道及支架安装t21332110006.减温水管道安装m390303034087207.吹灰蒸汽管道安装t315582658.安全阀排汽管道安装t4520203066.7159.汽包连续排污管道安装m7020106085.7010.暖风器疏水管道安装m195756518595011.空压机房压缩空气管道安装m250701090366012.空压机室外储气罐安装台66000613.除尘器前烟道安装t28442796.4114.除尘器后烟道安装t13520207555.56015.送粉管道安装m94520020034536.520016.燃油管道安装t5111.326117.磨煤机安装台50.50.52400.518.引风机安装台20.30.30.9450.319.省煤器除灰仓泵安装台4224100020.脱硝整流器安装t44.86624.86644.86100021.反应器入口罩安装t38.5415153590.83.5422.锅炉炉墙砌筑硅酸铝纤维毯安装m327323232731000序号项目名称单位总工程量上周计划实际完成累计完成完成百分比(%)下周计划备注23.锅炉炉墙砌筑高温玻璃棉板安装m35531001004007210024.锅炉炉墙外护板安装m244100300030006880025.热二次风管道保温硅酸铝纤维毯安装m380101080100026.热二次风管道保温高温玻璃棉板安装m31559595155100027.热二次风管道外护板安装m21680080088047.660028.脱硝反应器区金属件安装t2.70000129.钢架油漆施工t38532003003509500汽机专业1.高压缸内部套调整台1000012.低压转子找中心台1000013.发电机氢冷器安装台4000044.循环水泵安装套4000010%5.凝汽器组合安装台100%5%5%87%87%5%6.凝结水泵电机安装台210150%17.汽轮机润滑油管道套130%20%40%40%30%8.发电机密封油管道m1300000309.汽动给水泵有关管道m1800202011%8010.油净化管道m550503023041%5011.定冷水管道m240808013054%8012.高加疏水管道m24950019076%5013.低加疏水管道m216502015069%5014.高低加放水放气管道m95010010058061%10015.循环水管道安装m311015010243079%15016.凝结水管道安装m254241024078%1417.凝结水减温水m531304075%1318.轴封冷却器疏水管道安装m521003060%1019.#2老水塔循环水管道DN1400安装m883000030视开挖情况20.闭式水管道安装m31424029092%2421.三段抽汽m502003060%20视中压缸到货22.一段抽汽m301502066%15视高压缸到货23.汽轮机轴封蒸汽管道安装m402002050%20视汽缸就位情况24.四抽管道安装m58.52002038%2025.冷段至辅汽m...

1、当您付费下载文档后,您只拥有了使用权限,并不意味着购买了版权,文档只能用于自身使用,不得用于其他商业用途(如 [转卖]进行直接盈利或[编辑后售卖]进行间接盈利)。
2、本站所有内容均由合作方或网友上传,本站不对文档的完整性、权威性及其观点立场正确性做任何保证或承诺!文档内容仅供研究参考,付费前请自行鉴别。
3、如文档内容存在违规,或者侵犯商业秘密、侵犯著作权等,请点击“违规举报”。

碎片内容

某某电厂四期工程协调会汇报材料

确认删除?
VIP
微信客服
  • 扫码咨询
会员Q群
  • 会员专属群点击这里加入QQ群
客服邮箱
回到顶部