电脑桌面
添加小米粒文库到电脑桌面
安装后可以在桌面快捷访问

质量监控员工作岗位分析VIP专享VIP免费

质量监控员工作岗位分析_第1页
1/6
质量监控员工作岗位分析_第2页
2/6
质量监控员工作岗位分析_第3页
3/6
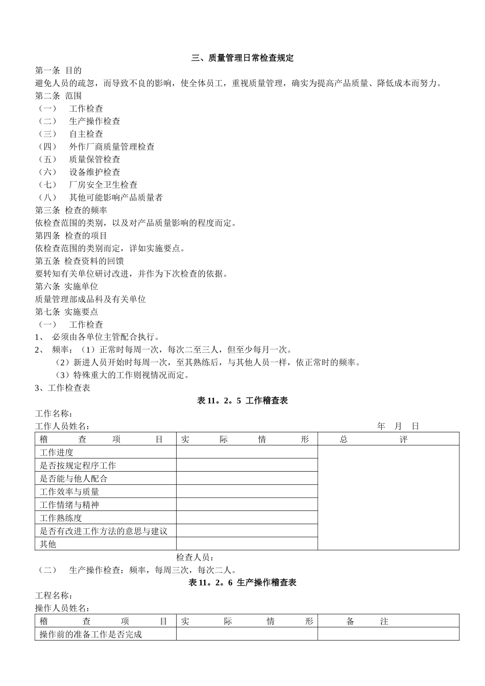
质量监控员工作流程图质量管理部部长质量监控员岗位职责质量管理日常检查规定工作稽查表生产操作稽查表自主检查稽查表外作厂商质量管理稽查表质量保管稽查表设备维护稽查表厂房安全卫生检查表检查资料的回馈生产副总核准任命受权三、质量管理日常检查规定第一条目的避免人员的疏忽,而导致不良的影响,使全体员工,重视质量管理,确实为提高产品质量、降低成本而努力。第二条范围(一)工作检查(二)生产操作检查(三)自主检查(四)外作厂商质量管理检查(五)质量保管检查(六)设备维护检查(七)厂房安全卫生检查(八)其他可能影响产品质量者第三条检查的频率依检查范围的类别,以及对产品质量影响的程度而定。第四条检查的项目依检查范围的类别而定,详如实施要点。第五条检查资料的回馈要转知有关单位研讨改进,并作为下次检查的依据。第六条实施单位质量管理部成品科及有关单位第七条实施要点(一)工作检查1、必须由各单位主管配合执行。2、频率:(1)正常时每周一次,每次二至三人,但至少每月一次。(2)新进人员开始时每周一次,至其熟练后,与其他人员一样,依正常时的频率。(3)特殊重大的工作则视情况而定。3、工作检查表表11。2。5工作稽查表工作名称:工作人员姓名:年月日稽查项目实际情形总评工作进度是否按规定程序工作是否能与他人配合工作效率与质量工作情绪与精神工作熟练度是否有改进工作方法的意思与建议其他检查人员:(二)生产操作检查:频率,每周三次,每次二人。表11。2。6生产操作稽查表工程名称:操作人员姓名:稽查项目实际情形备注操作前的准备工作是否完成是否按操作标准来操作工作场所的布置是否适宜通风照明温度等是否符合规定附近环境是否整洁对异常善是否知晓处理程序是否有改进工作方法的意见与建议其他检查人员:(三)自主检查:频率对每个检查站每二至三天检查一次,并视情况调整。表11。2。7自主检查表检查站:检查人员姓名:年月日稽查项目实际情形备注是否按检查标准检查官感检查的限度样本是否标准检查的仪器,量规是否精准是否有漏检情况漏检的原因对不合格品是否妥善处理其他检查人员:(四)外作厂商质量管理检查:1、质量管理部成品科会同有关单位人员,不定期巡回检查各协作厂商、原料供应商,加工厂商。2、外作厂商质量管理检查表。表11。2。8外作厂矿商质量管理稽查表□协作厂商□试用厂商□原料供应商□外协加工厂商年月日1-1厂商名称:4-1制程上有否按规定的操作标准操作:□有□没有1-2厂商的地址电话4-2制程中有否按规定的检查标准检查:□有□没有1-3负责供应本厂的原料,加工品名称4-3制程检查记录有保存吗?□有□没有1-4经办人员职称姓名:4-4制程中发现不良品的处理:2-1有质量管理组织表吗?□有□没有5-1对本公司供料储存情况:2-2质量管理负责人职称姓名:5-2成品检验如何实施:□全检□抽检□不检验2-3质量管理部门是否独立存在?□单独存在□存在□单位5-3被退货时实施措施:□改换包装再送回□等催货急时再送回□全检后再送回2-4检验人员共计()人1、进料验收人员()人2、制程检查人员()人3、成品检验人员()人4、其他人员()人5-4本公司要求的水准和厂商生产能力比较(厂商的意见)□要求过高□要求过低□要求适中2-5检验人员是否兼作其他工作:□是□否5-5不良率能否降低:□照规定□打算降低2-6对于不良反应是否有人负责处理:□有□没有5-6现有接受本公司订购事项进度情况:3-1进料时,有检验吗?□有□没有□有时有,有时没有3-2检验方式:□全检□抽检□抽样计划□其他5-7其他:3-3进料时发现不良品的处理:□批退□选别□重工□照用□其他6需要本公司协助事项:3-4进料验收单有保存吗?□有□没有检查人员:(五)质量保管检查1、原料,加工品,半成品,成品等。2、频率:每周一次。3、质量保管检查表。表11。2。9质量保管稽查表()原料()半成品()加工品()成品年月日稽查项目实际情形总评存放是否定位及是否整洁温度湿度通风照明是否适宜是否备有消防设备危险性物品是否与其他物品隔离良品不良品未经检验物品是否分别存放实际的数量是否与帐面符合度量衡的器具是否精准存放的地点是否有进...

1、当您付费下载文档后,您只拥有了使用权限,并不意味着购买了版权,文档只能用于自身使用,不得用于其他商业用途(如 [转卖]进行直接盈利或[编辑后售卖]进行间接盈利)。
2、本站所有内容均由合作方或网友上传,本站不对文档的完整性、权威性及其观点立场正确性做任何保证或承诺!文档内容仅供研究参考,付费前请自行鉴别。
3、如文档内容存在违规,或者侵犯商业秘密、侵犯著作权等,请点击“违规举报”。

碎片内容

质量监控员工作岗位分析

确认删除?
VIP
微信客服
  • 扫码咨询
会员Q群
  • 会员专属群点击这里加入QQ群
客服邮箱
回到顶部