电脑桌面
添加小米粒文库到电脑桌面
安装后可以在桌面快捷访问

某中型制造业生产调度岗位说明书VIP免费

某中型制造业生产调度岗位说明书_第1页
1/3
某中型制造业生产调度岗位说明书_第2页
2/3
某中型制造业生产调度岗位说明书_第3页
3/3
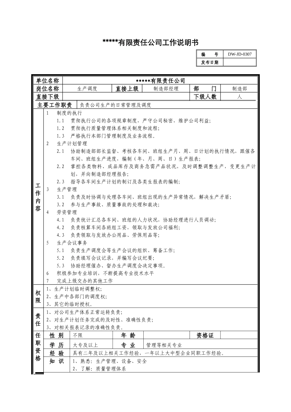
*****有限责任公司工作说明书编号DW-JD-0307发布日期单位名称*****有限责任公司岗位名称生产调度直接上级制造部经理部门制造部直接下级下级人数人主要工作职责负责公司生产的日常管理及调度工作内容1制度的执行1.1贯彻执行公司的各项规章制度,严守公司秘密,维护公司利益;1.2贯彻执行质量管理体系相关制度和流程;1.3严格执行本部门管理制度及业务流程。2生产计划管理2.1协助制造部部长监督、考核各车间、班组生产月、周、日计划的执行情况,跟催各车间、班组生产进度,编制(年、月、周、日)生产报表;2.2掌控各类物料、成品库存及商务急需产品状况,及时调整调整生产,变更生产计划,并向制造部经理报告;2.3指导各车间生产计划的制订及各类生报表的编制;3生产管理3.1负责及时协调与处理各车间、班组出现的生产异常情况,解决生产矛盾;3.2参与生产事故、质量事故的处理和裁决;4劳资管理4.1负责统计汇总各车间、班组的人力状况,协助经理进行人员调动;4.2负责核算车间各班组工资,领取与发放公司福利;4.3负责领取与发放办公用品、劳保用品等;5生产会议事务5.1负责生产调度会等生产会议的组织、筹备工作;5.2负责填写会议记录,并编写会议纪要;5.3协助经理催办、督办生产调度会决定事项。6积极参加专业培训,不断提高专业技术水平7完成上级交办的其他工作权限1、生产计划临时调整权;2、生产中各部门的调度权;3、其它的临时授权。责任1、对公司生产体系正常运转负责;2、对生产计划任务完成的及时性、准确性负责;3、对相关报表记录的准确性负责。任职资格性别不限年龄资格证学历大专及以上专业管理等相关专业经验具有二年及以上相关工作经验,一年以上大中型企业同职工作经验。知识1、熟悉:生产管理、设备、安全2、了解:质量管理体系技能1、沟通协调能力;2、具有一定的分析判断能力职业道德敬业、严谨、责任心强、原则性强

1、当您付费下载文档后,您只拥有了使用权限,并不意味着购买了版权,文档只能用于自身使用,不得用于其他商业用途(如 [转卖]进行直接盈利或[编辑后售卖]进行间接盈利)。
2、本站所有内容均由合作方或网友上传,本站不对文档的完整性、权威性及其观点立场正确性做任何保证或承诺!文档内容仅供研究参考,付费前请自行鉴别。
3、如文档内容存在违规,或者侵犯商业秘密、侵犯著作权等,请点击“违规举报”。

碎片内容

某中型制造业生产调度岗位说明书

文泉书屋+ 关注
实名认证
内容提供者

热爱教学事业,对互联网知识分享很感兴趣

确认删除?
VIP
微信客服
  • 扫码咨询
会员Q群
  • 会员专属群点击这里加入QQ群
客服邮箱
回到顶部