电脑桌面
添加小米粒文库到电脑桌面
安装后可以在桌面快捷访问

冲渣池施工方案VIP专享VIP免费

冲渣池施工方案_第1页
1/25
冲渣池施工方案_第2页
2/25
冲渣池施工方案_第3页
3/25
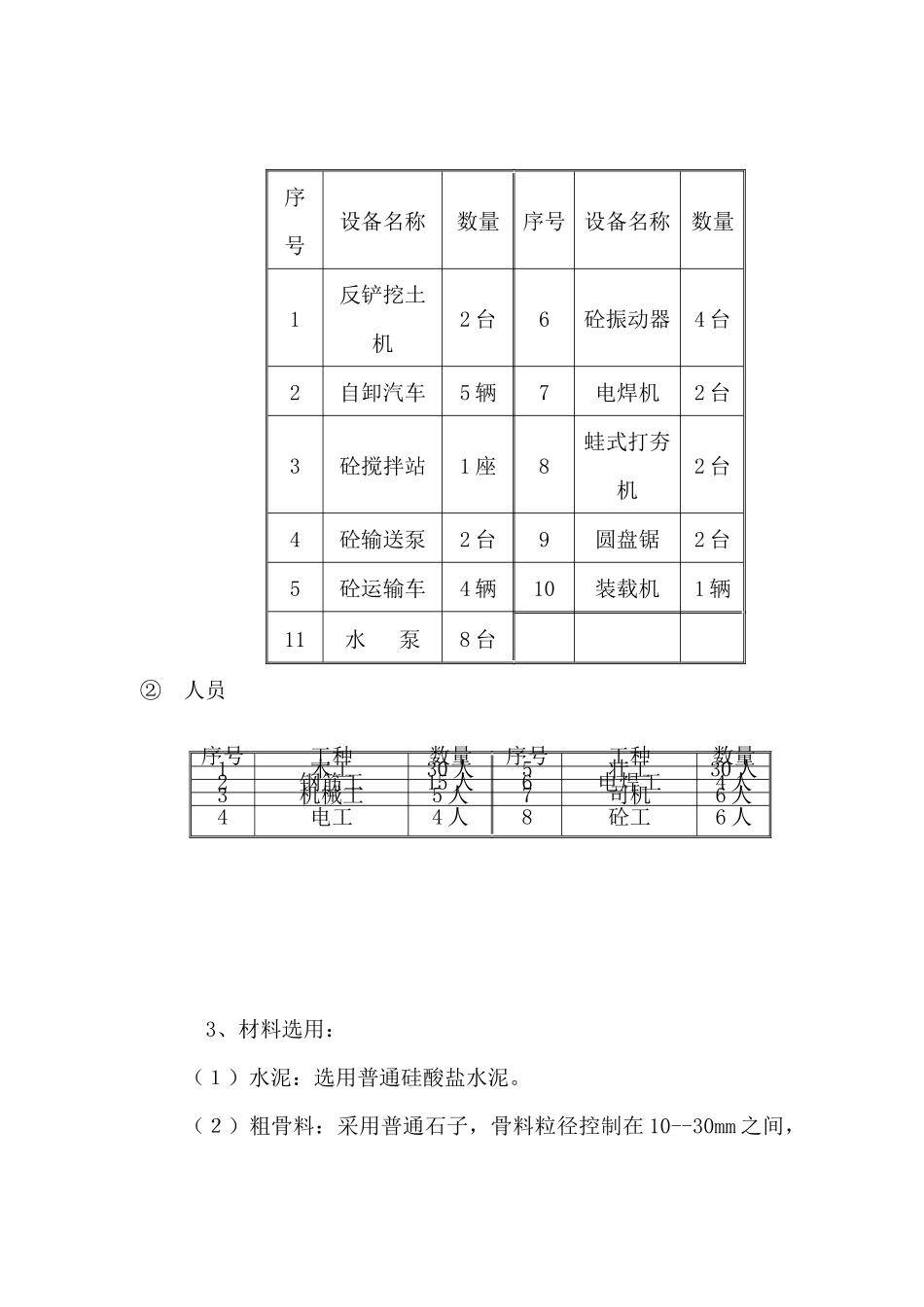
目录编制依据1工程概况1施工准备1施工方法与要求.3专项工程施工方法11质量保证措施20安全措施21一、编制依据1、施工图纸及现场实际情况。2、方案中各主要工序遵循以下规范:《GB50202-2002》、《GB50204-2002》3、本工程施工组织总设计。二、工程概况本工程为高炉冲渣池工程,场地平均自然地坪标高约为±0.000。基底设计标高最深处为-10.55m,根据核工业第四勘查院南方分院提供的地质勘查报告显示,该场地内地下水位较浅,中风化岩层上有8—10米的回填土不等。由栈桥和冲渣池本体两部分组成,栈桥为杯口基础,预制柱,钢吊车梁。基底标高-2。7米,垫层砼C10,基础砼C20,预制柱砼C30;冲渣池垫层砼C10,池体砼C25(S8)。三、施工准备1、技术准备组织有关人员熟悉图纸,制定施工方案,做施工预算,做好材料计划,根据图纸要求做出砼配合比。2、施工机具准备、人员配备施工现场一旦具备施工条件,我方将实行“三班倒”作业,最大限度的利用人力物力,在有限的工作面上,昼夜施工,为确保工期如期完成,该工程拟投入以下机具、人员:①机具序号设备名称数量序号设备名称数量1反铲挖土机2台6砼振动器4台2自卸汽车5辆7电焊机2台3砼搅拌站1座8蛙式打夯机2台4砼输送泵2台9圆盘锯2台5砼运输车4辆10装载机1辆11水泵8台②人员3、材料选用:(1)水泥:选用普通硅酸盐水泥。(2)粗骨料:采用普通石子,骨料粒径控制在10--30mm之间,序号工种数量序号工种数量1木工30人5壮工30人2钢筋工15人6电焊工4人3机械工5人7司机6人4电工4人8砼工6人含泥量控制1%以内。(3)细骨料:采用中粗砂,细度模数为2.8--3.00之间,平均粒径0.381,砂子的含泥量控制在1%以内,并不得含有有机质等杂物。4、现场准备根据图纸及地质情况放出挖土边线,做好运输用的临时道路、场地内排水等工作。四、施工方法与要求.主要施工顺序:土方开挖(基坑排水)→垫层施工→柱预制→基础施工→养护、拆模→土方回填→预制柱吊装(一)、土方开挖按规范要求放出基础开挖边线,即用反铲挖掘机进行整体开挖,自卸汽车运出场外。因该工程地下水位较高,基础埋深较深,因此在基坑的四侧设置排水明沟和集水井,使地下水流汇集于集水井内,再用水泵将地下水排出基坑外,基坑四周用土筑堤坝,防止地表水流入坑内。拟采用分层开挖的方法,随机进行水准抄平,严防超挖,基底予留300mm厚土层人工清除。(二)、土方回填土方回填要严格按要求分层回填夯实,基础四周回填土应同步进行,以免将基础压斜,严格按施工规范进行。(1)填土料应符合设计要求,保证填方的强度和稳定性。(2)土料含水量一般以手握成团、落地开花为宜。(3)场地回填应先清除基底上草皮、树根、坑穴中的积水、淤泥和杂物,填方应从最低处开始,由下而上整个宽度水平分层均匀铺填土料和夯实。底层如为耕土或松土时,应先夯实,然后再全面填筑。(4)场地回填土夯实采用蛙式打夯机,每层虚填土厚度250cm,打夯之前对填土应初步整平,打夯路线由四边开始,然后再夯向中间,一夯压半夯,夯夯相接,行行相连,分层夯打,每层夯打3---5遍。(5)基坑回填应在相对两侧或四周同时进行回填与夯实。(三)、模板工程模板采用组合式钢型模板、连接件采用U型卡、钢管采用ф48、壁厚3.5(1)施工前准备工作安装前,要做好模板的定位基准工作,进行中心线和位置的放线。模板放线时用墨线弹出模板的内边线和中心线。待监理验收合格后方可开始支设模板。模板使用前应先涂刷脱模剂。(2)模板安装模板以组合钢模板为主,木模板为辅,架子搭设前应对地面进行垫平并夯实,立杆下铺5cm厚的木跳板。墙壁模板加固用对拉螺栓,并加止水板。具体见附图(一)。1)组装的模板必须符合施工设计的要求。2)各种连接件、支承件、加固配件必须安装牢固,无松动现象,横板拼缝要严密,各种预埋件、预留孔洞位置要准确,固定要牢固。模板安装允许偏差:序号项目允许偏差1轴线位置±52底模上表面标高+53截面内部基础+104相邻两模板高低差25表面平整5(3)模板的拆除模板的拆除,除了侧模以保证混凝土表面及棱角不受损坏时,方可拆除外。(四)、钢筋工程:(1)钢筋的制作认真熟悉施工图纸,根据...

1、当您付费下载文档后,您只拥有了使用权限,并不意味着购买了版权,文档只能用于自身使用,不得用于其他商业用途(如 [转卖]进行直接盈利或[编辑后售卖]进行间接盈利)。
2、本站所有内容均由合作方或网友上传,本站不对文档的完整性、权威性及其观点立场正确性做任何保证或承诺!文档内容仅供研究参考,付费前请自行鉴别。
3、如文档内容存在违规,或者侵犯商业秘密、侵犯著作权等,请点击“违规举报”。

碎片内容

冲渣池施工方案

确认删除?
VIP
微信客服
  • 扫码咨询
会员Q群
  • 会员专属群点击这里加入QQ群
客服邮箱
回到顶部