电脑桌面
添加小米粒文库到电脑桌面
安装后可以在桌面快捷访问

地下室防水卷材施工方案VIP免费

地下室防水卷材施工方案_第1页
1/6
地下室防水卷材施工方案_第2页
2/6
地下室防水卷材施工方案_第3页
3/6
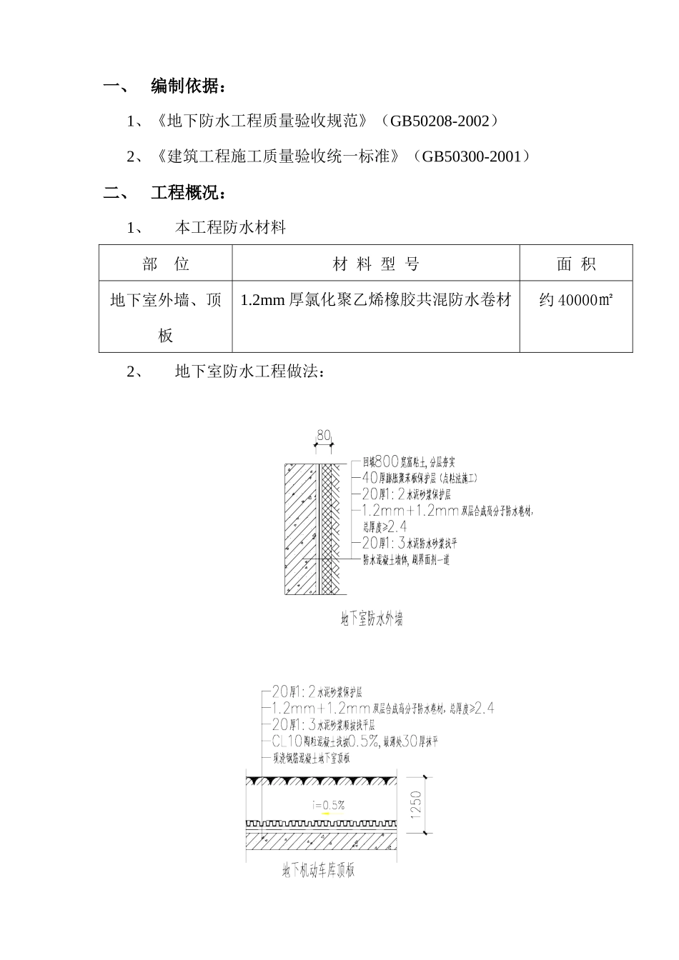
一、编制依据:1、《地下防水工程质量验收规范》(GB50208-2002)2、《建筑工程施工质量验收统一标准》(GB50300-2001)二、工程概况:1、本工程防水材料部位材料型号面积地下室外墙、顶板1.2mm厚氯化聚乙烯橡胶共混防水卷材约40000㎡2、地下室防水工程做法:三、施工条件1、最佳施工温度为10~30℃,一般5~35℃即可施工,相对湿度小于80%。2、基层必须牢固干净,无松动、起砂、空鼓、脱皮等缺陷3、所有阴阳角应做圆滑,阴角用1:3水泥砂浆做成圆弧状,表面光滑;阳角用磨光机打磨成钝角,伸出外墙或露面;管道根部做成圆弧馒头状。4、施工材料及用具准备齐全,原材料抽检合格。5、专业施工人员到位,已进行技术(安全)交底。四、地下室防水卷材施工1、工艺流程基层表面处理→涂刷基层处理剂→特殊部位进行增补处理(附加层)→涂刷基层胶粘剂→第一层防水卷材铺贴→第二层防水卷材铺贴2、施工要点结构穿墙螺杆孔封堵及结构面清理:首先将螺杆孔处木垫片剔除,在根部将螺杆割除,再将螺杆孔浇水洗净、湿润后,用防水砂浆抹平、压实、抹光。对模板接头缝处的水泥渣用磨光机磨平。对外墙表面水泥砂浆等杂物用铲刀或钢丝刷清理干净,最后将混凝土灰尘扫净。涂刷基层处理剂:将聚氨酯防水涂料的甲料、乙料和稀释剂按重量比1:2:3的比例配合,搅拌均匀,再用长把滚刷均匀涂刷在干净、干燥的基层表面上,涂刷不得漏刷,也不得有堆积现象,待基层处理剂固化干燥后再进行下道工序。附加层施工:在墙体、顶板的管根、伸缩缝、阴阳角部位均匀涂刷一层聚氨酯涂膜,做特殊防水薄弱部位的附加层,涂膜固化后,按细部形状将卷材剪好铺贴一层,即可进行下道工序。涂刷基层胶黏剂:根据本工程设计要求,结合施工工艺方法,对于外墙垂直面第一层卷材采用满粘法施工,顶板及所有第二层卷材采用条粘法或点粘法施工粘贴。在基层表面涂刷胶黏剂:将卷材铺展在干净的基层上,用长把滚刷蘸取专用胶粘剂,均匀涂刷在卷材表面上,涂刷时不漏刷、不堆积,且不能往返多次涂刷。在基层表面涂刷胶粘剂:在卷材表面涂刷粘结剂的同时,用长把滚刷蘸取粘结剂均匀涂刷在基层处理剂已干燥和干净的基层表面上,晾胶至基本干燥不粘手,即可铺贴卷材。第一层防水卷材铺贴:地下室外墙采用垂直方向铺贴,将已涂刷粘结剂的卷材卷成圆筒形,然后在圆形卷材的中心插入一根Ф50×150的铁管,由两人分别手持铁管的两端,将卷材一端固定在墙下脚处,由上而下将卷材松弛地铺贴在基层表面上,在铺贴卷材的过程中,不允许拉伸卷材,也不得有褶皱现象。顶板采取由周边向中心铺贴法,将卷材沿长边方向对折成二分之一幅宽,卷材涂胶面向背,然后将待铺卷材对准已铺卷材的短边搭接基准线,待铺卷材长边对准已铺卷材的长边搭接基准线,贴压完毕后再将另一半展铺并用压辊将卷材滚压粘劳。第二层防水卷材铺贴,待第一层卷材铺贴完毕24小时后且卷材搭接接头处理完毕后再进行第二次防水卷材施工,外墙采用条粘法施工,施工方法同第一层相同,注意第一层和第二层卷材搭接接头位置要相互错开,顶板采用点粘法,施工方法同第一层卷材相同。3、施工注意事项:卷材不得在阴阳角处接头,接头处应间隔错开。操作中排气:每铺完一张卷材,应立即用干净的滚刷从卷材的一段开始横行用力滚压一遍,以便将空气排出。滚压:排除空气后,为使卷材粘贴牢固,应用外包橡皮的铁辊滚压一遍。接头处理:卷材搭接的长边与端头的短边100mm范围,用丁基粘结剂粘结,凡遇有卷材重叠三层的部位,必须用聚氨酯嵌缝膏填密封严。收头处理:防水层周边用聚氨酯嵌缝,并在其上涂刷一层聚氨酯涂膜。防水层施工不得在风、雨天进行,施工环境温度不得低于5℃。五、质量保证保证项目:1、卷材与胶结材料必须符合设计和施工及验收规范的规定。检查产品出厂合格证、实验资料和技术性能指标,现场取样实验。2、卷材防水层及细部特殊部位做法,必须经工程验收,使其符合设计要求和施工及验收规范的规定。基本项目:1、卷材防水层的基层应牢固、平整。阴阳角处呈圆弧形或钝角;表面洁净;表面涂刷均匀,无漏底、透底。检查隐蔽工程验收记录。2、卷材防水层的铺贴构造、搭接和收头粘...

1、当您付费下载文档后,您只拥有了使用权限,并不意味着购买了版权,文档只能用于自身使用,不得用于其他商业用途(如 [转卖]进行直接盈利或[编辑后售卖]进行间接盈利)。
2、本站所有内容均由合作方或网友上传,本站不对文档的完整性、权威性及其观点立场正确性做任何保证或承诺!文档内容仅供研究参考,付费前请自行鉴别。
3、如文档内容存在违规,或者侵犯商业秘密、侵犯著作权等,请点击“违规举报”。

碎片内容

地下室防水卷材施工方案

您可能关注的文档

确认删除?
VIP
微信客服
  • 扫码咨询
会员Q群
  • 会员专属群点击这里加入QQ群
客服邮箱
回到顶部