电脑桌面
添加小米粒文库到电脑桌面
安装后可以在桌面快捷访问

派克压力控制阀VIP免费

派克压力控制阀_第1页
1/70
派克压力控制阀_第2页
2/70
派克压力控制阀_第3页
3/70
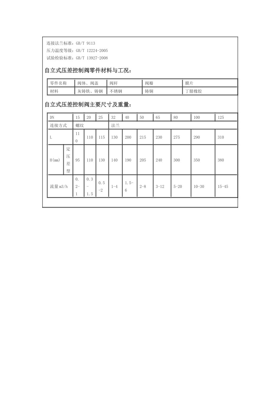
派克压力控制阀研发成功了32寸、40寸、48寸大口径硬密封高温球阀。并设计和研发出56寸超大口径硬密封高温球阀。浙江华夏阀门有限公司研发成功的高环保、高节能、高可靠性的球楔针型阀与挤压连接管接件产品,在杭州通过了国家级鉴定。华夏阀门公司此项技术的研发成功彻底打破美国在国际市场上对该项技术60年的垄断。注重品牌的建立温州的泵阀产业经过了几十年的发展,区域品牌优势凸现,良精集团、环球集团、宣达集团分别获得了“浙江名牌产品”称号;良精集团、保一集团、高能集团、环球集团分别获得“国家免检产品”称号,温州泵阀的品牌效应促使温州泵阀产业走向更高的一个发展阶段。温州地区为了更好地推进品牌战略,永嘉县政府从今年8月开始率先在阀门行业实施名牌培育质量提升工程,到2008年6月底结束。希望通过两年的努力,使阀门行业的企业质量管理基础得到进一步夯实;产品质量有较明显的提高,企业技术创新能力进一步增强;企业采用国际标准的比例有明显提高;市场准入比例在全省同行业领先;培育一批具有较强市场竞争力和影响力的名牌产品;初步形成阀门行业在规模、技术、人才、独立知识产权和品牌等方面的明显区域优势;名牌效应对永嘉县的经济发展进一步做出贡献;规范行业发展,最终实现阀门行水利控制阀>>自力式压差控制阀>>自力式压差控制阀产品名称:自力式压差控制阀产品型号:ZYC产品口径:DN15~DN125产品压力:0.6~2.5MPa产品材质:铸铁、铸钢、不锈钢等产品概括:生产标准:国家标准GB、机械标准JB、化工标准HG、美标API、ANSI、德标DIN、日本JIS、JPI、英标BS生产。阀体材质:铜、铸铁、铸钢、碳钢、WCB、WC6、WC9、20#、25#、锻钢、A105、F11、F22、不锈钢、304、304L、316、316L、铬钼钢、低温钢、钛合金钢等。工作压力1.0Mpa-50.0Mpa。工作温度:-196℃-650℃。连接方式:内螺纹、外螺纹、法兰、焊接、对焊、承插焊、卡套、卡箍。驱动方式:手动、气动、液动、电动。产品详细信息自立式压差控制阀产品介绍:ZYC自立式压差控制阀,是一种利用介质自身的压力变化进行自我控制从而保持流经该被控系统介质压差不变的阀门。自立式压差控制阀适用于供暖方式采用双管系统的压差控制。自立式压差控制阀保证系统压差基本不变,降低噪音,平衡阻力,消除热网和水力失调。自立式压差控制阀应用范围:自立式压差控制阀适用于供暖方式采用双管系统的压差控制。压差控制范围:定压差型10KPa、20KPa、30KPa。阀体、阀盖:灰铸铁、铸钢阀杆:不锈钢阀瓣:铸钢膜片:丁腈橡胶典型安装示意图自立式压差控制阀结构特点:自立式压差控制阀保证系统压差基本不变,降低噪音,平衡阻力,消除热网和水力失调。自立式压差控制阀标准规范:设计制造标准:结构长度标准:GB/T12221-2005连接法兰标准:GB/T9113压力温度等级:GB/T12224-2005试验检验标准:GB/T13927-2008自立式压差控制阀零件材料与工况:零件名称阀体、阀盖阀杆阀瓣膜片材料灰铸铁、铸钢不锈钢铸铜丁腈橡胶自立式压差控制阀主要尺寸及重量:DN1520253240506580100125连接方式螺纹法兰L110110115130200215230275290310H(mm)定压差型95110130140190205240300350380流量m3/h0.2-10.3-1.50.5-21-41.5-62-83-125-2010-3015-45水利控制阀>>泄压阀>>持压泄压阀产品名称:持压泄压阀产品型号:500X产品口径:DN20-600产品压力:1.0-2.5Mpa产品材质:铸铁、铸钢、不锈钢等产品概括:生产标准:国家标准GB、机械标准JB、化工标准HG、美标API、ANSI、德标DIN、日本JIS、JPI、英标BS生产。阀体材质:铜、铸铁、铸钢、碳钢、WCB、WC6、WC9、20#、25#、锻钢、A105、F11、F22、不锈钢、304、304L、316、316L、铬钼钢、低温钢、钛合金钢等。工作压力1.0Mpa-50.0Mpa。工作温度:-196℃-650℃。连接方式:内螺纹、外螺纹、法兰、焊接、对焊、承插焊、卡套、卡箍。驱动方式:手动、气动、液动、电动。产品详细信息产品介绍:当给水管中压力超过泄压阀额定压力时,500X泄压阀开启,防止管线及设备因超压而损坏,可用于高层建筑消防测循环系统之泄压用,以防止水压过高造成系统危险。应用范围:500X持压泄压阀广泛用于给排水、消防、电厂...

1、当您付费下载文档后,您只拥有了使用权限,并不意味着购买了版权,文档只能用于自身使用,不得用于其他商业用途(如 [转卖]进行直接盈利或[编辑后售卖]进行间接盈利)。
2、本站所有内容均由合作方或网友上传,本站不对文档的完整性、权威性及其观点立场正确性做任何保证或承诺!文档内容仅供研究参考,付费前请自行鉴别。
3、如文档内容存在违规,或者侵犯商业秘密、侵犯著作权等,请点击“违规举报”。

碎片内容

派克压力控制阀

文泉书屋+ 关注
实名认证
内容提供者

热爱教学事业,对互联网知识分享很感兴趣

确认删除?
VIP
微信客服
  • 扫码咨询
会员Q群
  • 会员专属群点击这里加入QQ群
客服邮箱
回到顶部