电脑桌面
添加小米粒文库到电脑桌面
安装后可以在桌面快捷访问

物资生产技术部技术管理岗位职责VIP免费

物资生产技术部技术管理岗位职责_第1页
1/3
物资生产技术部技术管理岗位职责_第2页
2/3
物资生产技术部技术管理岗位职责_第3页
3/3
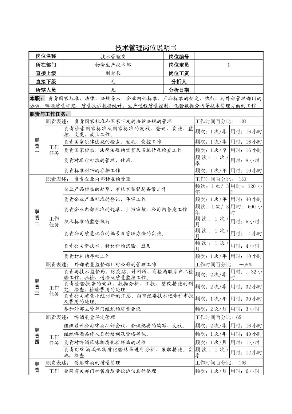
技术管理岗位说明书岗位名称技术管理岗岗位编号所在部门物资生产技术部岗位定员1直接上级副部长岗位工资直接下级无分析人所辖人员无分析日期本职:负责国家标准、法律、法规导入,企业内部标准、产品标准的制定、执行,与外部管理部门的协调,啤酒质量评定,质量投诉数据统计,生产过程质量控制,化验数据分析等技术管理方面的工作职责与工作任务:职责一职责表述:负责国家标准和国家下发的法律法规的管理工作时间百分比:10%工作任务负责检索国家标准及国家标准的发放、登记、实施、监控、变更、废止工作。频次:1次/季用时:16小时负责国家法律法规的检索、发放、受控工作频次:1次/季用时:16小时负责国家标准、法律法规的宣贯及实施情况检查工作频次:1次/季用时:16小时负责对现行标准的管理、使用。频次:1次/季用时:8小时负责标准材料的存档工作频次:1次/年用时:10小时职责二职责表述:负责企业内部标准的管理工作时间百分比:16%工作任务企业产品标准的起草、市技术监督局备案工作频次:1次/3年用时:120小时负责企业产品标准的登记、年审工作频次:1次/年用时:40小时负责企业内部标准的起草、上报审核、公司内备案工作频次:1次/3年用时:500小时技术标准的监督执行频次:1次/月用时:5小时负责公司质量记录的编号及管理办法的实施。频次:1次/月用时:4小时负责公司新技术、新材料的试验、应用频次:1次/月用时:4小时负责材料的存档工作频次:1次/年用时:10小时职责三职责表述:外部质量监督部门对公司的管理工作工作时间百分比:一五%工作任务负责与技术监督局、防疫站、计科所、商检局联系产品检验工作、抽检、送检及质量监控工作。频次:2次/季用时::32小时负责检验报告的索取、数据分析、汇报、整改措施的制定、检查、检验费用的处理频次:2次/季用时:32小时负责公司质量小组材料的汇总、向市经委技术进步科申报及费用的处理。频次:1次/年用时:30小时参加外部主管部门组织的质量会议频次:2次/月用时:3小时职责四职责表述:啤酒质量评定管理工作时间百分比:6%工作任务组织召开公司啤酒品评会议、会议纪要的编写、发放。频次:2次/季用时:16小时组织啤酒品评人员的培训及资格确认。频次:1次/年用时:40小时负责对啤酒风味物质化验样品的送检频次:1次/月用时:1小时负责对啤酒风味物质化验结果进行分析、采取措施。实施,检查频次:1次/季用时:12小时职责职责表述:售后啤酒的质量管理工作时间百分比:10%工作会同有关部门对售后质量投诉信息的整理频次:1次/月用时:6小时五任务负责对质量投诉信息进行分析、得出结论、作出纠正措施、编写分析报告,反馈至工厂进行整改。频次:1次/月用时:8小时协助相关部门根据分析报告对工厂进行考核。频次:1次/季用时:4小时对整改措施实施情况检查频次:1次/月用时:4小时职责六职责表述:质检、化验人员、数据的管理工作时间百分比:一五%工作任务负责组织化验、质检人员的外部培训,按国家要求持证上岗。频次:1次/年用时:40小时负责各工厂化验数据的核验,确保化验数据的准确性。频次:1次/季用时:4小时负责生产过程及成品化验数据的分析整理,检查数据和记录的规范性,对控制过程进行有效管理。频次:1次/天用时:1小时负责《啤酒检验计划》的检查实施频次:1次/月用时:4小时职责七职责表述:啤酒生产质量控制工作时间百分比:5%工作任务负责对公司生产过程的半成品至成品的监督、检查、控制。频次:1次/月用时:5小时负责按计划组织各工厂采取互相检验的方式对工厂的半成品、成品指标进行监督、检查、控制。频次:1次/季用时:5小时负责监督生产过程原材料的检验工作频次:1次/季用时:8小时工程执行情况检查频次:1次/月用时:2小时职责八职责表述:日常技术管理工作时间百分比:一三%工作任务负责起草、下发生产技术部的技术指导书频次:1次/月用时:3小时负责公司技术会议通知的下达、资料准备、会议纪要的起草、发放频次:1次/月用时:3小时协助部长组织公司啤酒存在技术质量问题及各工厂存在的共性问题,进行研讨。频次:1次/季用时:8小时负责组织对工厂的工艺纪律、工艺卫生进行检查,对不合...

1、当您付费下载文档后,您只拥有了使用权限,并不意味着购买了版权,文档只能用于自身使用,不得用于其他商业用途(如 [转卖]进行直接盈利或[编辑后售卖]进行间接盈利)。
2、本站所有内容均由合作方或网友上传,本站不对文档的完整性、权威性及其观点立场正确性做任何保证或承诺!文档内容仅供研究参考,付费前请自行鉴别。
3、如文档内容存在违规,或者侵犯商业秘密、侵犯著作权等,请点击“违规举报”。

碎片内容

物资生产技术部技术管理岗位职责

您可能关注的文档

确认删除?
VIP
微信客服
  • 扫码咨询
会员Q群
  • 会员专属群点击这里加入QQ群
客服邮箱
回到顶部