电脑桌面
添加小米粒文库到电脑桌面
安装后可以在桌面快捷访问

安全目标考核表VIP专享VIP免费

安全目标考核表_第1页
1/21
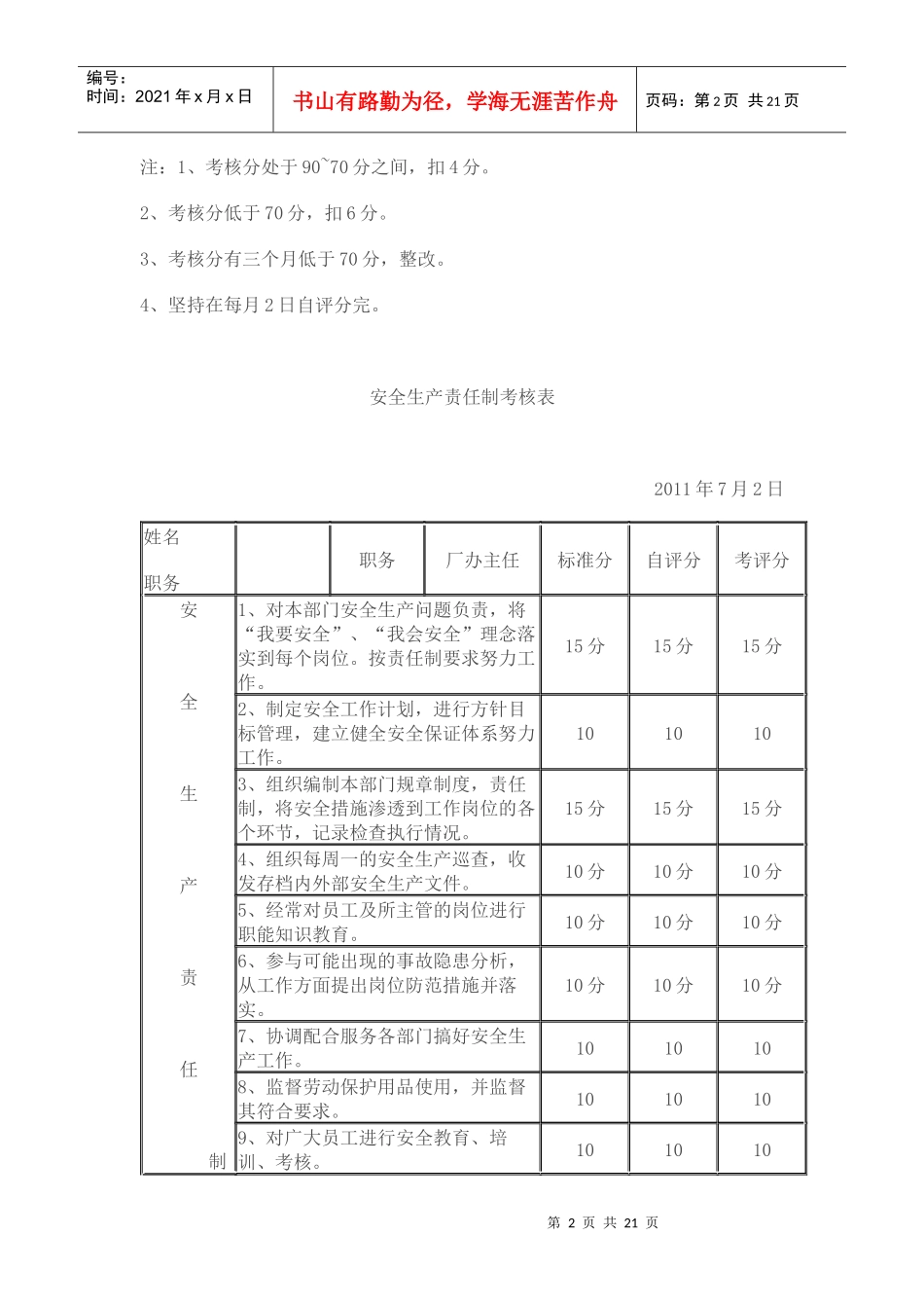
安全目标考核表_第2页
2/21
安全目标考核表_第3页
3/21
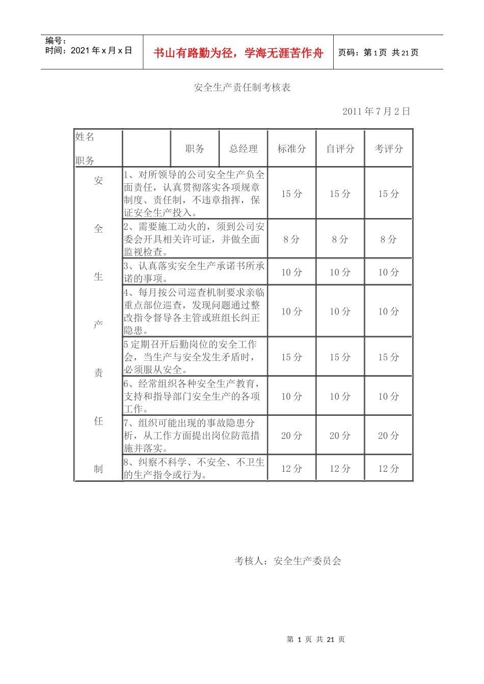
第1页共21页编号:时间:2021年x月x日书山有路勤为径,学海无涯苦作舟页码:第1页共21页安全生产责任制考核表2011年7月2日姓名职务职务总经理标准分自评分考评分安全生产责任制1、对所领导的公司安全生产负全面责任,认真贯彻落实各项规章制度、责任制,不违章指挥,保证安全生产投入。15分15分15分2、需要施工动火的,须到公司安委会开具相关许可证,并做全面监视检查。8分8分8分3、认真落实安全生产承诺书所承诺的事项。10分10分10分4、每月按公司巡查机制要求亲临重点部位巡查,发现问题通过整改指令督导各主管或班组长纠正隐患。10分10分10分5定期召开后勤岗位的安全工作会,当生产与安全发生矛盾时,必须服从安全。15分15分15分6、经常组织各种安全生产教育,支持和指导部门安全生产的各项工作。10分10分10分7、组织可能出现的事故隐患分析,从工作方面提出岗位防范措施并落实。20分20分20分8、纠察不科学、不安全、不卫生的生产指令或行为。12分12分12分考核人:安全生产委员会第2页共21页第1页共21页编号:时间:2021年x月x日书山有路勤为径,学海无涯苦作舟页码:第2页共21页注:1、考核分处于90~70分之间,扣4分。2、考核分低于70分,扣6分。3、考核分有三个月低于70分,整改。4、坚持在每月2日自评分完。安全生产责任制考核表2011年7月2日姓名职务职务厂办主任标准分自评分考评分安全生产责任制1、对本部门安全生产问题负责,将“我要安全”、“我会安全”理念落实到每个岗位。按责任制要求努力工作。15分15分15分2、制定安全工作计划,进行方针目标管理,建立健全安全保证体系努力工作。1010103、组织编制本部门规章制度,责任制,将安全措施渗透到工作岗位的各个环节,记录检查执行情况。15分15分15分4、组织每周一的安全生产巡查,收发存档内外部安全生产文件。10分10分10分5、经常对员工及所主管的岗位进行职能知识教育。10分10分10分6、参与可能出现的事故隐患分析,从工作方面提出岗位防范措施并落实。10分10分10分7、协调配合服务各部门搞好安全生产工作。1010108、监督劳动保护用品使用,并监督其符合要求。1010109、对广大员工进行安全教育、培训、考核。101010第3页共21页第2页共21页编号:时间:2021年x月x日书山有路勤为径,学海无涯苦作舟页码:第3页共21页考核人:安全生产委员会注:1、考核分处于90~70分之间,扣4分。2、考核分低于70分,扣6分。3、考核分有三个月低于70分,整改。4、坚持在每月2日自评分完。安全生产责任制考核表2011年7月2日姓名职务职务生产技术总监标准分自评分考评分安全生产责任制1、对生产技术部安全生产工作负责。积极贯彻和落实的各项安全规章制度、责任制并监督检查安全生产工作情况。10分10分10分2、制定安全工作计划,进行方针目标管理,建立健全安全保证体系努力工作。练兵消防安全四个能力。10分10分10分3、领导组织安全活动,制订或修订部门安全制度。8分8分8分4、对广大员工进行安全教育、培训、考核。12分12分12分5、参加组织设计,作业方案的会审,组织参加生产会,掌握信息,预测事故发生的可能性。10分10分10分6、深入作业场所分析研究安全动态,提出改正意见,制止违章作业。15分15分15分7、及时填报安全报表,协助教育有关人员办理安全合格证并跟踪管理。15分15分15分8、参与可能出现的事故隐患分析,从工作方面提出岗位防范措施并落实。10分10分10分9、监督劳动保护用品使用,并监督其符合要求。10分10分10分第4页共21页第3页共21页编号:时间:2021年x月x日书山有路勤为径,学海无涯苦作舟页码:第4页共21页考核人:安全生产委员会注:1、考核分处于90~70分之间,扣4分。2、考核分低于70分,扣6分。3、考核分有三个月低于70分,整改。4、坚持在每月2日自评分完。安全生产责任制考核表2011年7月2日姓名职务职务工程师标准分自评分考评分安全生产责任1、对生产技术过程的安全负责,不违规试验检验,不违章指挥,制止冒险作业。20分25分25分2、协助部门负责人对所管的区域内一切安全防护设施符合要求负责,对整改指令书及隐患通知单要组织落实改进。检查消防设施完好。15分25分25分3、做好有针对性的书面安全交底,...

1、当您付费下载文档后,您只拥有了使用权限,并不意味着购买了版权,文档只能用于自身使用,不得用于其他商业用途(如 [转卖]进行直接盈利或[编辑后售卖]进行间接盈利)。
2、本站所有内容均由合作方或网友上传,本站不对文档的完整性、权威性及其观点立场正确性做任何保证或承诺!文档内容仅供研究参考,付费前请自行鉴别。
3、如文档内容存在违规,或者侵犯商业秘密、侵犯著作权等,请点击“违规举报”。

碎片内容

安全目标考核表

确认删除?
VIP
微信客服
  • 扫码咨询
会员Q群
  • 会员专属群点击这里加入QQ群
客服邮箱
回到顶部