电脑桌面
添加小米粒文库到电脑桌面
安装后可以在桌面快捷访问

三洋电机集团环境负荷化学物质管理基准(第4版)VIP免费

三洋电机集团环境负荷化学物质管理基准(第4版)_第1页
1/17
三洋电机集团环境负荷化学物质管理基准(第4版)_第2页
2/17
三洋电机集团环境负荷化学物质管理基准(第4版)_第3页
3/17
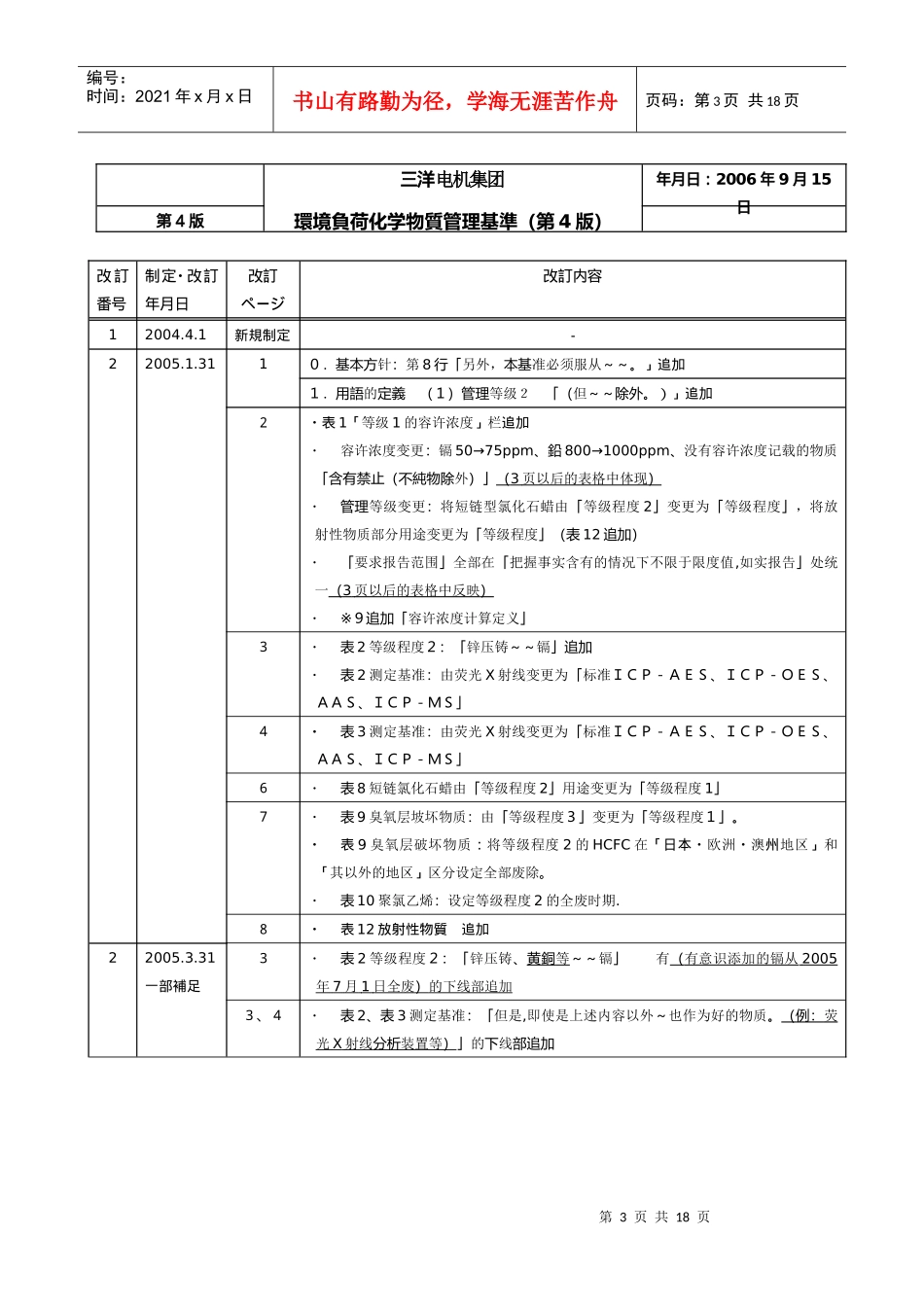
三洋电机集团环境负荷化学物质管理基准(第4版)2006年9月15日三洋电机株式会社环境推进中心添付資料‐4(绿色采购基准书)第3页共18页编号:时间:2021年x月x日书山有路勤为径,学海无涯苦作舟页码:第3页共18页三洋电机集团年月日:2006年9月15日第4版環境負荷化学物質管理基準(第4版)改訂番号制定・改訂年月日改訂ページ改訂内容12004.4.1新規制定-22005.1.3110.基本方针:第8行「另外,本基准必须服从~~。」追加1.用語的定義(1)管理等级2「(但~~除外。)」追加2・表1「等级1的容许浓度」栏追加・容许浓度变更:镉50→75ppm、鉛800→1000ppm、没有容许浓度记载的物质「含有禁止(不純物除外)」(3页以后的表格中体现)・管理等级变更:将短链型氯化石蜡由「等级程度2」变更为「等级程度」,将放射性物质部分用途变更为「等级程度」(表12追加)・「要求报告范围」全部在「把握事实含有的情况下不限于限度值,如实报告」处统一(3页以后的表格中反映)・※9追加「容许浓度计算定义」3・表2等级程度2:「锌压铸~~镉」追加・表2测定基准:由荧光X射线变更为「标准ICP-AES、ICP-OES、AAS、ICP-MS」4・表3测定基准:由荧光X射线变更为「标准ICP-AES、ICP-OES、AAS、ICP-MS」6・表8短链氯化石蜡由「等级程度2」用途变更为「等级程度1」7・表9臭氧层坡坏物质:由「等级程度3」变更为「等级程度1」。・表9臭氧层破坏物质:将等级程度2的HCFC在「日本・欧洲・澳州地区」和「其以外的地区」区分设定全部废除。・表10聚氯乙烯:设定等级程度2的全废时期.8・表12放射性物質追加22005.3.31一部補足3・表2等级程度2:「锌压铸、黄銅等~~镉」有(有意识添加的镉从2005年7月1日全废)的下线部追加3、4・表2、表3测定基准:「但是,即使是上述内容以外~也作为好的物质。(例:荧光X射线分析装置等)」的下线部追加第4页共18页第3页共18页编号:时间:2021年x月x日书山有路勤为径,学海无涯苦作舟页码:第4页共18页32005.9.28全334全68全・由于等级程度2物质的日程已到,移行到等级程度1。・镉的容许浓度:100ppm以下。・锌压铸等金属制部品中,作为不纯物含有的镉的全废期限从2006年4月1日变更为2006年1月1日。・「无电解镀镍,无电解镀金时的安定剂、添加剂中使用的铅」变更为等级程度2・RoHS除外规定的重新评价・整理・将短链氯化化石蜡全用途移行到等级程度1。・石棉类:将填料中的温石棉(欧州向以外)变更为等级程度3。・追加日本向J-Moss对应品的全废期限(从2006年1月1日)42006.9.152・表1:将调查对象物质由29变更为24物质群(金、銀、钯、銅、镁削除)3・表2等级程度1的容许浓度(限值):デンマーク向的产品的树脂中必须在75ppm以下→RoHS指令的对象产品以外,其用途为表面处理、着色剂、树脂安定剂时必须在75ppm以下。全・等级程度2物质的期限期限已到,移行到等级程度1。・到2006年8月末的RoHS除外用途追加6・表6及表7:变更测定标准(由傅里叶变换红外分光光度计(FTIR)变为气体色谱法质量分析(GC-MS))7・表9:规定海外生产品日本・欧洲・澳州地区向以外的HCFC全废日期8・表13:规定欧洲向以外的填料及填料片中的温石棉的全废日期第5页共18页第4页共18页编号:时间:2021年x月x日书山有路勤为径,学海无涯苦作舟页码:第5页共18页三洋电机集团年月日:2006年9月15日第4版环境负荷化学物质管理基准(第4版)0.基本方针本基准指定等级程度1的对象(物质和用途),不容许应用于产品中。但是,设定容许浓度的物质在不超过容许值的范围时,容许含有。即使作为不纯物也不可以超过容许浓度。(1)可以进行定量測定的物质,考虑测定仪器及相关法规等,确定容许浓度及测定基准。(2)不容易进行定量测定的物质,则必须以书面互换形式明示未使用。另外、本标准是确定作为三洋电机集团的根本的必须标准、在我集团的各事业所有其独自追加制定的环境负荷化学物质或者更加严格化的管理标准的场合、必须服从其标准。1.用语定义(1)管理等级以下3类等级管理。№管理等级环境负荷化...

1、当您付费下载文档后,您只拥有了使用权限,并不意味着购买了版权,文档只能用于自身使用,不得用于其他商业用途(如 [转卖]进行直接盈利或[编辑后售卖]进行间接盈利)。
2、本站所有内容均由合作方或网友上传,本站不对文档的完整性、权威性及其观点立场正确性做任何保证或承诺!文档内容仅供研究参考,付费前请自行鉴别。
3、如文档内容存在违规,或者侵犯商业秘密、侵犯著作权等,请点击“违规举报”。

碎片内容

三洋电机集团环境负荷化学物质管理基准(第4版)

精品中小学资料+ 关注
实名认证
内容提供者

精品文档

确认删除?
VIP
微信客服
  • 扫码咨询
会员Q群
  • 会员专属群点击这里加入QQ群
客服邮箱
回到顶部