电脑桌面
添加小米粒文库到电脑桌面
安装后可以在桌面快捷访问

某工程模板方案77652185VIP免费

某工程模板方案77652185_第1页
1/62
某工程模板方案77652185_第2页
2/62
某工程模板方案77652185_第3页
3/62
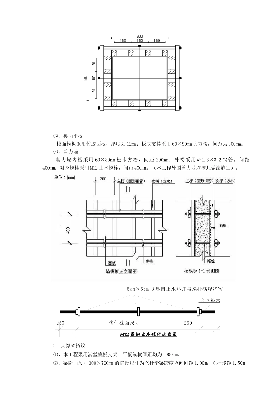
地下室模板专项施工方案一、编制依据1、施工合同2、施工图纸3、主要法规4、主要规程、规范《混凝土结构工程施工质量验收规范》GB50204—2002、《高层建筑混凝土结构技术规程》JGJ3—2002、《建筑施工扣件式钢管脚手架安全技术规范》JGJ130—2001、《建筑施工扣件式钢管模板支架技术规程》DB33/1035—2006。5、主要标准《建筑工程施工质量验收统一标准》GB50300—20016、《建筑施工手册》第五版7、公司文件和其它资料二、工程概况某工程二期一批多层住宅楼28#、29#、30#、31#、32#楼和3#地下车库工程,位于某市经济开发区,南临**国道,西靠**街,东侧是**街,北侧是**路,由**建筑设计院有限公司设计,**勘察研究院有限公司勘察,**监理有限公司监理,**质监站质监,总建筑面积为16751.1平方米,框架结构五层,半地下室,3#车库为地下一层。地下室梁规格主要有:300×400、300×500、300×600、300×700、300×1200、400×500、400×650、400×700、400×900、400×1400,半地下室梁规格主要有:200×350、200×400、200×450、200×500、200×600、200×650、200×820。地下室板厚200㎜,层高3.55米,半地下室板厚为110mm、150㎜,层高3.25米。三、支模材料的选用本工程采用以下支模材料:胶合板(厚度15mm):用于梁模板、柱模板等。竹胶板(厚度12mm):用于平板、剪力墙等。松木方料采用主楞(60×80)、次楞(40×60)。钢管(直管48mm,厚3.2mm):搭设支模架。扣件:用于支模钢管架体的连结与紧固。材质要有足够的刚度和稳定性。钢管和扣件必须具备三证,并经现场抽查复试合格后,方可使用。四、施工方案1、模板要求⑴、梁200—250mm宽的梁梁底模为胶合板加40×60mm方楞两根。300mm宽的梁的梁底模为胶合板加40×60mm方楞三根,400mm宽以上的梁梁底模为胶合板加40×60mm方楞四根且间距不超过150mm。梁侧模的40×60mm方楞纵向水平设置,间距也为250mm。300—500mm高的梁梁底60×80mm大方楞的间距为300mm,600—1400mm高的梁梁底60×80mm大方楞的间距为250mm。⑵、柱柱角采用错缝封合,方楞间距为180mm,钢管柱箍间距为400mm。柱截面600mm以上增加两根M12对拉螺栓。方楞搭接以钢管为界,伸出150mm。方楞采用60×80mm方楞,柱箍合并根数2根。⑶、楼面平板楼面模板采用竹胶面板,厚度为12mm;板底支撑采用60×80mm大方楞,间距为300mm。⑷、剪力墙剪力墙内楞采用60×80mm松木方档,间距200mm;外楞采用4.8×3.2钢管,间距400mm;对拉螺栓采用M12止水螺栓,间距400mm。(本工程外围剪力墙均按此做法施工)。5cm×5cm3厚圆止水环并与螺杆满焊严密18厚垫木250构件截面尺寸250M12圆钢止水螺杆示意图2、支撑架搭设⑴、本工程采用满堂模板支架,平板纵横间距均为1000mm。⑵、梁断面尺寸300×700mm的搭设尺寸为立杆沿梁跨度方向间距1.00m;立杆步距1.50m;板底承重立杆横向间距或排距1.10m;梁两侧立杆间距1.10m;梁底增加承重立杆根数:1,穿梁螺栓直径(mm):M10;间距(mm):500。⑶、梁断面尺寸300×1200mm的搭设尺寸为立杆沿梁跨度方向间距1.00m;立杆步距1.50m;板底承重立杆横向间距或排距1.10m;梁两侧立杆间距1.10m;梁底增加承重立杆根数:1,穿梁螺栓直径(mm):M10;间距(mm):500。⑷、梁断面尺寸400×700mm的搭设尺寸为立杆沿梁跨度方向间距0.9m;立杆步距1.50m;板底承重立杆横向间距或排距1.10m;梁两侧立杆间距1.10m;梁底增加承重立杆根数:1,穿梁螺栓直径(mm):M10;间距(mm):500。⑸、梁断面尺寸400×1400mm的搭设尺寸为立杆沿梁跨度方向间距0.6m;立杆步距1.50m;板底承重立杆横向间距或排距1.10m;梁两侧立杆间距0.9m;梁底增加承重立杆根数:1,穿梁螺栓直径(mm):M10;间距(mm):500。⑺⑹、梁断面尺寸200×650mm的搭设尺寸为立杆沿梁跨度方向间距1.00m;立杆步距1.50m;板底承重立杆横向间距或排距1.10m;梁两侧立杆间距1.00m;穿梁螺栓直径(mm):M10;间距(mm):500。⑺、梁断面尺寸200×820mm的搭设尺寸为立杆沿梁跨度方向间距1.00m;立杆步距1.50m;板底承重立杆横向间距或排距(m):1.10;梁两侧立杆间距(m):1.00。穿梁螺栓直径(mm):M10;间距(mm):500。⑻、顶...

1、当您付费下载文档后,您只拥有了使用权限,并不意味着购买了版权,文档只能用于自身使用,不得用于其他商业用途(如 [转卖]进行直接盈利或[编辑后售卖]进行间接盈利)。
2、本站所有内容均由合作方或网友上传,本站不对文档的完整性、权威性及其观点立场正确性做任何保证或承诺!文档内容仅供研究参考,付费前请自行鉴别。
3、如文档内容存在违规,或者侵犯商业秘密、侵犯著作权等,请点击“违规举报”。

碎片内容

某工程模板方案77652185

您可能关注的文档

确认删除?
VIP
微信客服
  • 扫码咨询
会员Q群
  • 会员专属群点击这里加入QQ群
客服邮箱
回到顶部