电脑桌面
添加小米粒文库到电脑桌面
安装后可以在桌面快捷访问

安全环保部岗位说明书VIP免费

安全环保部岗位说明书_第1页
1/52
安全环保部岗位说明书_第2页
2/52
安全环保部岗位说明书_第3页
3/52
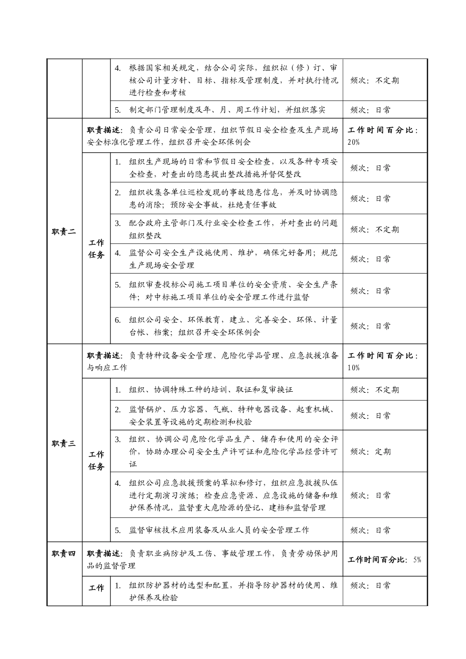
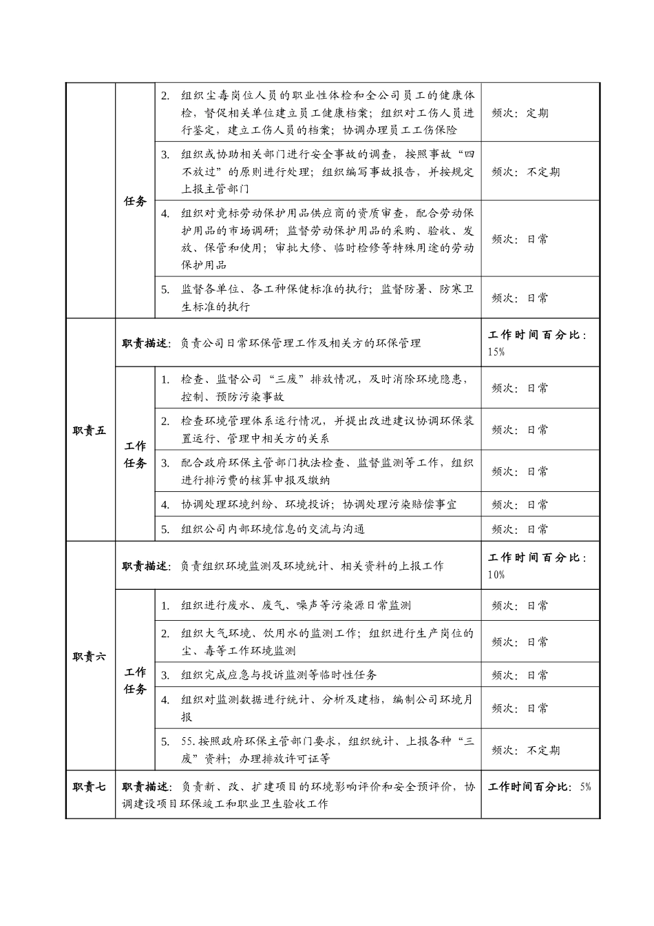
安全环保部安全环保部经理职务说明书岗位名称:安全环保部经理员工姓名:所属部门:安全环保部到任本职日期://工资级别范围:等级至等级目前工资级别:薪酬类型:岗位分析日期:2004年8月岗位编号:岗位定员:现有人数:1直接上级:生产副总经理直接下属部门/岗位:安全环保部副经理、安全管理组长、环保管理岗位设置目的:贯彻国家安全生产、环境保护、计量管理的法规、标准,建立科学、有效的安全、环境和计量监督管理体系,规范公司安全、环保和计量行为,预防安全和污染事故,确保公司安全、环保、计量管理目标的全面完成职责与工作任务:职责一职责描述:负责组织拟(修)订公司安全、环境、计量方针,目标,指标及管理制度;制定部门管理制度及工作计划;贯彻国家安全、环保和计量法规、标准,负责公司安全、环保、计量制度执行的监督与考核工作时间百分比:10%工作任务1.宣传、贯彻国家安全、环保和计量法规、标准;对公司安全生产、环境保护和计量工作的合法性组织评估频次:不定期2.根据国家相关规定,结合公司实际,组织拟(修)订、审核公司安全技术规程、管理制度、劳动保护用品标准、保健标准和防暑、防寒卫生标准,并对执行情进行检查和考核(含来公司施工单位)频次:不定期3.根据国家相关规定,结合公司实际,组织拟(修)订、审核公司环境方针、目标、指标及管理制度,并对执行情况进行检查和考核频次:不定期4.根据国家相关规定,结合公司实际,组织拟(修)订、审核公司计量方针、目标、指标及管理制度,并对执行情况进行检查和考核频次:不定期5.制定部门管理制度及年、月、周工作计划,并组织落实频次:日常职责二职责描述:负责公司日常安全管理,组织节假日安全检查及生产现场安全标准化管理工作,组织召开安全环保例会工作时间百分比:20%工作任务1.组织生产现场的日常和节假日安全检查,以及各种专项安全检查,对查出的隐患提出整改措施并督促整改频次:日常2.组织收集各单位巡检发现的事故隐患信息,并及时协调隐患的消除;预防安全事故,杜绝责任事故频次:日常3.配合政府主管部门及行业安全检查工作,并对查出的问题组织整改频次:不定期4.监督公司安全生产设施使用、维护,确保完好备用;规范生产现场安全管理频次:日常5.组织审查投标公司施工项目单位的安全资质、安全生产条件;对中标施工项目单位的安全管理工作进行监督频次:日常6.组织公司安全、环保教育,建立、完善安全、环保、计量台帐、档案;组织召开安全环保例会频次:日常职责三职责描述:负责特种设备安全管理、危险化学品管理、应急救援准备与响应工作工作时间百分比:10%工作任务1.组织、协调特殊工种的培训、取证和复审换证频次:不定期2.监督锅炉、压力容器、气瓶、特种电器设备、起重机械、安全装置等设施的定期检测和校验频次:日常3.组织、协调公司危险化学品生产、储存和使用的安全评价,协助办理公司安全生产许可证和危险化学品经营许可证频次:定期4.组织公司应急救援预案的草拟和修订,组织应急救援队伍进行定期演习演练;检查应急资源、应急设施的储备和维护保养情况,监督重大危险源的登记、建档和监督管理频次:日常5.监督审核技术应用装备及从业人员的安全管理工作频次:日常职责四职责描述:负责职业病防护及工伤、事故管理工作,负责劳动保护用品的监督管理工作时间百分比:5%工作1.组织防护器材的选型和配置,并指导防护器材的使用、维护保养及检验频次:日常任务2.组织尘毒岗位人员的职业性体检和全公司员工的健康体检,督促相关单位建立员工健康档案;组织对工伤人员进行鉴定,建立工伤人员的档案;协调办理员工工伤保险频次:定期3.组织或协助相关部门进行安全事故的调查,按照事故“四不放过”的原则进行处理;组织编写事故报告,并按规定上报主管部门频次:不定期4.组织对竟标劳动保护用品供应商的资质审查,配合劳动保护用品的市场调研;监督劳动保护用品的采购、验收、发放、保管和使用;审批大修、临时检修等特殊用途的劳动保护用品频次:日常5.监督各单位、各工种保健标准的执行;监督防暑、防寒卫生标准的执行频次:日常职责五职责描述:负责公司日常环保管理...

1、当您付费下载文档后,您只拥有了使用权限,并不意味着购买了版权,文档只能用于自身使用,不得用于其他商业用途(如 [转卖]进行直接盈利或[编辑后售卖]进行间接盈利)。
2、本站所有内容均由合作方或网友上传,本站不对文档的完整性、权威性及其观点立场正确性做任何保证或承诺!文档内容仅供研究参考,付费前请自行鉴别。
3、如文档内容存在违规,或者侵犯商业秘密、侵犯著作权等,请点击“违规举报”。

碎片内容

安全环保部岗位说明书

确认删除?
VIP
微信客服
  • 扫码咨询
会员Q群
  • 会员专属群点击这里加入QQ群
客服邮箱
回到顶部