电脑桌面
添加小米粒文库到电脑桌面
安装后可以在桌面快捷访问

压力管道定期检验规则VIP免费

压力管道定期检验规则_第1页
1/66
压力管道定期检验规则_第2页
2/66
压力管道定期检验规则_第3页
3/66
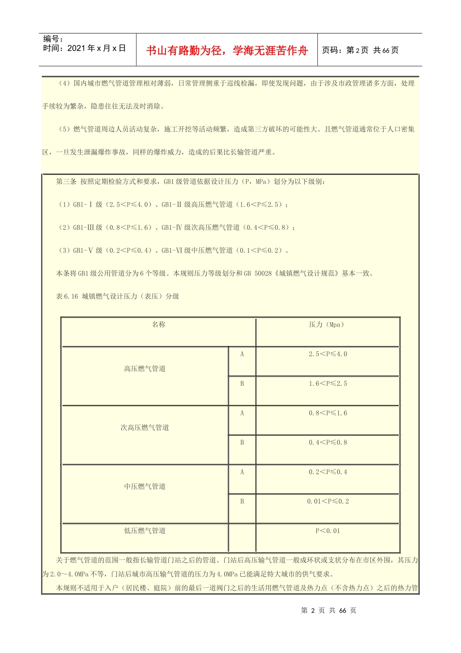
第1页共66页编号:时间:2021年x月x日书山有路勤为径,学海无涯苦作舟页码:第1页共66页10压力管道定期检验规则——公用管道一、综合知识二、年度检查三、全面检验与合于使用评价四、全面检验报告、合于使用评价报告与问题处理五、附录A公用管道年度检查项目及要求六、附录B公用管道全面检验项目及要求第一条为了规范公用管道检验工作,根据《特种设备安全监察条例》、《国务院对确需保留的行政审批项目设定行政许可的决定》和《压力管道安全管理与监察规定》,制定本规则。本条阐明了制定《压力管道定期检验规则—公用管道》的目的和依据。第二条本规则适用于《特种设备安全监察条例》、《压力管道安全管理与监察规定》规定的公用管道(以下简称管道)的定期检验。本条规定了该规则的适用范围。公用管道定义:公用管道系指城市或乡镇范围内的用于公用事业或民用的燃气管道和热力管道。目前,公用管道中燃气管道占较大比例。高压天然气管道一般与长输管道的设计标准是一致的,但中、低压市政管网建设和运行中执行标准与长输管道有很大的区别,管道的通过能力和清管维护的标准也不一致。燃气管道有以下特点:(1)城市燃气管道多为环状、枝状,阀门、三通及凝液缸等管件密布,管道变径较普遍;(2)城市燃气管道则随着城市建设的进展逐步形成,且不断拓展。由于投资来源复杂,设计、施工和验收标准往往参差不齐,质量缺陷相对较多。(3)城市燃气管道周边环境复杂,环境的改变有时为突变,另外,城市杂散电流干扰很普遍且严重。第2页共66页第1页共66页编号:时间:2021年x月x日书山有路勤为径,学海无涯苦作舟页码:第2页共66页(4)国内城市燃气管道管理相对薄弱,日常管理侧重于巡线检漏,即使发现问题,由于涉及市政管理诸多方面,处理手续较为繁杂,隐患往往无法及时消除。(5)燃气管道周边人员活动复杂,施工开挖等活动频繁,造成第三方破坏的可能性大。且燃气管道通常位于人口密集区,一旦发生泄漏爆炸事故,同样的爆炸威力,造成的后果比长输管道严重。第三条按照定期检验方式和要求,GB1级管道依据设计压力(P,MPa)划分为以下级别:(1)GB1-Ⅰ级(2.5<P≤4.0)、GB1-Ⅱ级高压燃气管道(1.6<P≤2.5);(2)GB1-Ⅲ级(0.8<P≤1.6)、GB1-Ⅳ级次高压燃气管道(0.4<P≤0.8);(3)GB1-Ⅴ级(0.2<P≤0.4)、GB1-Ⅵ级中压燃气管道(0.1<P≤0.2)。本条将GB1级公用管道分为6个等级。本规则压力等级划分和GB50028《城镇燃气设计规范》基本一致。表6.16城镇燃气设计压力(表压)分级名称压力(Mpa)高压燃气管道A2.5<P≤4.0B1.6<P≤2.5次高压燃气管道A0.8<P≤1.6B0.4<P≤0.8中压燃气管道A0.2<P≤0.4B0.01<P≤0.2低压燃气管道P<0.01关于燃气管道的范围一般指长输管道门站之后的管道。门站后高压输气管道一般成环状或支状分布在市区外围,其压力为2.0~4.0MPa不等,门站后城市高压输气管道的压力为4.0MPa已能满足特大城市的供气要求。本规则不适用于入户(居民楼、庭院)前的最后一道阀门之后的生活用燃气管道及热力点(不含热力点)之后的热力管第3页共66页第2页共66页编号:时间:2021年x月x日书山有路勤为径,学海无涯苦作舟页码:第3页共66页道。入户前的最后一道阀门之后的管道及其设施由经营者负责检验。第四条GB1管道定期检验的基本方式和要求如下:(一)GB1-I级、GB1-II级高压燃气管道,定期检验包括年度检查、全面检验与合于使用评价,定期检验要求(包括报告格式)参照《压力管道定期检验规则—长输(油气)管道》(TSGD7003),其地区级别按照GB50028-2006《城镇燃气设计规范》划分;(二)GB1-Ⅲ级次高压燃气管道,定期检验包括年度检查、全面检验与合于使用评价,定期检验要求按照本规则执行;(三)GB1-Ⅳ级次高压燃气管道、GB1-Ⅴ级和GB1-Ⅵ级中压燃气管道,定期检验包括年度检查和全面检验,定期检验要求按照本规则执行;城镇燃气输配系统中的门站、调压站(器)管道及其安全保护装置、附属设施的定期检验参照工业管道、压力容器定期检验有关要求执行。本条规定了燃气管道定期检验的基本方式和要求,GB1-Ⅲ级次高压燃气管道主要是1.6MPa的管道,这...

1、当您付费下载文档后,您只拥有了使用权限,并不意味着购买了版权,文档只能用于自身使用,不得用于其他商业用途(如 [转卖]进行直接盈利或[编辑后售卖]进行间接盈利)。
2、本站所有内容均由合作方或网友上传,本站不对文档的完整性、权威性及其观点立场正确性做任何保证或承诺!文档内容仅供研究参考,付费前请自行鉴别。
3、如文档内容存在违规,或者侵犯商业秘密、侵犯著作权等,请点击“违规举报”。

碎片内容

压力管道定期检验规则

教育教学文库+ 关注
实名认证
内容提供者

本店有大量的教育教学资料,课件

确认删除?
VIP
微信客服
  • 扫码咨询
会员Q群
  • 会员专属群点击这里加入QQ群
客服邮箱
回到顶部