电脑桌面
添加小米粒文库到电脑桌面
安装后可以在桌面快捷访问

华北光学仪器公司工艺所机加主任工艺师职位说明书VIP免费

华北光学仪器公司工艺所机加主任工艺师职位说明书_第1页
1/2
华北光学仪器公司工艺所机加主任工艺师职位说明书_第2页
2/2
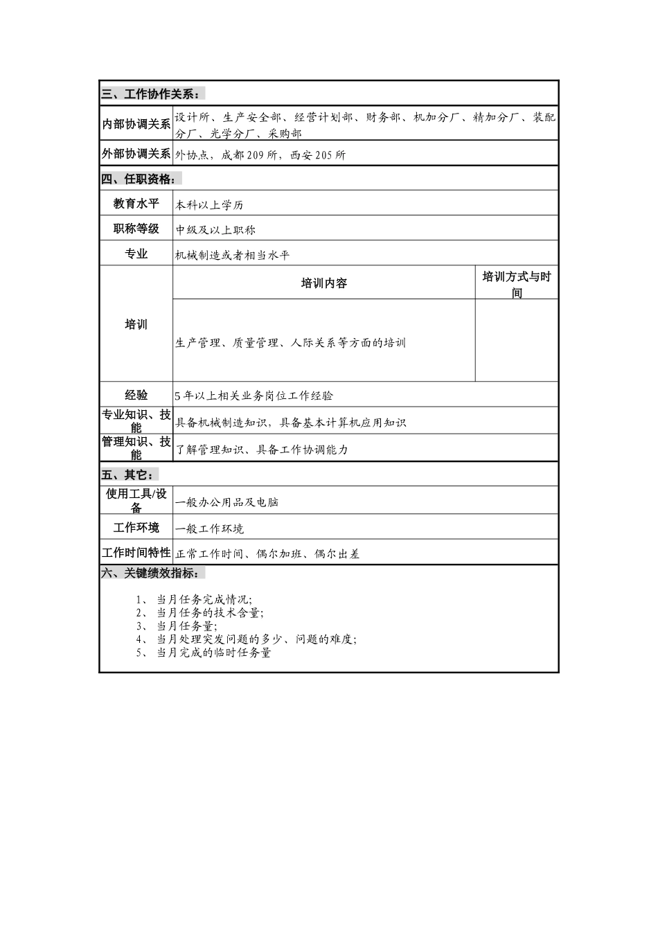
、机加主任工艺师职位说明书岗位名称机加主任工艺师所在部门工艺所机加工艺室直接上级所长直接下级岗位定员所辖人员一、职责与工作任务:职责一职责表述:根据工艺所年度工作计划、制定本室工作计划,并组织实施占全部工作时间的百分比:10%工作任务组织收集工艺所年度工作计划制定相关材料和数据根据工艺所工作规划,组织制定年度计划,上报所领导审批后,负责组织实施根据工艺所计划调整,负责工作计划的修订工作职责二职责表述:负责组织项目工艺文件的制定和实施占全部工作时间的百分比:80%工作任务参加产品方案和设计评审,对设计方案的装配和加工工艺及可生产性进行控制,并负责产品图工艺检查会签负责组织样机试生产阶段的工艺准备,关键、重要件工艺文件的编制,必备的工装及检测工艺的设计协同车间解决车间和试制中出现的工艺技术问题组织编制关键工序明细表,编制工序质量控制卡,进行关键工序分析负责编制生产定型阶段产品全套工艺规程,工艺的编制与设计,负责填写“工艺评审申请”和做好工艺评审的准备工作,组织首件鉴定工作负责组织生产定型工艺准备工作,撰写生产工艺总结报告编写产品批生产时的质量保证大纲职责三工作任务职责表述:协助上级对生产加工能力进行评估占全部工作时间的百分比:5%公司内部加工能力评估外协点加工能力评估职责四职责表述:完成上级交办的其它任务占全部工作时间的百分比:5%二、职权:权限1有对工艺文件、工装夹具的调整、修改权权限4有对关键、重要件加工定人、定设备的建议权权限3参与外协加工点考察定点的建议权权限4有对车间加工工艺纪律的监督检查权、三、工作协作关系:内部协调关系设计所、生产安全部、经营计划部、财务部、机加分厂、精加分厂、装配分厂、光学分厂、采购部外部协调关系外协点,成都209所,西安205所四、任职资格:教育水平本科以上学历职称等级中级及以上职称专业机械制造或者相当水平培训培训内容培训方式与时间生产管理、质量管理、人际关系等方面的培训经验5年以上相关业务岗位工作经验专业知识、技能具备机械制造知识,具备基本计算机应用知识管理知识、技能了解管理知识、具备工作协调能力五、其它:使用工具/设备一般办公用品及电脑工作环境一般工作环境工作时间特性正常工作时间、偶尔加班、偶尔出差六、关键绩效指标:1、当月任务完成情况;2、当月任务的技术含量;3、当月任务量;4、当月处理突发问题的多少、问题的难度;5、当月完成的临时任务量

1、当您付费下载文档后,您只拥有了使用权限,并不意味着购买了版权,文档只能用于自身使用,不得用于其他商业用途(如 [转卖]进行直接盈利或[编辑后售卖]进行间接盈利)。
2、本站所有内容均由合作方或网友上传,本站不对文档的完整性、权威性及其观点立场正确性做任何保证或承诺!文档内容仅供研究参考,付费前请自行鉴别。
3、如文档内容存在违规,或者侵犯商业秘密、侵犯著作权等,请点击“违规举报”。

碎片内容

华北光学仪器公司工艺所机加主任工艺师职位说明书

您可能关注的文档

确认删除?
VIP
微信客服
  • 扫码咨询
会员Q群
  • 会员专属群点击这里加入QQ群
客服邮箱
回到顶部