电脑桌面
添加小米粒文库到电脑桌面
安装后可以在桌面快捷访问

大空间智能消防灭火系统(川消)VIP免费

大空间智能消防灭火系统(川消)_第1页
1/27
大空间智能消防灭火系统(川消)_第2页
2/27
大空间智能消防灭火系统(川消)_第3页
3/27
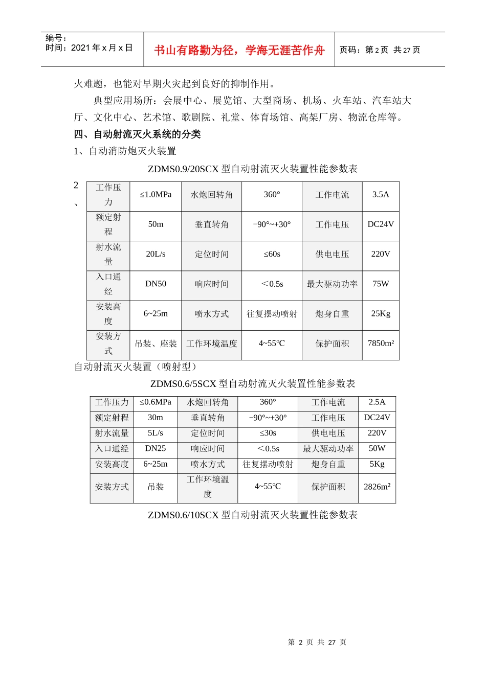
第1页共27页编号:时间:2021年x月x日书山有路勤为径,学海无涯苦作舟页码:第1页共27页大空间智能消防灭火系统大空间场所的定义:大空间场所是指民用和工业建筑物内净空高度大于8m,仓库建筑物内净空大于12m的场所。大空间灭火系统的分类:大空间智能灭火系统分为自动射流灭火系统和固定消防炮灭火系统。自动射流灭火系统是利用红外线、数字图像或其他火灾探测组件对火、温度等的探测进行早期火灾的自动跟踪定位,并运用自动控制方式来实现灭火的各种室内外固定射流灭火系统。系统由带探测组件及自动控制部分的灭火装置和消防供液部分组成。固定消防炮灭火系统是由固定消防炮和相应配置的系统组件组成的固定灭火系统。(说明:系统组件包括探测、控制等器件,因制造厂家不同而不同)下面以萃联(中国)消防设备制造有限公司制造的自动射流灭火系统和数字图像自动消防炮灭火系统作介绍:自动射流灭火系统一、工作原理当发生火灾时,先由紫外、红外火灾探测器探测到火源报警;并将火灾报警信号通过网络通讯系统传输给控制中心或直接传输给灭火装置的现场控制箱,启动自动射流灭火装置水平定位系统和垂直定位系统,将炮嘴对准火源,启动电磁阀喷水灭火,火被扑灭后,灭火装置自动关闭电磁阀,停止灭火,并自动重复巡视一周,确认无火点后,待机监视,如火复燃,自动射流灭火装置将重新启动,循环灭火。二、产品特点★自动准确定位、定点喷射★发现火情到定位喷水时间短(≤30S)★采用红外、紫外复合探测技术★模块化结构,安装、布线简单★现场手动、中心手动、自动控制功能、中心图像监控、实现可视化操作★免除水渍损失三、产品用途随着社会经济的蓬勃发展,各类高大建筑不断兴起,而高大空间的防火成为人们广泛关注的话题,运用自动射流灭火系统能够有效地解决这类场所的灭第2页共27页第1页共27页编号:时间:2021年x月x日书山有路勤为径,学海无涯苦作舟页码:第2页共27页火难题,也能对早期火灾起到良好的抑制作用。典型应用场所:会展中心、展览馆、大型商场、机场、火车站、汽车站大厅、文化中心、艺术馆、歌剧院、礼堂、体育场馆、高架厂房、物流仓库等。四、自动射流灭火系统的分类1、自动消防炮灭火装置ZDMS0.9/20SCX型自动射流灭火装置性能参数表2、自动射流灭火装置(喷射型)ZDMS0.6/5SCX型自动射流灭火装置性能参数表ZDMS0.6/10SCX型自动射流灭火装置性能参数表工作压力≤1.0MPa水炮回转角360°工作电流3.5A额定射程50m垂直转角-90°~+30°工作电压DC24V射水流量20L/s定位时间≤60s供电电压220V入口通经DN50响应时间<0.5s最大驱动功率75W安装高度6~25m喷水方式往复摆动喷射炮身自重25Kg安装方式吊装、座装工作环境温度4~55℃保护面积7850m²工作压力≤0.6MPa水炮回转角360°工作电流2.5A额定射程30m垂直转角-90°~+30°工作电压DC24V射水流量5L/s定位时间≤30s供电电压220V入口通经DN25响应时间<0.5s最大驱动功率50W安装高度6~25m喷水方式往复摆动喷射炮身自重5Kg安装方式吊装工作环境温度4~55℃保护面积2826m²第3页共27页第2页共27页编号:时间:2021年x月x日书山有路勤为径,学海无涯苦作舟页码:第3页共27页3、自动射流灭火装置(喷洒型)ZDMP0.25/5SCX型自动射流灭火装置性能参数表工作压力≤0.25MPa喷射流量5L/s入口通经DN40安装高度6~25m保护半径6m保护面积113m²工作环境温度4~55℃喷射方式旋转喷水ZDMP0.25/10SCX型自动射流灭火装置性能参数表工作压力≤0.25MPa喷射流量10L/s入口通经DN50安装高度6~25m保护半径8m保护面积200m²工作环境温度4~55℃喷射方式旋转喷水4、产品照片五、主要部件及技术参数1、复合探测器用于自动射流灭火系统中,配合ZDMP型自动射流灭火装置使用,自动消防水炮灭火装置自动射流灭火装置(喷射型)自动射流灭火装置(喷洒型)工作压力≤0.6MPa水炮回转角360°工作电流2.5A额定射程38m垂直转角-90°~+30°工作电压DC24V射水流量10L/s定位时间≤30s供电电压220V入口通经DN25响应时间<0.5s最大驱动功率50W安装高度6~25m喷水方式往复摆动喷射炮身自重6Kg安装方式吊装工作环境温度4~55℃保护面积4534m²第4页共27页第3页共27页编号:...

1、当您付费下载文档后,您只拥有了使用权限,并不意味着购买了版权,文档只能用于自身使用,不得用于其他商业用途(如 [转卖]进行直接盈利或[编辑后售卖]进行间接盈利)。
2、本站所有内容均由合作方或网友上传,本站不对文档的完整性、权威性及其观点立场正确性做任何保证或承诺!文档内容仅供研究参考,付费前请自行鉴别。
3、如文档内容存在违规,或者侵犯商业秘密、侵犯著作权等,请点击“违规举报”。

碎片内容

大空间智能消防灭火系统(川消)

确认删除?
VIP
微信客服
  • 扫码咨询
会员Q群
  • 会员专属群点击这里加入QQ群
客服邮箱
回到顶部