电脑桌面
添加小米粒文库到电脑桌面
安装后可以在桌面快捷访问

人力资源-2022JJF1033-XXXX计量标准考核申请表(全套)-副本VIP免费

人力资源-2022JJF1033-XXXX计量标准考核申请表(全套)-副本_第1页
1/56
人力资源-2022JJF1033-XXXX计量标准考核申请表(全套)-副本_第2页
2/56
人力资源-2022JJF1033-XXXX计量标准考核申请表(全套)-副本_第3页
3/56
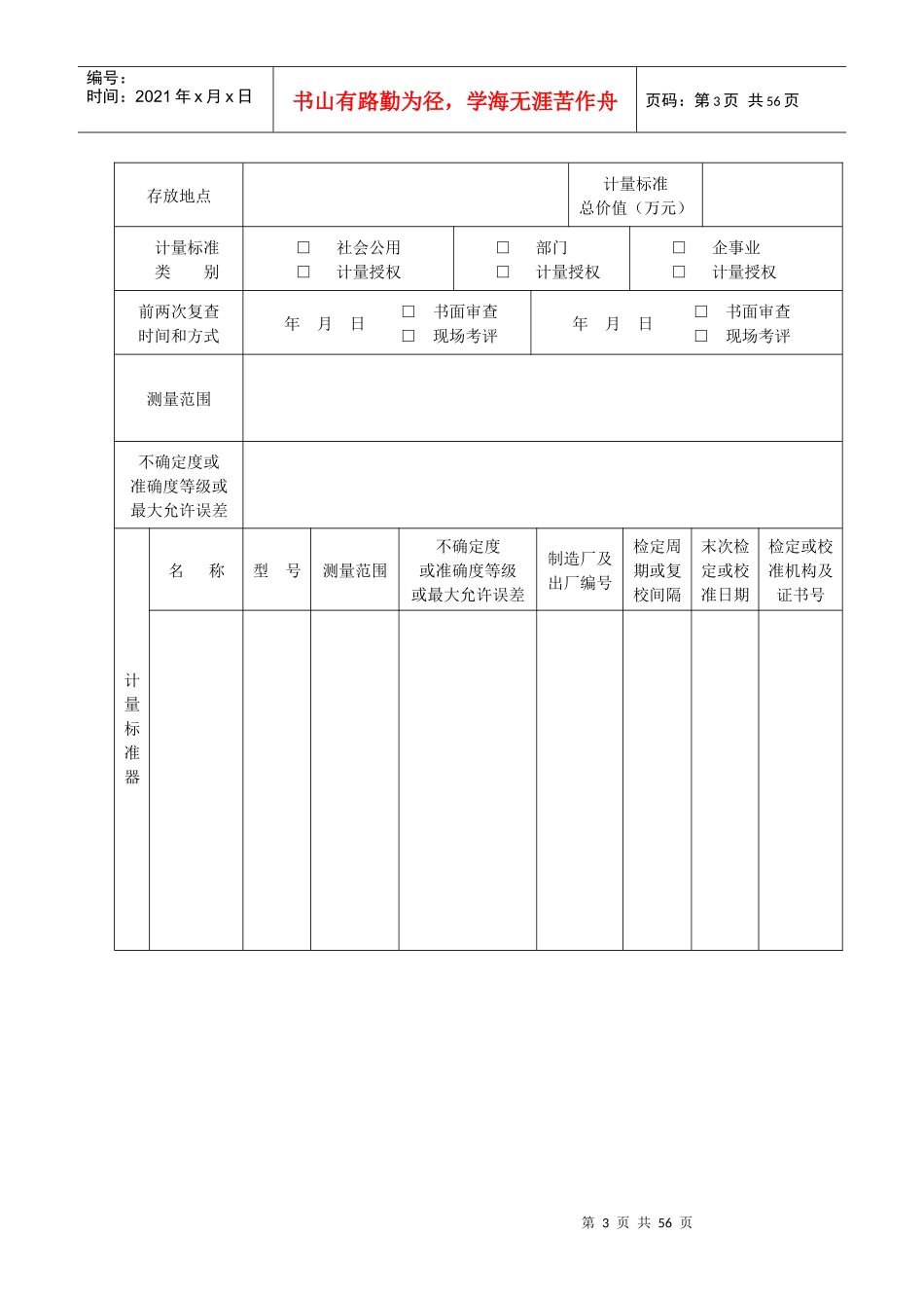
计量标准考核(复查)申请书[]量标证字第号计量标准名称计量标准代码申请考核单位组织机构代码单位地址邮政编码联系人联系电话年月日第2页共56页编号:时间:2021年x月x日书山有路勤为径,学海无涯苦作舟页码:第2页共56页说明1.根据《中华人民共和国计量法》的有关规定,凡建立社会公用计量标准或部门、企、事业单位最高计量标准,需经有关质量技术监督部门主持考核合格后方可使用。2.《计量标准考核(复查)申请书》一般使用A4复印纸,采用计算机打印,如果用墨水笔填写,要求字迹工整清晰。3.申请新建计量标准考核,申请考核单位应当提供以下资料:1)《计量标准考核(复查)申请书》原件和电子版各一份;2)《计量标准技术报告》原件一份;3)计量标准器及主要配套设备有效的检定或校准证书复印件一套;4)开展检定或校准项目的原始记录及相应的模拟检定或校准证书复印件两套;5)检定或校准人员资格证明复印件一套;6)可以证明计量标准具有相应测量能力的其他技术资料。7)如采用计量检定规程或国家计量校准规范以外的技术规范,应当提供技术规范和相应的证明文件复印件一套。4.申请计量标准复查考核,申请考核单位应当提供以下技术资料:1)《计量标准考核(复查)申请书》原件和电子版各一份;2)《计量标准考核证书》原件一份;3)《计量标准技术报告》原件一份;4)《计量标准考核证书》有效期内计量标准器及主要配套设备的连续、有效的检定或校准证书复印件一套;5)随机抽取该计量标准近期开展检定或校准工作的原始记录及相应的检定或校准证书复印件两套;6)《计量标准考核证书》有效期内连续的《计量标准重复性试验记录》复印件一套;7)《计量标准考核证书》有效期内连续的《计量标准稳定性考核记录》复印件一套;8)检定或校准人员资格证明复印件一套;9)计量标准更换申报表(如果适用)复印件一份;10)计量标准封存(或撤销)申报表(如果适用)复印件一份;11)可以证明计量标准具有相应测量能力的其他技术资料。注:只有申请复查考核时才填写计量标准考核证书号和复查时间和方式。计量标准名称计量标准考核证书号第3页共56页第2页共56页编号:时间:2021年x月x日书山有路勤为径,学海无涯苦作舟页码:第3页共56页存放地点计量标准总价值(万元)计量标准类别□社会公用□计量授权□部门□计量授权□企事业□计量授权前两次复查时间和方式年月日□书面审查□现场考评年月日□书面审查□现场考评测量范围不确定度或准确度等级或最大允许误差计量标准器名称型号测量范围不确定度或准确度等级或最大允许误差制造厂及出厂编号检定周期或复校间隔末次检定或校准日期检定或校准机构及证书号第4页共56页第3页共56页编号:时间:2021年x月x日书山有路勤为径,学海无涯苦作舟页码:第4页共56页主要配套设备环境条件及设施序号项目要求实际情况结论1温度2湿度345678检定或校姓名性别年龄从事本项目年限文化程度核准的检定或校准项目资格证书名称及注册编号发证机关第5页共56页第4页共56页编号:时间:2021年x月x日书山有路勤为径,学海无涯苦作舟页码:第5页共56页准人员第6页共56页第5页共56页编号:时间:2021年x月x日书山有路勤为径,学海无涯苦作舟页码:第6页共56页序号名称是否具备备注1计量标准考核证书(如果适用)2社会公用计量标准证书(如果适用)3计量标准考核(复查)申请书4计量标准技术报告5计量标准的重复性试验记录6计量标准的稳定性考核记录7计量标准更换申报表(如果适用)8计量标准封存(或撤销)申报表(如果适用)9计量标准履历书10国家计量检定系统表(如果适用)11计量检定规程或技术规范12计量标准操作程序13计量标准器及主要配套设备使用说明书(如果适用)14计量标准器及主要配套设备的检定证书或校准证书15检定或校准人员的资格证明16实验室的相关管理制度16.1实验室岗位管理制度16.2计量标准使用维护管理制度16.3量值溯源管理制度16.4环境条件及设施管理制度16.5计量检定规程或技术规范管理制度16.6原始记录及证书管理制度16.7事故报告管理制度16.8计量标准文件集管理制度17开展检定或校准工作的原始记录及相应的检定或校准证书副本第7页共56页第6页共56页...

1、当您付费下载文档后,您只拥有了使用权限,并不意味着购买了版权,文档只能用于自身使用,不得用于其他商业用途(如 [转卖]进行直接盈利或[编辑后售卖]进行间接盈利)。
2、本站所有内容均由合作方或网友上传,本站不对文档的完整性、权威性及其观点立场正确性做任何保证或承诺!文档内容仅供研究参考,付费前请自行鉴别。
3、如文档内容存在违规,或者侵犯商业秘密、侵犯著作权等,请点击“违规举报”。

碎片内容

人力资源-2022JJF1033-XXXX计量标准考核申请表(全套)-副本

您可能关注的文档

确认删除?
VIP
微信客服
  • 扫码咨询
会员Q群
  • 会员专属群点击这里加入QQ群
客服邮箱
回到顶部