电脑桌面
添加小米粒文库到电脑桌面
安装后可以在桌面快捷访问

合肥市建设工程琥珀杯奖VIP免费

合肥市建设工程琥珀杯奖_第1页
1/10
合肥市建设工程琥珀杯奖_第2页
2/10
合肥市建设工程琥珀杯奖_第3页
3/10
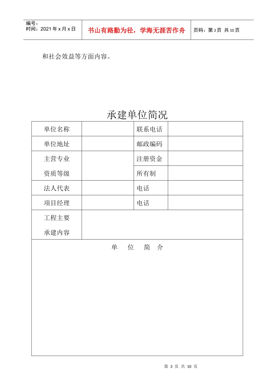
第1页共10页编号:时间:2021年x月x日书山有路勤为径,学海无涯苦作舟页码:第1页共10页合肥市建设工程“琥珀杯”奖(市优质工程)申报表工程名称:申报单位(公章):申报日期:年月日第2页共10页第1页共10页编号:时间:2021年x月x日书山有路勤为径,学海无涯苦作舟页码:第2页共10页填表说明1、本表由承建单位填写。要求内容真实、准确、文字清楚。2、填写的工程名称必须与立项批文的工程名称一致。如有更改,应说明并需有关单位的证明文件。3、单位名称必须与相应的承包合同中的单位名称(公章)一致。如有更名,要有相应的批准文件。4、单位简介主要填写单位的基本情况及主要业绩。5、工程类别一栏,按(1)公共建筑工程类,(2)住宅工程类分类填写。6、申报说明按“琥珀杯”奖的申报条件逐项加以说明。7、工程质量情况一览表中,质量验收结论以单位工程质量竣工验收记录为准。如所申报工程是一个单位工程,应填写各分部工程质量验收结论;如所申报工程含多个单位工程,则需填写每个单位工程质量验收结论,表格不够可另加附页。8、工程质量情况简介主要填写施工的特点、难点,主要施工方法和推广应用新技术情况,以及保证工程质量所采取的措施及取得的效果。9、经济效益是指施工企业合理组织施工,在缩短工期、节省劳力、节约材料、降低成本和保证质量等方面取得的综合效益。10、使用单位、主管单位等意见,应含有工程质量水平及经济第3页共10页第2页共10页编号:时间:2021年x月x日书山有路勤为径,学海无涯苦作舟页码:第3页共10页和社会效益等方面内容。承建单位简况单位名称联系电话单位地址邮政编码主营专业注册资金资质等级所有制法人代表电话项目经理电话工程主要承建内容单位简介第4页共10页第3页共10页编号:时间:2021年x月x日书山有路勤为径,学海无涯苦作舟页码:第4页共10页申报参建单位及监理单位简况参建单位1单位名称(公章)联系电话单位地址邮政编码工程主要主营专业及参建内容资质等级合同造价(万元)所有制法人代表电话参建单位2单位名称(公章)联系电话单位地址邮政编码工程主要主营专业及参建内容资质等级合同造价(万元)所有制法人代表电话参建单位3单位名称(公章)联系电话单位地址邮政编码工程主要主营专业及参建内容资质等级合同造价(万元)所有制法人代表电话监理单单位名称(公章)单位地址邮政编码第5页共10页第4页共10页编号:时间:2021年x月x日书山有路勤为径,学海无涯苦作舟页码:第5页共10页位联系电话所有制主营专业资质等级监理合同价款(万元)法人代表电话申报说明第6页共10页第5页共10页编号:时间:2021年x月x日书山有路勤为径,学海无涯苦作舟页码:第6页共10页申报工程概况工程名称建设地点开工时间年月日竣工时间年月日验收时间年月日工程造价预算价:(万元)结算价:(万元)工程类别面积或规模m2(或)层数层(地下层)结构类型总高度建设单位设计单位监理单位第7页共10页第6页共10页编号:时间:2021年x月x日书山有路勤为径,学海无涯苦作舟页码:第7页共10页验收组织及其对工程的评价监理单位及对工程质量的评价意见:监理单位(公章)年月日项目经理概况项目经理所在单位(公章):姓名性别年龄资质等级证书编号职称是否担任其它职务从事本专业时间联系电话邮编通讯地址本工程创奖的主要经验及做法:第8页共10页第7页共10页编号:时间:2021年x月x日书山有路勤为径,学海无涯苦作舟页码:第8页共10页施工工期(含合同工期和实际开工至竣工的施工施工时期)经济效益情况(施工企业在该工程上实现的综合经济效益)使用单位(或建设单位)意见:单位(公章)年月日工程质量情况一览表序号单位(分部)工程名称分部(分项)工程数质量验收结论第9页共10页第8页共10页编号:时间:2021年x月x日书山有路勤为径,学海无涯苦作舟页码:第9页共10页合计单位(分部)工程个数注:单位、分部及分项工程分别包括子单位、子分部及子分项;由多个单位工程构成的项目,第2、3列分别填单位、分部工程情况:申报项目为一个单位工程时,填括号中的内容。工程质量情况简介市质量监督机构意见:.(公章)年月日第10页共10页第9页共10页编号:时间:2021年x月x日书山...

1、当您付费下载文档后,您只拥有了使用权限,并不意味着购买了版权,文档只能用于自身使用,不得用于其他商业用途(如 [转卖]进行直接盈利或[编辑后售卖]进行间接盈利)。
2、本站所有内容均由合作方或网友上传,本站不对文档的完整性、权威性及其观点立场正确性做任何保证或承诺!文档内容仅供研究参考,付费前请自行鉴别。
3、如文档内容存在违规,或者侵犯商业秘密、侵犯著作权等,请点击“违规举报”。

碎片内容

合肥市建设工程琥珀杯奖

确认删除?
VIP
微信客服
  • 扫码咨询
会员Q群
  • 会员专属群点击这里加入QQ群
客服邮箱
回到顶部