电脑桌面
添加小米粒文库到电脑桌面
安装后可以在桌面快捷访问

大壁厚、大口径、高压力输气管道的不停输开孔封堵技术VIP免费

大壁厚、大口径、高压力输气管道的不停输开孔封堵技术_第1页
1/13
大壁厚、大口径、高压力输气管道的不停输开孔封堵技术_第2页
2/13
大壁厚、大口径、高压力输气管道的不停输开孔封堵技术_第3页
3/13
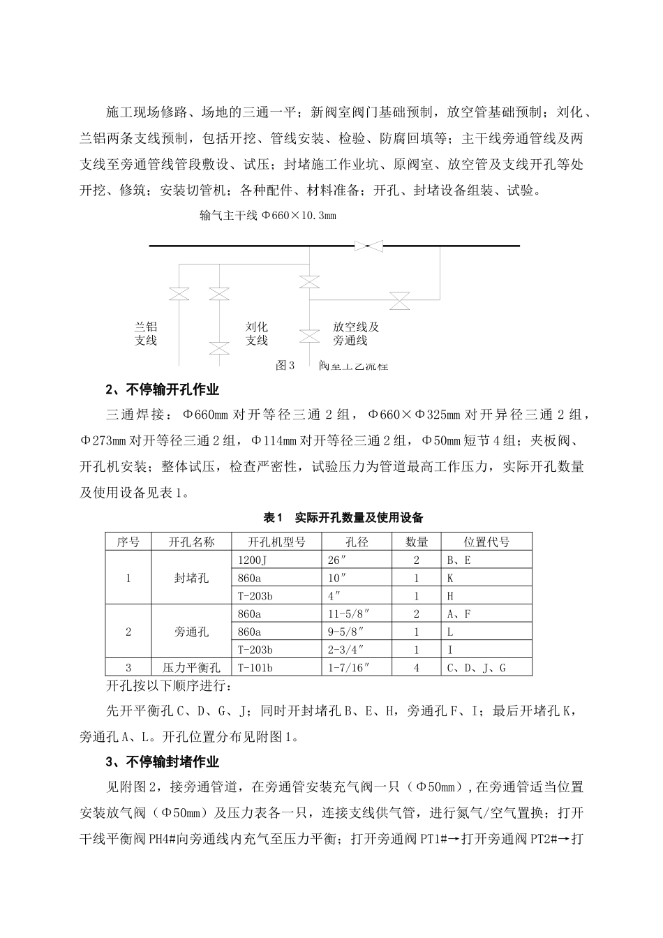
大壁厚、大口径、高压力输气管道的不停输开孔封堵兰州输气分公司韩忠晨任增珺王成明孙华摘要介绍了大壁厚、大口径、高压力输气管道的不停输开孔封堵的操作及注意事项,通过输气管道开孔封堵实例,掌握在高压力情况下焊接、开孔、封堵的经验,为今后管道施工、改造提供依据。无论输送何种介质的管道,在运行中除了进行有计划的维修和改造外,更避免不了突发性事故的抢修(如带压抢修、更换腐蚀管段、加装装置、分输改造等作业)。对管道进行维修的一般情况有:一是根据外界环境等因素的需要对管道进行改线;二是经智能检测后发现问题隐患,评估确认必须及时采取修补、或者更换管段等措施,以便消除事故隐患;三是管道发生突发事故,必须尽快进行抢修,以便最大限度减少事故造成的损失特别是给环境造成的严重危害。这些都要求在管道运行过程中对其进行维修。过去传统的做法必须停输,清空管线后才能进行,或只能采取一些临时性补救措施,给管线的安全运行带来了极大的隐患,经济上也造成很大的损失,而且会给管道业主的商业声誉造成不良的影响。因此选用国外适用于各种管径的带压开孔、封堵设备,可完成管道在不停输状态下的开孔、封堵、换管、修补等特殊作业,解决了管道在线维修存在的上述问题,使维修既迅速又经济可靠。管道不停输机械封堵的一般原理是首先在运行管线上焊接(或机械连接)四个对开三通(其中两侧的为旁通三通,中间两个为封堵三通),三通上加装夹板阀(专用阀),夹板阀上安装开孔机,这样开孔机、夹板阀、三通形成一个密闭腔体,然后利用动力源(液压或气动、手动)进行全密闭开孔,随机带出切割下的鞍型板,从而完成带压开孔过程。关闭夹板阀后,拆除开孔机。其次在旁通三通夹板阀上连接旁通线,并导通输送介质,从而实现干线旁通线同时输送介质,此时安装封堵器到封堵三通夹板阀上,并以机械手段按规程下封堵,从而实现被改造抢修段管道输送介质停止流动,全部介质走旁通线,然后达到安全改造抢修的目的。典型的不停输封堵改造流程见图1。上游封堵区动火改造区下游封堵区图1典型不停输封堵工艺流程涩宁兰输气管道起自青海涩北气田,途经青海、甘肃两省至兰州,全长929.6km,设计压力6.4MPa,口径Φ660mm,壁厚分别为7.1mm、8.7mm、10.3mm、14.2mm,全部干线采用等强度设计,担负着涩北气田天然气外输任务。2001年甘肃省修建兰州至海石湾高速公路,在兰州市红古区达家湾与我管道交叉,高速公路高架桥从30#阀室正上方经过,严重威胁涩宁兰输气管道安全,为保证管道和高速公路的安全运行,我公司与甘肃省各部门多次协商,决定将30#阀室向下游搬迁140m(此处管线壁厚为10.3mm),同时将刘化Φ273×6mm、兰铝支线Φ114×4.4mm延长。30#阀室位于涩宁兰输气管道890km+445m处,距29#阀室14.115km,距31#阀室15.143km。根据下游用户生产、生活需求,涩宁兰管道不能够停输,因此,本工程必须进行不停输开孔、封堵作业,同时封堵刘化、兰铝支线,并将其延长至新阀室。将原阀室所有设备、管道拆除,安装在新阀室内,原阀室使用Φ660×10.3mm管道连接。阀室外网见图2、阀室工艺流程见图3。图2阀室外网2002年8月3日至13日,对涩宁兰输气管线进行带压焊接、开孔、封堵作业,具体操作步骤如下。1、准备工作施工现场修路、场地的三通一平;新阀室阀门基础预制,放空管基础预制;刘化、兰铝两条支线预制,包括开挖、管线安装、检验、防腐回填等;主干线旁通管线及两支线至旁通管线管段敷设、试压;封堵施工作业坑、原阀室、放空管及支线开孔等处开挖、修筑;安装切管机;各种配件、材料准备;开孔、封堵设备组装、试验。输气主干线Φ660×10.3mm图3阀室工艺流程2、不停输开孔作业三通焊接:Φ660mm对开等径三通2组,Φ660×Φ325mm对开异径三通2组,Φ273mm对开等径三通2组,Φ114mm对开等径三通2组,Φ50mm短节4组;夹板阀、开孔机安装;整体试压,检查严密性,试验压力为管道最高工作压力,实际开孔数量及使用设备见表1。表1实际开孔数量及使用设备序号开孔名称开孔机型号孔径数量位置代号1封堵孔1200J26″2B、E860a10″1KT-203b4″1H2旁通孔860a11-5/8″2A、F860a9-5/8″1LT-203b2-3...

1、当您付费下载文档后,您只拥有了使用权限,并不意味着购买了版权,文档只能用于自身使用,不得用于其他商业用途(如 [转卖]进行直接盈利或[编辑后售卖]进行间接盈利)。
2、本站所有内容均由合作方或网友上传,本站不对文档的完整性、权威性及其观点立场正确性做任何保证或承诺!文档内容仅供研究参考,付费前请自行鉴别。
3、如文档内容存在违规,或者侵犯商业秘密、侵犯著作权等,请点击“违规举报”。

碎片内容

大壁厚、大口径、高压力输气管道的不停输开孔封堵技术

教育教学文库+ 关注
实名认证
内容提供者

本店有大量的教育教学资料,课件

确认删除?
VIP
微信客服
  • 扫码咨询
会员Q群
  • 会员专属群点击这里加入QQ群
客服邮箱
回到顶部