电脑桌面
添加小米粒文库到电脑桌面
安装后可以在桌面快捷访问

人力资源-202212864液晶屏学习使用手册VIP免费

人力资源-202212864液晶屏学习使用手册_第1页
1/26
人力资源-202212864液晶屏学习使用手册_第2页
2/26
人力资源-202212864液晶屏学习使用手册_第3页
3/26
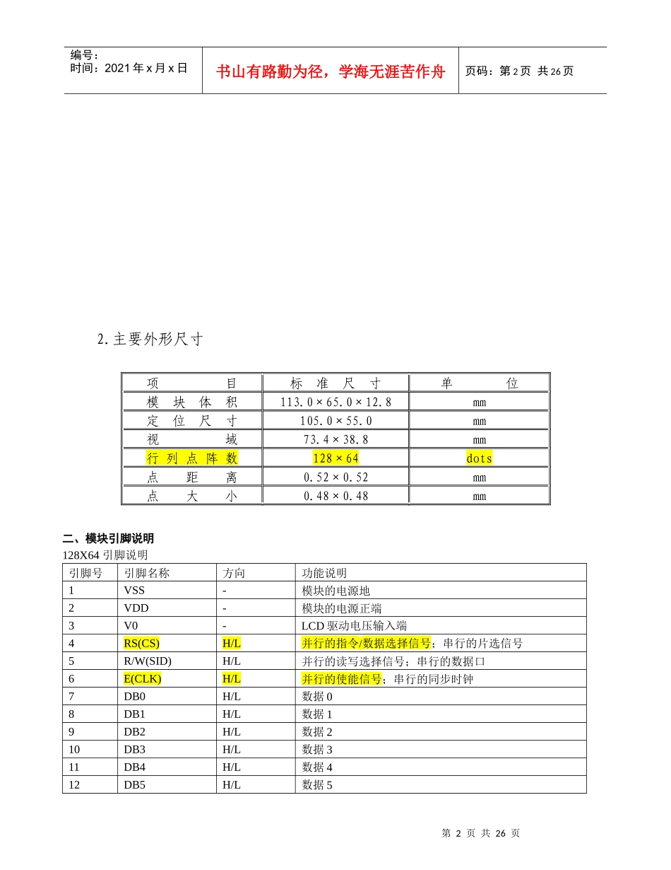
第1页共26页编号:时间:2021年x月x日书山有路勤为径,学海无涯苦作舟页码:第1页共26页12864液晶屏学习手册一、液晶显示模块概述12864A-1汉字图形点阵液晶显示模块,可显示汉字及图形,内置8192个中文汉字(16X16点阵,16*8=128,16*4=64,一行只能写8个汉字,4行;)、128个字符(8X16点阵)及64X256点阵显示RAM(GDRAM)。主要技术参数和显示特性:电源:VDD3.3V~+5V(内置升压电路,无需负压);显示内容:128列×64行(128表示点数)显示颜色:黄绿显示角度:6:00钟直视LCD类型:STN与MCU接口:8位或4位并行/3位串行配置LED背光多种软件功能:光标显示、画面移位、自定义字符、睡眠模式等二、外形尺寸1.外形尺寸图第2页共26页第1页共26页编号:时间:2021年x月x日书山有路勤为径,学海无涯苦作舟页码:第2页共26页2.主要外形尺寸项目标准尺寸单位模块体积113.0×65.0×12.8mm定位尺寸105.0×55.0mm视域73.4×38.8mm行列点阵数128×64dots点距离0.52×0.52mm点大小0.48×0.48mm二、模块引脚说明128X64引脚说明引脚号引脚名称方向功能说明1VSS-模块的电源地2VDD-模块的电源正端3V0-LCD驱动电压输入端4RS(CS)H/L并行的指令/数据选择信号;串行的片选信号5R/W(SID)H/L并行的读写选择信号;串行的数据口6E(CLK)H/L并行的使能信号;串行的同步时钟7DB0H/L数据08DB1H/L数据19DB2H/L数据210DB3H/L数据311DB4H/L数据412DB5H/L数据5第3页共26页第2页共26页编号:时间:2021年x月x日书山有路勤为径,学海无涯苦作舟页码:第3页共26页13DB6H/L数据614DB7H/L数据715PSBH/L并/串行接口选择:H-并行;L-串行16NC空脚17/RETH/L复位低电平有效18NC空脚19LED_A-背光源正极(LED+5V)20LED_K-背光源负极(LED-OV)逻辑工作电压(VDD):4.5~5.5V电源地(GND):0V工作温度(Ta):0~60(℃常温)/-20~75℃(宽温)三、接口时序模块有并行和串行两种连接方法(时序如下):8位并行连接时序图MPU写资料到模块MPU从模块读出资料第4页共26页第3页共26页编号:时间:2021年x月x日书山有路勤为径,学海无涯苦作舟页码:第4页共26页2、串行连接时序图串行数据传送共分三个字节完成:第一字节:串口控制—格式11111ABCA为数据传送方向控制:H表示数据从LCD到MCU,L表示数据从MCU到LCDB为数据类型选择:H表示数据是显示数据,L表示数据是控制指令C固定为0第二字节:(并行)8位数据的高4位—格式DDDD0000第三字节:(并行)8位数据的低4位—格式0000DDDD串行接口时序参数:(测试条件:T=25VDD=4.5V)℃第5页共26页第4页共26页编号:时间:2021年x月x日书山有路勤为径,学海无涯苦作舟页码:第5页共26页四、用户指令集1、指令表1:(RE=0:基本指令集)指令指令码说明执行时间(540KHZ)RSRWDB7DB6DB5DB4DB3DB2DB1DB0清除显示0000000001将DDRAM填满“20H”,并且设定DDRAM的地址计数器(AC)到“00H”4.6ms地址归位000000001X设定DDRAM的地址计数器(AC)到“00H”,并且将游标移到开头原点位置;这个指令并不改变DDRAM的内容4.6ms进入点设定00000001I/DS指定在资料的读取与写入时,设定游标移动方向及指定显示的移位72us显示状态开/关0000001DCBD=1:整体显示ONC=1:游标ONB=1:游标位置ON72us第6页共26页第5页共26页编号:时间:2021年x月x日书山有路勤为径,学海无涯苦作舟页码:第6页共26页游标或显示移位控制000001S/CR/LXX设定游标的移动与显示的移位控制位元;这个指令并不改变DDRAM的内容72us功能设定00001DLX0REXXDL=1(必须设为1)RE=1:扩充指令集动作RE=0:基本指令集动作72us设定CGRAM地址0001AC5AC4AC3AC2AC1AC0设定CGRAM地址到地址计数器(AC)72us设定DDRAM地址001AC6AC5AC4AC3AC2AC1AC0设定DDRAM地址到地址计数器(AC)72us读取忙碌标志(BF)和地址01BFAC6AC5AC4AC3AC2AC1AC0读取忙碌标志(BF)可以确认内部动作是否完成,同时可以读出地址计数器(AC)的值0us写资料到RAM10D7D6D5D4D3D2D1D0写入资料到内部的RAM(DDRAM/CGRAM/IRAM/GDRAM)72us读出RAM的值11D7D6D5D4D3D2D1D0从内部RAM读取资料(DDRAM/CGRAM/IRAM/GDRAM)72us指令表—2:(RE=1:扩充指令集)指令指令码说明执行时间(540KHZ)RSRWDB7...

1、当您付费下载文档后,您只拥有了使用权限,并不意味着购买了版权,文档只能用于自身使用,不得用于其他商业用途(如 [转卖]进行直接盈利或[编辑后售卖]进行间接盈利)。
2、本站所有内容均由合作方或网友上传,本站不对文档的完整性、权威性及其观点立场正确性做任何保证或承诺!文档内容仅供研究参考,付费前请自行鉴别。
3、如文档内容存在违规,或者侵犯商业秘密、侵犯著作权等,请点击“违规举报”。

碎片内容

人力资源-202212864液晶屏学习使用手册

您可能关注的文档

确认删除?
VIP
微信客服
  • 扫码咨询
会员Q群
  • 会员专属群点击这里加入QQ群
客服邮箱
回到顶部