电脑桌面
添加小米粒文库到电脑桌面
安装后可以在桌面快捷访问

福建首尚陈列展示用品有限公司品管部岗位职责说明书VIP免费

福建首尚陈列展示用品有限公司品管部岗位职责说明书_第1页
1/17
福建首尚陈列展示用品有限公司品管部岗位职责说明书_第2页
2/17
福建首尚陈列展示用品有限公司品管部岗位职责说明书_第3页
3/17
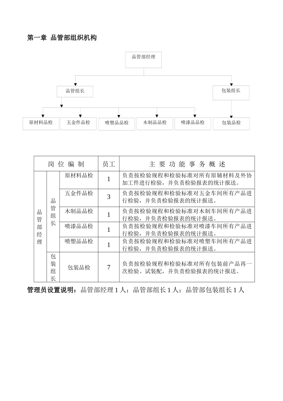
福建首尚陈列展示用品有限公司来自资料搜索网(www.3722.cn)海量资料下载品管部岗位职责说明书版本/修订:A/0发布日期:2010-12-01生效日期:2010-12-01文件编号:WI—001受控状态:批准:审核:编制:目录第一章品管部组织机构…………………………………………………3第二章品管部岗位职责说明书……………………………………………4品管部经理…………………………………………………………4一、品管组长………………………………………………………5二、进料品检员……………………………………………………6三、五金品检员……………………………………………………7四、木制品检员……………………………………………………8五、喷塑品检员……………………………………………………9六、喷漆品检员……………………………………………………10七、包装组长………………………………………………………11八、包装品检员……………………………………………………12第三章品管部工作流程…………………………………………………13第四章品管部规章制度…………………………………………………15原材料品检五金件品检木制品品检喷漆品品检包装组长包装品检品管部经理品管组长喷塑品品检第一章品管部组织机构岗位编制员工主要功能事务概述品管部经理品管组长原材料品检1负责按检验规程和检验标准对所有原辅材料及外协加工件进行检验,并负责检验报表的统计报送。五金件品检3负责按检验规程和检验标准对五金车间所有产品进行检验,并负责检验报表的统计报送。木制品品检1负责按检验规程和检验标准对木制车间所有产品进行检验,并负责检验报表的统计报送。喷漆品品检1负责按检验规程和检验标准对喷漆车间所有产品进行检验,并负责检验报表的统计报送。喷塑品品检1负责按检验规程和检验标准对喷塑车间所有产品进行检验,并负责检验报表的统计报送。包装组长包装品检7负责按检验规程和检验标准对所有包装前产品再一次检验、试装配,并负责检验报表的统计报送。管理员设置说明:品管部经理1人;品管部组长1人;品管部包装组长1人第二章品管部岗位职责说明书品管部经理部门名称品管部直接上级总经理职位名称经理下属部门/下属职位组长主要工作内容和职责1、对本部门的工作效率、工作质量负总责,担任本部门消防、安全生产、5S推行、检验设备管理、文件资料管理总责任人。负责品管部内部日常运作的管理及部属员工的工作安排、培训、考勤考核。2、根据企业经营、品质、5S等方针目标要求,负责本部门内方针目标展开和检查、诊断、落实。负责完善制订本部门文件及文件及时修订工作。3、负责对品管部所属区域卫生、各车间环境卫生、个人卫生、所使用包装材料的监督抽查工作。负责产品内在质量不合格的跟踪与协调。4、负责对成品、半成品检验、退货产品检验的监督管理。5、负责质检检验规程、规则和部门管理规章的制订或修订、审核。6、完成上级交给的各项临时任务。工作标准1、在允许范围内检验设备的正常使用无损坏;2、产品出货后不因产品质量而投诉;、对发现的不合格情况未及时提出或未彻底跟踪至解决。3、因管理不善,造成本部门资产受到异常损坏、损失。4、因用人不当、管理不严、培训欠妥、督导不力而造成部属员工的失职、工作效率和质量低下及违反企业其他规章制度。5、本部门方针目标未及时展开、检查、诊断和落实。6、其他过失、失职及违规违纪。工作权限1、有权处理和决策品管部日常事务;对本部门人员的配备及调动、调整、奖惩、晋(降)级有参与审定权。2、有权检查公司会议中有关于原料、半成品、成品、退货产品、车间环境及设备设施卫生、品质方面决议的执行、落实情况,对不执行决议而影响进度者有权追究责任。3、对违反品质管理、卫生管理、5S规章制度的单位与个人有制止、要求整改和处罚建议权。4、在有需要时有权对企业相关干部、员工提出质量、卫生管理培训的要求并经批准后实施。5、对原料、生产用料、半成品、成品、退货产品、车间环境卫生、车间人员及设备设施卫生检测结果有权依据相关规章制度、标准规范作出合格与否的最终核定(审批)。6、有权对品质异常的物料、...

1、当您付费下载文档后,您只拥有了使用权限,并不意味着购买了版权,文档只能用于自身使用,不得用于其他商业用途(如 [转卖]进行直接盈利或[编辑后售卖]进行间接盈利)。
2、本站所有内容均由合作方或网友上传,本站不对文档的完整性、权威性及其观点立场正确性做任何保证或承诺!文档内容仅供研究参考,付费前请自行鉴别。
3、如文档内容存在违规,或者侵犯商业秘密、侵犯著作权等,请点击“违规举报”。

碎片内容

福建首尚陈列展示用品有限公司品管部岗位职责说明书

确认删除?
VIP
微信客服
  • 扫码咨询
会员Q群
  • 会员专属群点击这里加入QQ群
客服邮箱
回到顶部