电脑桌面
添加小米粒文库到电脑桌面
安装后可以在桌面快捷访问

监理资料整理需注意的细节VIP免费

监理资料整理需注意的细节_第1页
1/7
监理资料整理需注意的细节_第2页
2/7
监理资料整理需注意的细节_第3页
3/7
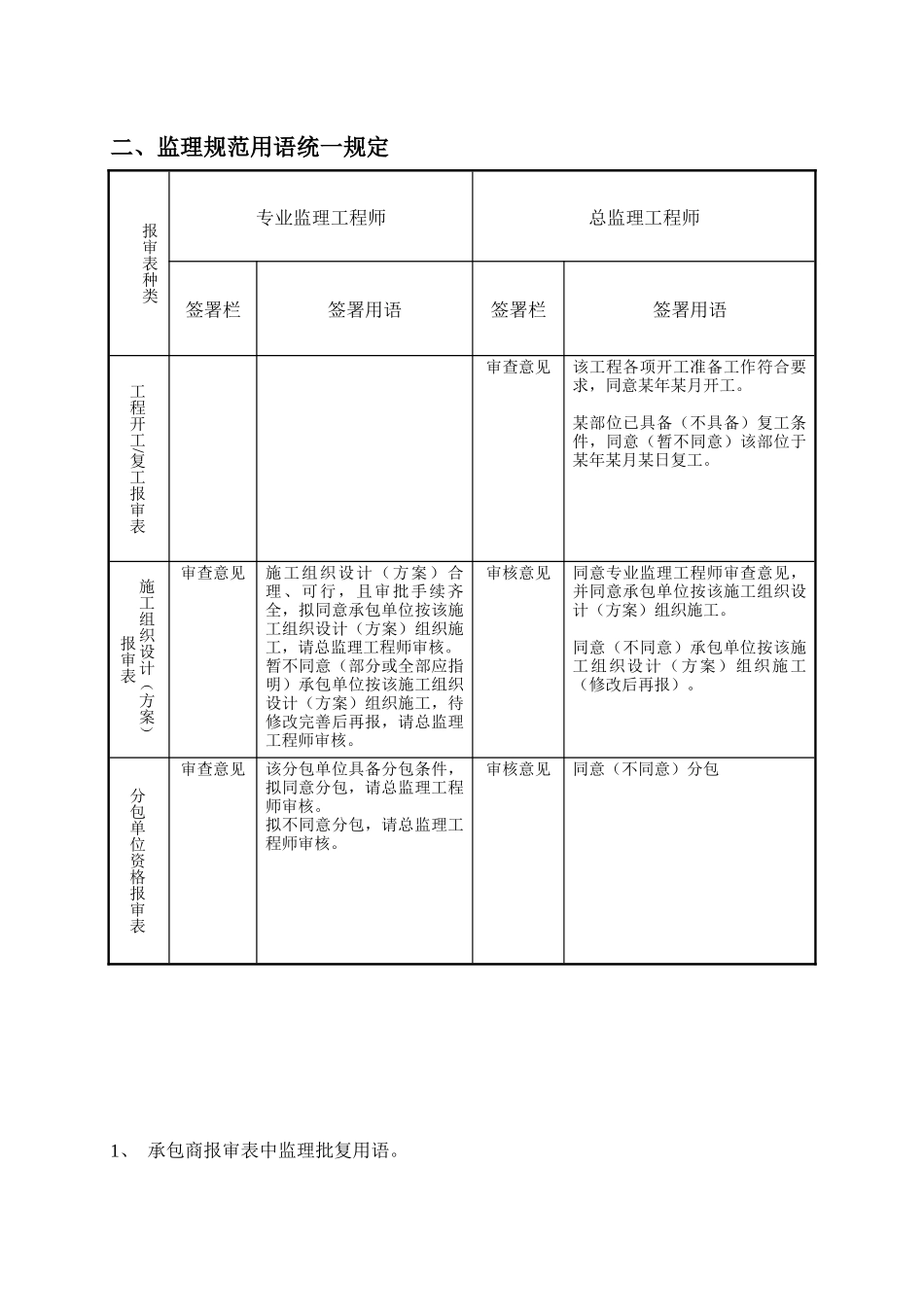
监理资料整理需要注意的一些细节一、需要注意的几个监理文件:1、监理规划在总监理工程师的主持下编制、经监理单位技术负责人批准,用来指导项目监理机构全面开展监理工作的指导性文件。2、监理实施细则根据监理规划,由专业监理工程师编写,并经总监理工程师批准,针对工程项目中某一专业或某一方面监理工作的操作性文件。3、工地例会由项目监理机构主持的,在工程实施过程中针对工程质量、造价、进度、合同管理等事宜定期召开的,由有关单位参加的会议。4、施工组织设计(方案)由施工单位项目技术负责人组织编制,项目经理和企业技术管理部门审核,企业技术负责人审批;5、监理工程师通知单是监理工程师在工程建设过程中向承包单位签发的指令性文件,监理通知单的签发应注意以下内容:1)通知单中不能使用白话,要用专业术语,并且不能有错别字;2)提出存在的问题要详细,包括具体部位,具体质量问题及违反规范哪一条;3)通知单的下发要有时间观念,下发要及时,并同时抄送建设单位;4)撰写监理通知单时,一方面要坚持原则,分清责任,既要提出问题所在,还要提出解决问题的要求和应当达到的目标;另一方面,内容应准确、完整、条理性强、表达清晰且要符合一定的格式要求。二、监理规范用语统一规定1、承包商报审表中监理批复用语。报审表种类专业监理工程师总监理工程师签署栏签署用语签署栏签署用语工程开工/复工报审表审查意见该工程各项开工准备工作符合要求,同意某年某月开工。某部位已具备(不具备)复工条件,同意(暂不同意)该部位于某年某月某日复工。施工组织设计(方案)报审表审查意见施工组织设计(方案)合理、可行,且审批手续齐全,拟同意承包单位按该施工组织设计(方案)组织施工,请总监理工程师审核。暂不同意(部分或全部应指明)承包单位按该施工组织设计(方案)组织施工,待修改完善后再报,请总监理工程师审核。审核意见同意专业监理工程师审查意见,并同意承包单位按该施工组织设计(方案)组织施工。同意(不同意)承包单位按该施工组织设计(方案)组织施工(修改后再报)。分包单位资格报审表审查意见该分包单位具备分包条件,拟同意分包,请总监理工程师审核。拟不同意分包,请总监理工程师审核。审核意见同意(不同意)分包报审表种类专业监理工程师签署栏签署用语1)试验室资格报审表审查意见经审查,该试验室具备与本工程项目相适应的试验资质与能力,同意委托该试验室进行本工程项目的试(化)验工作经检查,该试验室不具备与本工程项目相适应的试验资质与能力,不同意委托该试验室进行本工程项目的试(化)验工作2)监理工程师通知回复单审查意见已按《监理工程师通知单》整改完毕,经检查符合要求不符合要求,要求承包单位继续整改3)工程材料构配件设备报审表审查意见符合要求,将“不符合”、“不准许”及“不同意”用横线划掉。反之,将“符合”、“准许”及“同意”划掉4)工程报验申请表审查意见同意验收5)施工进度计划(调整计划)报审表审查意见总监理工程师指定专业监理工程师对所报施工进度计划进行审核,提出审查意见报总监理工程师审核后如同意承包单位所报计划,在“同意”前“□”内打“√”,如不同意承包单位所报计划;在“不同意……”前“□”内打“√”,并就不同意的原因及理由简要列明,提出建议修改补充的意见,最后由总监理工程师签发。2、建筑工程施工质量验收统一标准(GB50300——2001)中附表的使用方法及标准用语附表名称使用方法说明标准回语施工现场质量管理检查记录表此表在工程开工前由承包商现场负责人填写(自检合格后),由总监理工程师检查验收。此表为固定表格式,检查项目11项,项目名称已定,内容也有些例子,可根据实际工程情况,添加或减少检查内容。总监理工程师在对11项检查项目检查之前,应对施工现场进行检查,这是总监签署此表的依据。此表由承包商填写之后,并将有关文件的原件或复印件附在后边,请总监理工程师验收核查,验收核查后返还承包商,并签字认可。总监理工程师(业主项目负责人)检查验收不合格,承包商必须限期整改,否则不许开工。签署栏:检查结论用语:现场质量管理制度和资...

1、当您付费下载文档后,您只拥有了使用权限,并不意味着购买了版权,文档只能用于自身使用,不得用于其他商业用途(如 [转卖]进行直接盈利或[编辑后售卖]进行间接盈利)。
2、本站所有内容均由合作方或网友上传,本站不对文档的完整性、权威性及其观点立场正确性做任何保证或承诺!文档内容仅供研究参考,付费前请自行鉴别。
3、如文档内容存在违规,或者侵犯商业秘密、侵犯著作权等,请点击“违规举报”。

碎片内容

监理资料整理需注意的细节

确认删除?
VIP
微信客服
  • 扫码咨询
会员Q群
  • 会员专属群点击这里加入QQ群
客服邮箱
回到顶部