电脑桌面
添加小米粒文库到电脑桌面
安装后可以在桌面快捷访问

突发事件紧急处理流程总汇VIP专享VIP免费

突发事件紧急处理流程总汇_第1页
1/45
突发事件紧急处理流程总汇_第2页
2/45
突发事件紧急处理流程总汇_第3页
3/45
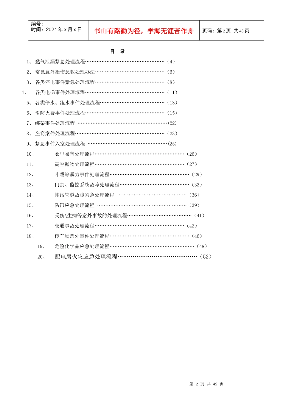
第1页共45页编号:时间:2021年x月x日书山有路勤为径,学海无涯苦作舟页码:第1页共45页突发事件紧急处理流程总汇**物业管理有限公司201*年9月编第2页共45页第1页共45页编号:时间:2021年x月x日书山有路勤为径,学海无涯苦作舟页码:第2页共45页目录1、燃气泄漏紧急处理流程…………………………………………(4)2、常见意外损伤急救处理办法……………………………………(6)3、各类停电事件紧急处理流程……………………………………(8)4、各类电梯事件处理流程…………………………………………(11)5、各类停水、跑水事件处理流程…………………………………(13)6、消防火警事件处理流程…………………………………………(15)7、绑架事件处理流程………………………………………………(22)8、盗窃案件处理流程………………………………………………(23)9、紧急事件入室处理流程…………………………………………(25)10、邻里噪音处理流程………………………………………………(26)11、高空抛物处理流程………………………………………………(27)12、斗殴等暴力事件处理流程…………………………………………(29)13、门禁、监控系统故障处理流程……………………………………(32)14、排污管道故障紧急处理流程……………………………………(36)15、防汛应急处理流程………………………………………………(39)16、受伤\生病等意外事故的处理流程…………………………………(41)17、交通事故处理流程………………………………………………(42)18、停车场意外事件处理流程…………………………………………(46)19、危险化学品应急处理流程……………………………………………(48)20、配电房火灾应急处理流程……………………………………(52)第3页共45页第2页共45页编号:时间:2021年x月x日书山有路勤为径,学海无涯苦作舟页码:第3页共45页特别说明本手册的名词说明紧急流程:本流程为项目级处理紧急事件的参考流程指挥官:以现场最高级别职务为现场最高指挥官,同级别以专业人员为最高指挥员.客服中心:是所有信息收集、发放,人员调度、联系的指挥中心监控中心:平常是安全、消防监视控制中心,客服人员下班后的指挥中心值班经理:是晚上与节假日的总指挥,负责上传下达,调度、一线指挥员值班维修人员:晚上值班人员原则一名水工一名电工,宿舍人员为工程备勤人员。所有员工:突发事件是集体事情,全员参与与支持,包括管理人员、保洁、秩序维护员、工程维修、客服人员、会所员工、外包现场服务人员(外包保洁、电梯维修人员)。信息沟通:每次突发时间及时上报,按级处理。利用内部(服务中心内部与公司内部)与外部(社会)资源。信息记录:按照质量记录把事情详细记录,以及相关数据,音像资料的收集统计。各个项目可参考本手册,针对不同的设施设备,人员岗位设置,作以适当调整.第4页共45页第3页共45页编号:时间:2021年x月x日书山有路勤为径,学海无涯苦作舟页码:第4页共45页燃气泄漏紧急处理流程1.目的发生液化气漏气、着火时,秩序维护员能够根据情况进行专业性处理,避免事态的扩大。2.适用范围:×××服务中心3.职责3.1.指挥中心(消防监控中心)或客服中心负责对警情的接收及指挥人员前去处理;3.2.秩序维护主管负责现场的安全处理及指挥;3.3秩序维护员负责现场的警戒及疏散、抢险;3.4设备设施维护人员负责设备的控制、抢修等。4..方法和过程控制4.1当接到监控中心通知或怀疑泄漏易燃气体报告时尽快安排相关人员赶到现场处理;4.2抵达现场后,要谨慎行事,拍门进入后,不可开灯开风扇及任何电阀,包括电话与对讲。严禁现场吸烟!4.3通知所有人离开现场,有关人员到场检查,劝阻围观人员撤离现场;4.4确认家里是否有其他人,不是特别严重情况下可用湿毛巾捂住嘴鼻贴地前进打开门、窗,合适时关燃气阀门,救人逃生时用湿毛巾衣物捂住嘴鼻逃往通风透气地方。4.5如果无法进入家门,设备设施维护员可先关闭相应支,主干线管道分段阀门。确认家里无人,利用空气自流稀释减弱再进行抢修,打开门窗,利用通风排出屋里余气。同时报与领导根据...

1、当您付费下载文档后,您只拥有了使用权限,并不意味着购买了版权,文档只能用于自身使用,不得用于其他商业用途(如 [转卖]进行直接盈利或[编辑后售卖]进行间接盈利)。
2、本站所有内容均由合作方或网友上传,本站不对文档的完整性、权威性及其观点立场正确性做任何保证或承诺!文档内容仅供研究参考,付费前请自行鉴别。
3、如文档内容存在违规,或者侵犯商业秘密、侵犯著作权等,请点击“违规举报”。

碎片内容

突发事件紧急处理流程总汇

确认删除?
VIP
微信客服
  • 扫码咨询
会员Q群
  • 会员专属群点击这里加入QQ群
客服邮箱
回到顶部