电脑桌面
添加小米粒文库到电脑桌面
安装后可以在桌面快捷访问

车管所排队系统硬件招标技术要求VIP免费

车管所排队系统硬件招标技术要求_第1页
1/7
车管所排队系统硬件招标技术要求_第2页
2/7
车管所排队系统硬件招标技术要求_第3页
3/7
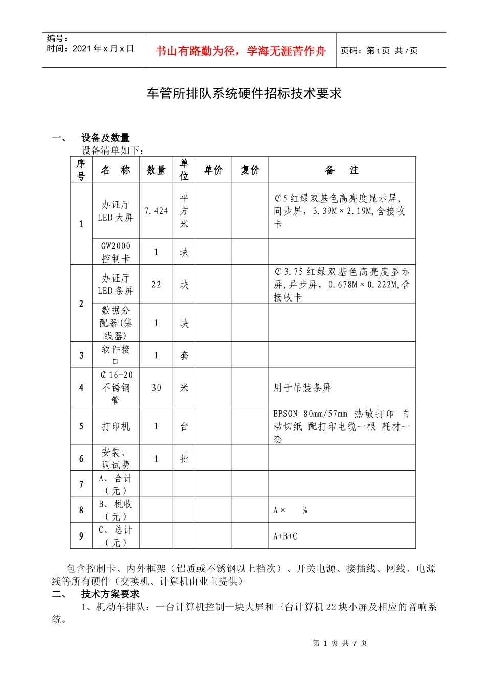
第1页共7页编号:时间:2021年x月x日书山有路勤为径,学海无涯苦作舟页码:第1页共7页车管所排队系统硬件招标技术要求一、设备及数量设备清单如下:序号名称数量单位单价复价备注1办证厅LED大屏7.424平方米¢5红绿双基色高亮度显示屏,同步屏,3.39M×2.19M,含接收卡GW2000控制卡1块2办证厅LED条屏22块¢3.75红绿双基色高亮度显示屏,异步屏,0.678M×0.222M,含接收卡数据分配器(集线器)1块3软件接口1套4¢16-20不锈钢管30米用于吊装条屏5打印机1台EPSON80mm/57mm热敏打印自动切纸配打印电缆一根耗材一套6安装、调试费1批7A、合计(元)8B、税收(元)A×%9C、总计(元)A+B+C包含控制卡、内外框架(铝质或不锈钢以上档次)、开关电源、接插线、网线、电源线等所有硬件(交换机、计算机由业主提供)二、技术方案要求1、机动车排队:一台计算机控制一块大屏和三台计算机22块小屏及相应的音响系统。第2页共7页第1页共7页编号:时间:2021年x月x日书山有路勤为径,学海无涯苦作舟页码:第2页共7页2、大屏应可以进行不同的分区,并能对分区进行方便及时的调整。3、每个显示屏应支持定点更新。4、显示系统应完全满足业主提供的排队软件的各项需求和技术指标。5、提供方便的硬件访问接口模块以便于业主进行软件开发。三、相关的技术指标。1、¢3.75红绿双基色高亮度显示屏参数单红色像素管像素管直径:3.75mm点间距:4.75mm发光点颜色:1红+1绿密度:44320-点/m2基色:红色+绿色单元板单元板尺寸:304mm×152mm模组行列数:宽64点×高32点分辨率:2048点/块显示屏整屏屏体面积(长)0.678m×(高)0.222m≈0.151m2可显示内容:文字屏体厚度:≤10cm外框结构:专用外框供电工作电压:220V最大功耗:≤700W/m2控制系统控制方式:异步显示控制方式:映射控制操作系统WINDOWS98以上控制卡:异步控制卡采集卡:主要技术参数LED驱动方式:1/16扫描驱动刷新频率:≥120帧/秒帧频:≥60帧/秒亮度:≥300cd/m2第3页共7页第2页共7页编号:时间:2021年x月x日书山有路勤为径,学海无涯苦作舟页码:第3页共7页亮度调节方式:软件调节灰度/颜色:256级最佳视角:±60度最佳视距:3~25m有效通讯距离:120m以内工作环境温度:-10℃~+45℃相对湿度:15%-85%软件LED通用播放软件(MDK)2、¢5红绿双基色高亮度显示屏参数单红色像素管像素管直径:5.0mm点间距:7.62mm发光点颜色:1红+1绿密度:17220-点/m2基色:红色+绿色单元板单元板尺寸:488mm×244mm模组行列数:宽64点×高32点分辨率:2048点/块显示屏整屏屏体面积(长)3.39m×(高)2.19m≈7.424m2可显示内容:文字屏体厚度:≤10cm外框结构:专用外框供电工作电压:220V最大功耗:≤700W/m2控制系统控制方式:同步显示控制方式:映射控制操作系统WINDOWS98以上控制卡:同步控制卡第4页共7页第3页共7页编号:时间:2021年x月x日书山有路勤为径,学海无涯苦作舟页码:第4页共7页采集卡:主要技术参数LED驱动方式:1/16扫描驱动刷新频率:≥120帧/秒帧频:≥60帧/秒亮度:≥300cd/m2亮度调节方式:软件调节灰度/颜色:256级最佳视角:±60度最佳视距:3~25m有效通讯距离:120m以内工作环境温度:-10℃~+45℃相对湿度:15%-85%软件LED通用播放软件(MDK)四、资格证明文件1、营业执照复印件(复印件,加盖投标人印章);2、税务登记证(复印件、加盖投标人印章);3、项目相关资质证书(复印件,携带原件备查);4、生产厂家颁发给投标人针对本项目授权声明(原件);5、产品检测报告(仅提供复印件);6、参与本次项目的相关工程师认证材料,必须后附能证明该人员是本公司员工的证明材料(经劳动部门鉴证过的劳动合同;能反映单位名称、人员姓名的基金缴纳个人帐户对帐单;社保部门出具的公司为相关人员缴纳基金的证明材料),(复印件、原件备查);7、2005年度、2006年度财务报表复印件(包括损益表、资产负债表;报表必须经会计事务所审计)或2005年度、2006年度增值税申报表复印件(能体现全年的销售额,经税务部门盖章确认),(原件备查)。五、付款方式(采购人直接支付)1、安装调试结束后10个工作日内买方组织验收,验收合格后10个工作日内,支付合...

1、当您付费下载文档后,您只拥有了使用权限,并不意味着购买了版权,文档只能用于自身使用,不得用于其他商业用途(如 [转卖]进行直接盈利或[编辑后售卖]进行间接盈利)。
2、本站所有内容均由合作方或网友上传,本站不对文档的完整性、权威性及其观点立场正确性做任何保证或承诺!文档内容仅供研究参考,付费前请自行鉴别。
3、如文档内容存在违规,或者侵犯商业秘密、侵犯著作权等,请点击“违规举报”。

碎片内容

车管所排队系统硬件招标技术要求

您可能关注的文档

确认删除?
VIP
微信客服
  • 扫码咨询
会员Q群
  • 会员专属群点击这里加入QQ群
客服邮箱
回到顶部