电脑桌面
添加小米粒文库到电脑桌面
安装后可以在桌面快捷访问

钢屋架施工方案82342554VIP免费

钢屋架施工方案82342554_第1页
1/8
钢屋架施工方案82342554_第2页
2/8
钢屋架施工方案82342554_第3页
3/8
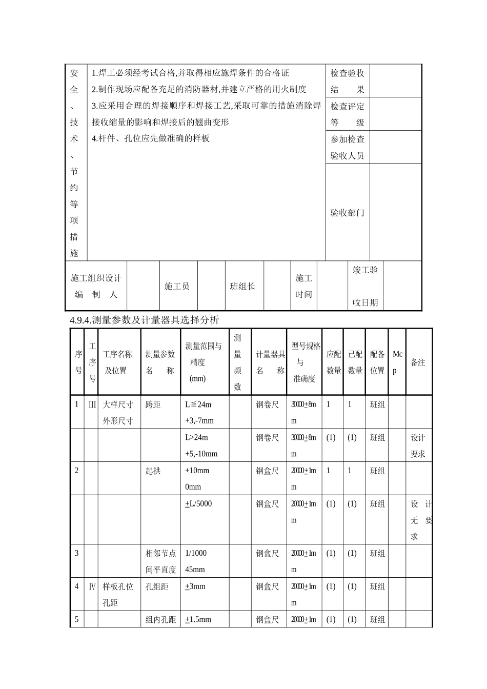
原材料检验材质复试施焊预留收缩余量、刨边、铣平矫正、边缘加工控制矫正时的强度、矫正后的允许偏差,控制刨边偏差制孔孔的精度、孔距组装清铁锈、油污、毛刺,检查轴线交点、焊条型号,1:1放样,留出拱度切割下料表面清理,清边缘熔瘤、飞溅物,清除毛刺焊接焊工持证上岗,焊条型号、合格证外观检查、无损检验气孔、咬肉、焊缝余高、长度、裂缝、夹渣、凹面值、焊脚宽等超声波探伤(未焊透、气孔)除锈、涂防锈漆层,编号发送质量合格,除锈、质量等级涂料厚度,转运防变形构件验收外形、几何尺寸、起拱、技术文件、质量评定资料、构件及零附件清单4.9.1.钢屋架制作工程工艺流程Ⅰ放样配料Ⅱ切割、下料Ⅲ大样外型矫正、边缘加工Ⅳ配件制孔Ⅴ组装Ⅵ焊接Ⅵ钢屋架验收4.9.2.钢屋架制作工程计量工艺流程4.9.3.钢屋架制作工艺质量管理卡施工准备操作工艺质量技术标准成品保护措施应注意的质量问题1.采用符合国家标准和设计图纸的钢材2.编制工艺规程和施工组织设计3.检查所使用的量具及工具4.选用适当的起重设备5.组织配套的劳动力,协调各工种间的关系6.制作稳定可靠的拼装台座及胎具7.准备充足稳定的电源1.制作前的放样、下料及精度检查2.钢材的矫正调直、除锈3.构件组装临时固定4.构件焊接5.安装螺栓的孔位制作6.对一、二级焊缝进行超声波及X射线检查7.构件验收材料:符合“普通碳素钢技术条件”、“符合金属结构钢技术条件”矫正:符合钢工程施工及验收规范焊接:外观焊波平衡、整齐、无夹渣、气泡、咬肉、裂纹等缺陷焊缝余角:(mm)K≤6允许偏差0~+1.5K>6允许偏差0~3焊角宽:(mm)I≤6允许偏差0~+1.5I>6允许偏差0~3(K为焊角尺寸)钢屋架几何尺寸:L≤24m允许偏差+8-7I>24m允许偏差+8-7起拱:设计要求+100设计无要求+L/5000(L为钢屋架长度)1.构件储存运输堆放时,应采取防止变形的措施2.标明重量、重心位置和定位标记3.传力铣平端和铰轴孔心的内壁应涂抹防锈剂,铰轴孔应加以保护4.做好防锈工作1.钢屋架支撑、运输、堆放过程中应支垫合理,防止变形2.钢屋架拼装,连接板和型钢间隙缝>3mm时要进行矫正,并用卡具夹紧3.严格控制拼装节点各杆件的角度,以免起拱高度不准4.防止焊接变形5.下料、拼装、检测采用统一精度的钢尺,以免屋架几何尺寸不准安全、技术、节约等项措施1.焊工必须经考试合格,并取得相应施焊条件的合格证2.制作现场应配备充足的消防器材,并建立严格的用火制度3.应采用合理的焊接顺序和焊接工艺,采取可靠的措施消除焊接收缩量的影响和焊接后的翘曲变形4.杆件、孔位应先做准确的样板检查验收结果检查评定等级参加检查验收人员验收部门施工组织设计编制人施工员班组长施工时间竣工验收日期4.9.4.测量参数及计量器具选择分析序号工序号工序名称及位置测量参数名称测量范围与精度(mm)测量频数计量器具名称型号规格与准确度应配数量已配数量配备位置Mcp备注1Ⅲ大样尺寸外形尺寸跨距L≦24m+3,-7mm钢卷尺30000+8mm11班组L>24m+5,-10mm钢卷尺30000+8mm(1)(1)班组设计要求2起拱+10mm0mm钢盒尺20000+1mm11班组+L/5000钢盒尺20000+1mm(1)(1)班组设计无要求3相邻节点间平直度1/100045mm钢盒尺20000+1mm(1)(1)班组4Ⅳ样板孔位孔距孔组距+3mm钢盒尺20000+1mm(1)(1)班组5组内孔距+1.5mm钢盒尺20000+1m(1)(1)班组m6安装孔距离+2mm钢盒尺20000+1mm(1)(1)班组7支撑面到第一个安装孔距+1mm钢盒尺(1)(1)班组8Ⅵ焊接焊缝余高K6,0~1.5≦K>6,0~+3焊缝量规11班组K为焊角尺寸9焊角宽K6,0~1.5≦K>6,0~+3卡尺11班组屋面系统验收在公司自检合格的基础上交业主及监督部门核核验连接固定接钢屋架、支撑、屋面板的安装顺序坚固螺栓并焊接安装校正严格按轴线、标高、钢屋架的顺序就位,临时固定,进行位置线、垂直度、大平面侧弯校正清理防腐清除焊渣、飞溅物、安装刮蹭处及焊接缝处刷防锈漆机具选择合理选用机具、吊索具,满足安全及施工需要构件就位符合安装程序及工艺要求,成套供应矫正修补检查和矫正构件因运输堆放而产生的挠曲、变形、开焊等缺陷核对构件及有关文件构件明细表、钢构件质量合格证明,设计变更文件基础复核安装位置线,砼柱顶螺栓及轴线位置、标高、砼质量达合格要求4.9.5.钢结构安装工程工艺流程Ⅵ钢...

1、当您付费下载文档后,您只拥有了使用权限,并不意味着购买了版权,文档只能用于自身使用,不得用于其他商业用途(如 [转卖]进行直接盈利或[编辑后售卖]进行间接盈利)。
2、本站所有内容均由合作方或网友上传,本站不对文档的完整性、权威性及其观点立场正确性做任何保证或承诺!文档内容仅供研究参考,付费前请自行鉴别。
3、如文档内容存在违规,或者侵犯商业秘密、侵犯著作权等,请点击“违规举报”。

碎片内容

钢屋架施工方案82342554

您可能关注的文档

确认删除?
VIP
微信客服
  • 扫码咨询
会员Q群
  • 会员专属群点击这里加入QQ群
客服邮箱
回到顶部