电脑桌面
添加小米粒文库到电脑桌面
安装后可以在桌面快捷访问

质量管理体系过程流程图目录-0309VIP免费

质量管理体系过程流程图目录-0309_第1页
1/44
质量管理体系过程流程图目录-0309_第2页
2/44
质量管理体系过程流程图目录-0309_第3页
3/44
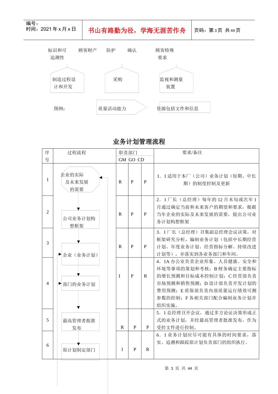
第1页共44页编号:时间:2021年x月x日书山有路勤为径,学海无涯苦作舟页码:第1页共44页质量管理体系过程流程图目录文件编号文件名称页次Q/YLB00。00过程管理流程1Q/YLB01。01(附件)业务计划流程2Q/YLB01。02。01(附件)信息管理流程3Q/YLB01。02。02(附件)数据分析流程4Q/YLB02。02(附件)生产件批准流程5Q/YLB02。03(附件)供应商生产件批准流程6Q/YLB02。04(附件)持续改进管理流程7Q/YLB02。05(附件)产品安全性控制流程8Q/YLB03。01(附件)合同评审管理程序9Q/YLB04。01(附件)设计控制流程10Q/YLB05。02(附件)设计变更管理流程11Q/YLB06。01(附件)文件和资料管理流程12Q/YLB07。01(附件)采购控制流程13Q/YLB09。02(附件)供方控制流程14Q/YLB09。03(附件)顾客财产管理流程15Q/YLB09。04(附件)工装、模具管理流程16Q/YLB10。01(附件)设备管理流程17Q/YLB10。02(附件)生产计划管理流程18Q/YLB11。01(附件)进货检验管理流程19Q/YLB13。01(附件)过程、测量和试验设备管理流程20Q/YLB14。01(附件)不合格品处理流程21Q/YLB16。01(附件)纠正与预防措施管理流程22Q/YLB17。01(附件)质量记录管理流程23Q/YLB18。01(附件)内部质量审核管理流程24Q/YLB19。01(附件)培训管理流程25Q/YLB19。02(附件)服务管理流程26Q/YLB20。02(附件)顾客抱怨退货管理流程27Q/YLB0质量成本管理流程28第2页共44页第1页共44页编号:时间:2021年x月x日书山有路勤为径,学海无涯苦作舟页码:第2页共44页质量管理体系文件管理一般要求(过程管理)质量手册文件控制记录控制5.管理职责方针、目标计划、评审管理承诺顾客交点管理职责内部沟通6.资源管理8。测量、分析和改进内部顾客满意度审核纠预正防能力意过程监视和数据措措识和测量分析施施不合基础设施工作环境产品监视和格品控制7.产品实现顾客有关的过程输设计和开发入产品和服务和提供资源提供资源提供产品/服务持续改进措施不力第3页共44页第2页共44页编号:时间:2021年x月x日书山有路勤为径,学海无涯苦作舟页码:第3页共44页标识和可顾客财产防护确认顾客特殊追溯性要求制造过程设采购监视和测量计和开发装置图例:质量活动能力资源包括文件和信息业务计划管理流程序号过程流程职责部门GMGOCD要求/备注1企业的实际及未来发展的需要公司业务计划构想框架企业(业务计划)部门的业务计划最高管理者批准发布原计划制定部门RPP1.1适用于本厂(公司)业务计划(短期、中长期)的制度控制及更新2RPP2.1厂长(总经理)每年的12月末旬或次年1月通过确定当前和未来客户的期望和要求,根据当年企业的实际及未来发展的需要,提出公司业务计划构想框架3RPP3.1厂长(总经理)召集副总经理会议决策,对框架研究分析,编制业务计划(包括中长期经营计划、年度业务计划、经营指标分解、持续改进计划等),并落实到各业务部门和车间。4IPR4.1A办公室负责企业形象、人员健康、安全和环境等事项的策划和考核;B财务确定主要指标的增长预测和目标成本控制计划;C经营部负责市场预测和销售预测;D设计部负责开发计划的费用预测;E质保部负责内部质量运行绩效可测参数的控制;F各相关部门配合编制业务计划并组织实施。5RPP5.1总经理召开会议,通过多方论证决策形成正式的业务计划,并经最高管理者批准发布,作为受控文件进行控制。6IPR6.1业务计划应尽可能有具体的时间要求,落实、追溯和跟踪原计划负责部门的组织执行。第4页共44页第3页共44页编号:时间:2021年x月x日书山有路勤为径,学海无涯苦作舟页码:第4页共44页落实、跟踪适合?新一年的业务计划7PRP7.1每年6月底各部门根据业务计划的实施状况进行更新修订,经相关部门共同评审,由办公室汇总,提交总经理批准后传达到相关部门贯彻和沟通。8RPP8.1每年1月,由总经理召开厂务会议,评审上年业务计划执行情况,并提出新一年的业务计划。业务计划必须与持续改进、客户满意和管理评审进行整合。业务计划须提交管理评审,对不足之处,依《持续改进管理程序》执行。R———负责P———参与I———通知GM———————厂长(总经理)GO————------厂长(总经理)...

1、当您付费下载文档后,您只拥有了使用权限,并不意味着购买了版权,文档只能用于自身使用,不得用于其他商业用途(如 [转卖]进行直接盈利或[编辑后售卖]进行间接盈利)。
2、本站所有内容均由合作方或网友上传,本站不对文档的完整性、权威性及其观点立场正确性做任何保证或承诺!文档内容仅供研究参考,付费前请自行鉴别。
3、如文档内容存在违规,或者侵犯商业秘密、侵犯著作权等,请点击“违规举报”。

碎片内容

质量管理体系过程流程图目录-0309

您可能关注的文档

确认删除?
VIP
微信客服
  • 扫码咨询
会员Q群
  • 会员专属群点击这里加入QQ群
客服邮箱
回到顶部