电脑桌面
添加小米粒文库到电脑桌面
安装后可以在桌面快捷访问

承重支撑架搭拆施工方案概况VIP免费

承重支撑架搭拆施工方案概况_第1页
1/17
承重支撑架搭拆施工方案概况_第2页
2/17
承重支撑架搭拆施工方案概况_第3页
3/17
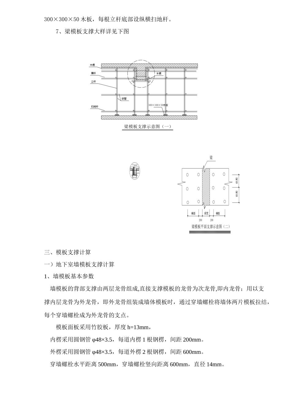
承重支撑架搭拆施工方案一、工程概况、特点及施工进度本工程为~~~~~~~~~~~~~~工程,该工程由两幢十八层商住楼及三层裙房(局部四层)组成,工程地上十八层,地下一层总用地面积9879㎡,建筑占地面积3440㎡,总建筑面积36505㎡,其中地上建筑面积30600㎡,地下建筑面积5905㎡。本工程建筑合理使用年限为50年,防火设计等级为一类高层,耐火等级地上一级、地下室一级,屋面防水等级为二级,地下室防水等级为一级。本工程相对标高±0.000相当于绝对标高3.000m(黄海高程)。本方案根据施工部位和施工进度的不同,按地下室墙板模板、一层梁板模板、二、三层梁板模板、转换层(四层)梁板模板及标准层梁板模板分别计算,层高地下室为4.5m,一层5.8m,二层3.8m,三层4.5m,标准层3.0m。其中底下室墙板厚度350mm,高度4.5m;一层梁截面高低跨位置最大为400mm×1700mm,其余梁截面最大为500×900,板厚为200mm,二、三层梁截面最大为400mm×800mm,板厚为120mm;转换层(四层)梁截面最大为600mm×1150mm,板厚为180mm;标准层250mm×700mm,板厚为170mm。工程进度:底下室~三层,每个施工段15天,标准层每10天一层。二、模板及承重支撑基本要求:1.本工程模板采用竹胶板、九夹板。采用φ48钢管支撑,配合使用木方。2.支撑架地基平整夯实,支撑架的钢管立柱不能直接立于地面上,应加垫木板,厚度不小于50mm。3.模板接缝应严密,不得漏浆。4.多次周转使用的模板,应涂刷隔离剂,使用后及时清理。5.模板的支柱和其它构件要便于装拆,一般宜用木楔子,尽量少用钉子。6.本工程在框架结构施工时承重支架支撑立杆步距为1.5m,钢管下垫300×300×50木板,每根立杆底部设纵横扫地杆。7、梁模板支撑大样详见下图三、模板支撑计算一)地下室墙模板支撑计算1、墙模板基本参数墙模板的背部支撑由两层龙骨组成,直接支撑模板的龙骨为次龙骨,即内龙骨;用以支撑内层龙骨为外龙骨,即外龙骨组装成墙体模板时,通过穿墙螺栓将墙体两片模板拉结,每个穿墙螺栓成为外龙骨的支点。模板面板采用竹胶板,厚度h=13mm,内楞采用圆钢管φ48×3.5,每道内楞1根钢楞,间距200mm。外楞采用圆钢管φ48×3.5,每道外楞2根钢楞,间距600mm。穿墙螺栓水平距离500mm,穿墙螺栓竖向距离600mm,直径14mm。2、墙模板支撑大样详见下图:3、墙模板荷载标准值计算强度验算要考虑新浇混凝土侧压力和倾倒混凝土时产生的荷载;挠度验算只考虑新浇混凝土侧压力。新浇混凝土侧压力计算公式为下式中的较小值:其中——混凝土的重力密度,取24.000kN/m3;t——新浇混凝土的初凝时间,为0时(表示无资料)取200/(T+15);T——混凝土的入模温度,取20.000℃;V——混凝土的浇筑速度,取2.5m/h;H——混凝土侧压力计算位置处至新浇混凝土顶面总高度4.500-0.4=4.1m;1——外加剂影响修正系数,取1.000;2——混凝土坍落度影响修正系数,取1.150。根据公式计算的新浇混凝土侧压力标准值F=0.22×24×(20020+15)×1.0×1.15×√2.5=54.86KN/m2实际计算中采用新浇混凝土侧压力标准值F=24×4.1=98.4KN/㎡按取最小值,故最大侧压力为54.86KN/㎡倒混凝土时产生的荷载标准值F2=6.000kN/m2。4、墙模板内外楞的计算1).内楞直接承受模板传递的荷载,通常按照均布荷载的三跨连续梁计算。本算例中,内龙骨采用钢楞,截面惯性矩I和截面抵抗矩W分别为:外钢楞的规格:圆钢管φ48×3.5;外钢楞截面抵抗矩W=5.08cm3;外钢楞截面惯性矩I=12.19cm4;内楞计算简图1.内楞强度计算=M/W<[f]其中——内楞强度计算值(N/mm2);M——内楞的最大弯距(N.mm);W——内楞的净截面抵抗矩;[f]——内楞的强度设计值(N/mm2)。M=ql2/10其中q——作用在内楞的荷载,q=(1.2×54.86+1.4×6.00)×0.2=14.85KN/m;l——内楞计算跨度(外楞间距),l=600mm;内楞强度设计值[f]=205.000N/mm2;经计算得到,内楞的强度计算值=M/W=(14.85×6002)/10÷(5.08×103)=105.24N/mm2;内楞的强度验算<[f],满足要求!2.内楞的挠度计算v=0.677ql4/100EI<[v]=l/400其中E——内楞的弹性模量,E=210000.00N/mm2;内楞的最大允许挠度值,[v]=1.250mm;内楞的挠度计算值:v=(0.677×14.85×6004)/(100×210000×12...

1、当您付费下载文档后,您只拥有了使用权限,并不意味着购买了版权,文档只能用于自身使用,不得用于其他商业用途(如 [转卖]进行直接盈利或[编辑后售卖]进行间接盈利)。
2、本站所有内容均由合作方或网友上传,本站不对文档的完整性、权威性及其观点立场正确性做任何保证或承诺!文档内容仅供研究参考,付费前请自行鉴别。
3、如文档内容存在违规,或者侵犯商业秘密、侵犯著作权等,请点击“违规举报”。

碎片内容

承重支撑架搭拆施工方案概况

黄金阁书苑+ 关注
实名认证
内容提供者

热爱教学事业,对互联网知识分享很感兴趣

确认删除?
VIP
微信客服
  • 扫码咨询
会员Q群
  • 会员专属群点击这里加入QQ群
客服邮箱
回到顶部