电脑桌面
添加小米粒文库到电脑桌面
安装后可以在桌面快捷访问

泾干湖绿色施工方案VIP专享VIP免费

泾干湖绿色施工方案_第1页
1/28
泾干湖绿色施工方案_第2页
2/28
泾干湖绿色施工方案_第3页
3/28
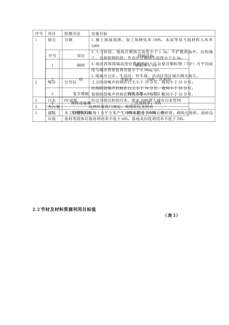
第一章工程概况1、工程概述1.1:本工程位于陕西省咸阳市泾阳县,西邻北极宫大街,北邻泾干大街,东侧为泾干湖公园。工程总建筑面积128577.78㎡,其中地上94316.38㎡,其中地下34261.40㎡,由大商部分和公寓两部分组成。本工程大商部分建筑高度为32.75m,公寓部分建筑高度为79.65m。1.2:建筑层数:本工程由公寓和商业部分组成,其中商业部分为地上6层,公寓部分为地上21层,地下部分为2层;建筑层高为:地下二层为4.70m(局部为3.95m、4.1m、4.2m),地下一层为5.40m(局部为4.80m),地上一层为5.70m,二~五层为(五层局部为4.95m),六层为5.10m;七层为3.5m,八~二十一层均为3.10m。工程名称:泾干湖周边改造(棚户区)建设项目一期工程商业综合体建设单位:陕西和嘉置业有限公司设计单位:机械工业第四设计研究院有限公司勘察单位:机械工业勘察设计研究院有限公司监理单位:陕西环宇建设工程项目管理有限公司施工单位:陕西青华建设工程有限公司2、结构形式大商部分结构类型为现浇混凝土框架结构,基础类为柱下独立基础、墙下条形基础、局部筏板基础;公寓部分结构类型为现浇混凝土框架—剪力墙结构,基础类型为平板式筏形基础。(表1)建筑场地类别II类设计使用年限50年抗震设防烈度7度抗震分组第二组防火分类一类地基基础设计等级乙级建筑层数地下2层,地上21层建筑结构安全等级一级、二级屋面防水等级二级建筑防火分类一类地下室防水等级一级、二级耐火等级一级本工程安装部分主要包括:给水排水及采暖、建筑电气、通风与空调、智能建筑、电梯、建筑节能等6各分部。3、气候条件本工程位于咸阳市泾阳县,泾阳县属暖温带大陆性季风气候,四季冷暖、干湿分明。年平均气温13℃,冬季(1月)最冷为-8℃,夏季最热(7月)为41.4℃。年均降水量548.7毫米,最多降水量829.7毫米,最少为349.2毫米。日照时数年平均为2195.2小时,最多(8月)为241.6小时,最少(2月)为146.2小时。无霜期年均213天。4、水文地质本工程地下水稳定水位12.60~15.40m基础高度在-12m左右因此施工过程中不需要降水,塔吊基础开挖时若遇到明水,采取水泵抽取降水。5、场内条件本工程现场施工场地较小,南、西、北立面距围墙6米左右,东立面距公园围墙最大距离21米,最小距离4米,因此项目办公区及生活区均设立在场外200米处,场内设有钢筋加工棚、木工棚、几个专业材料堆放场地。第二章编制依据1.《中华人民共和国环境保护法》2.《中华人民共和国环境影响评价法》3.《中华人民共和国大气污染防治法》4.《中华人民共和国水污染防治法》5.《中华人民共和国环境噪声污染防治法》6.《中华人民共和国固体废物污染防治法》7.《建设项目环境保护管理条例》8.《绿色施工导则》9.《全国建筑绿色示范工程验收评价主要指标》10.《陕西省建筑业绿色施工工程管理办法(试运行)》11.《建筑工程绿色施规范》GB/T50905-201412.《建筑施工安全检查标准》JGJ59-201113.《施工现场临时用电安全技术规范》JGJ46-201114.《建筑施工场界环境噪声排放标准》(GB12523-2011)15.《建筑节能工程施工质量验收规范》(GB54011-2007)16.《建筑工程绿色施工评价标准》(GB/T50640-2010)17.《建筑装饰装修工程质量验收规范》GB50210-201118.《混凝土结构工程施工质量验收规范》GB50204-2002(2011)19.《建筑工程施工质量验收统一标准》GB50300-201320.本工程施工图纸21.本工程施工组织设计第三章绿色施工目标1、总体目标《陕西省建筑业绿色示范工程》2、各要素实施主要目标值2.1环境保护主要指标目标值(表2)序号项目检测办法实施目标1扬尘目测1.施工现场道路、加工场硬化率100%,水泥等易飞扬材料入库率100%3.土方阶段,现场目测扬尘高度小于1.5m,不扩散到场外,结构施工、安装装修阶段,作业区目测扬尘高度小于0.5m。4.场区四周围墙高度位置测得的大气总悬浮颗粒物(TSP)月平均浓度与城市背景值得差值小于0.08mg/m3。5.现场办公区、生活区、停车场、活动区等区域目测无扬尘。2噪音分贝仪土方阶段噪声控制在白天小于70分贝,夜间小于55分贝;结构阶段噪声控制在白天小于70分贝,夜间小于55分贝;装修阶段噪声控制在白天小于65分贝,夜间小于...

1、当您付费下载文档后,您只拥有了使用权限,并不意味着购买了版权,文档只能用于自身使用,不得用于其他商业用途(如 [转卖]进行直接盈利或[编辑后售卖]进行间接盈利)。
2、本站所有内容均由合作方或网友上传,本站不对文档的完整性、权威性及其观点立场正确性做任何保证或承诺!文档内容仅供研究参考,付费前请自行鉴别。
3、如文档内容存在违规,或者侵犯商业秘密、侵犯著作权等,请点击“违规举报”。

碎片内容

泾干湖绿色施工方案

确认删除?
VIP
微信客服
  • 扫码咨询
会员Q群
  • 会员专属群点击这里加入QQ群
客服邮箱
回到顶部