电脑桌面
添加小米粒文库到电脑桌面
安装后可以在桌面快捷访问

某楼砖混结构模板施工方案VIP免费

某楼砖混结构模板施工方案_第1页
1/40
某楼砖混结构模板施工方案_第2页
2/40
某楼砖混结构模板施工方案_第3页
3/40
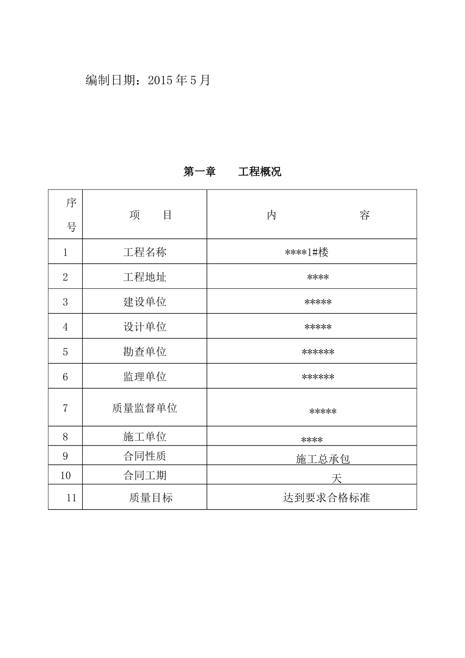
****1#楼模板工程专项施工方案编制单位:****编制日期:2015年5月第一章工程概况序号项目内容1工程名称****1#楼2工程地址****3建设单位*****4设计单位*****5勘查单位******6监理单位******7质量监督单位*****8施工单位****9合同性质施工总承包10合同工期天11质量目标达到要求合格标准第二章模板搭设一、材料规格及要求模板采用15mm厚的胶合板;扣件钢管支撑,钢管采用Φ48×3.5。模板及其支架应具有足够的刚度、强度和稳定性,能够可靠地承受新浇筑混凝土的自重和侧压力,及在施工过程中所产生的荷载。二、模板施工1、基础模板施工方法(1)、按图纸设计要求弹出轴线和支模边线;(2)、制作好的模板,用塔吊或人工搬运至操作点;(3)、在模板之间的拼结处,每块模板均贴好一条通长的胶带,使模板与模板拼结紧密,以防漏浆;(4)、在模板拼装前要刷脱模剂,脱模剂要涂刷均匀,不宜太薄,以免起不到脱模剂的作用,也不要太厚,以免影响砼的外观;(5)、安装模板:将准备好的模板内边对准基础表面或搂面上弹出的边线。进行拼装,在安装模板的过程当中至少要二个人配合进行工作,每相邻的两块模板安装就位后,立即用小木档在内外拼板的交接处,对模板进行临时固定。再进一步校正模板的垂直度、位置以及拼缝之间的严密性,然后用钢管进行最终固定,在固定的过程当中要注意随时对模板进行校正。2、梁模板梁模板主要由底板和侧板组成,为承受垂直荷载,在梁的底板下每隔600mm用横向钢管顶撑来承托,沿梁跨度方向钢管支撑的间距为700mm。(1)、搭设排架:依照图纸,在梁下面搭设双排钢管,间距根据梁的宽度而定。立杆之间设立水平拉杆,互相拉撑成一整体,离楼地面200mm处设一道,以上每隔1200mm(底层)设一道,二层及以上每隔1200米设一道。在底层搭设排架时,先将地基夯实,并在地面上垫通长的垫板。在排架支撑搭设的过程当中,组织人员进行操平工作:从基准点引出一个高于地面500mm基点,用水准仪操平,并在梁的两边的钢管上用红漆作好标志,用于确定承托梁底板的钢管位置。在搭设承托底板的钢管之前,算出底板的具体位置。确定支撑底板钢管的位置,架设好钢管,底模板应起拱,起拱高度20mm,所以中间的承托钢管高度应再加上起拱高度。(2)、梁底板的固定:将制作好的梁底板运致操作点,在柱顶的梁缺口的两边沿底板表面拉线,调直底板,底板伸入柱模板中。调直后在底板两侧用扣件固定。(3)、侧模板的安装:为了钢筋绑扎方便,侧模板安装前先放好钢筋笼,也可以先支好一侧模板后,帮扎钢筋笼,然后再安装另一侧模板。将制作好的模板运致操作点;侧模的下边放在底板的承托上,并包住底板,侧模不得伸入柱模,与柱模的外表面连接,用铁钉将连接处拼缝钉严,但决不允许影响柱模顶部的垂直度即要保证柱顶的尺寸。在底板承托钢管上架立管固顶侧板,再在立管上架设斜撑。立管顶部与侧模平齐,然后在立管上架设横档钢管,使横档钢管的上表面到侧模顶部的高度刚好等于一钢管的直径。(主要用于板模板支撑)3、板模板沿板长跨方向,在小横档钢管上满铺承托板模板的钢管,钢管平行于板的短跨。对于长跨较长的板,如果一块标准板铺不到位,应在中间加一根木横档用于固定模板。在板与柱交接的地方,应在板上弹出柱的边线,弹线要垂直、清晰,尺寸要准确,做到一次到位。在支板模板的过程当中,要时时校正梁上部的尺寸,二人配合工作,一个人控制梁上部的尺寸,另一人将板模板钉在四周梁侧模板上,使板的边沿与梁侧模的内表面在同一平面内,钉子间距为300MM—500MM。板与柱交接处,将板模板钉在柱的模板上,要保证柱的尺寸,并做到接缝严密。模板上拼缝、接头处应封堵严密,不得漏浆;模板上小的孔洞以及两块模板之间的拼缝用胶布贴好。模板支好后,清扫一遍。4、支架的搭设(1)、搭设排架:依照图纸,在梁下面搭设双排立管,间距为600-800mm,设水平拉杆,间距为1200mm。离楼地面200mm处设一道。底层搭设排架时,在地面上垫300×1200mm垫板,垫板厚50mm。(2)、注意事项:①、地基(回填土)要碾实:②、严格控制施工荷载,上料时要分散,不要集中;在浇筑砼时,砼的堆积高度不得大于50CM...

1、当您付费下载文档后,您只拥有了使用权限,并不意味着购买了版权,文档只能用于自身使用,不得用于其他商业用途(如 [转卖]进行直接盈利或[编辑后售卖]进行间接盈利)。
2、本站所有内容均由合作方或网友上传,本站不对文档的完整性、权威性及其观点立场正确性做任何保证或承诺!文档内容仅供研究参考,付费前请自行鉴别。
3、如文档内容存在违规,或者侵犯商业秘密、侵犯著作权等,请点击“违规举报”。

碎片内容

某楼砖混结构模板施工方案

确认删除?
VIP
微信客服
  • 扫码咨询
会员Q群
  • 会员专属群点击这里加入QQ群
客服邮箱
回到顶部