电脑桌面
添加小米粒文库到电脑桌面
安装后可以在桌面快捷访问

某地下室柱水压破坏柱加固施工方案VIP免费

某地下室柱水压破坏柱加固施工方案_第1页
1/8
某地下室柱水压破坏柱加固施工方案_第2页
2/8
某地下室柱水压破坏柱加固施工方案_第3页
3/8
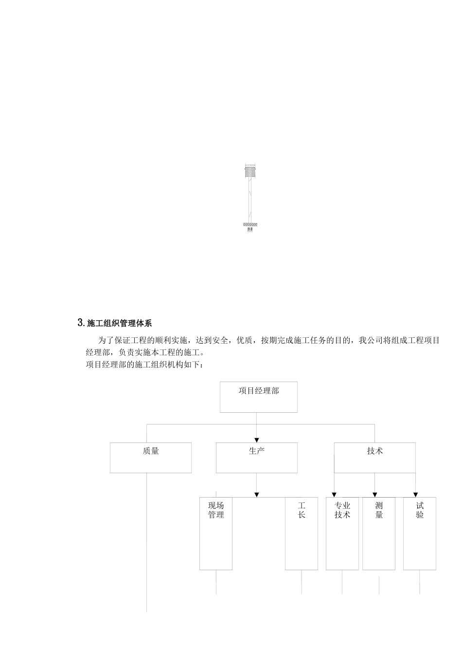
上海市*******工程地下室基础上浮结构柱裂缝加固施工组织设计方案目录1.编制说明2.工程慨况3.施工组织管理体系4.主要工程项目施工工艺5.质量管理体系及质量保证措施6.安全管理体系及安全保证措施7.文明施工与环境保护1.编制说明根据有关单位的检测,对*******工程地下室车库上浮,柱开裂受损结构情况的介绍,参照上海同济大学房屋检测站队同类情况检测做出的加固方案意见为依据。参照《建筑结构荷载规范》GB50009-2001,《混凝土结构设计规范》GB50010-2002,混凝土结构加固技术规范,CECS25:90,碳纤维片材加固混凝土结构技术规程CECS146:2003,中华人民共和国建筑法,建筑工程质量管理条例,建设工程施工现场管理规定(建设部令1991年第15号),《现有建筑抗震鉴定与加固规程》GJ08-81-2000J10016-2000,建设工程施工现场保卫消防标准,建设工程施工现场环境保护标准,建设工程施工现场环卫卫生标准,建设工程施工现场管理工作(要点)规定,《纤维增强复合材料加固混凝土结构技术规程》,DG/TJ08-012-2002,质量、环境、职业健康安全管理手册、程序文件作业指导书等要求,本着安全第一,以质量为信誉的宗旨,充分发挥我公司的技术优势,确保工程质量安全和进度的前提下,编制的本施工组织设计方案。2.工程概况*************工程地下室四面分别为小区建筑住宅楼,中间设计为绿化休闲娱乐等休闲场所,裙楼地下室与其互通相连为一个整体地下空间,建筑面积约为x㎡。2001年施工以来,由于各种原因,导致地下水位水压过大,使得地下车库的上浮力增大,大于抗拔桩承载力的设计值,超过现有地面设计所承受的压力范围,上面没有建筑群的部分地下室柱出现不同程度的上浮冲压,出现裂缝现象,,使地下室局部存在不均匀上浮,对于因地下室上浮而开裂受损的柱体结构构件进行加固和修复处理。3.施工组织管理体系为了保证工程的顺利实施,达到安全,优质,按期完成施工任务的目的,我公司将组成工程项目经理部,负责实施本工程的施工。项目经理部的施工组织机构如下:项目经理部生产质量技术现场管理工长专业技术测量试验4.主要工程项目施工工艺加固实施方案①对柱端出现裂缝宽度≥0.2㎜的裂缝修补,首先采用高压注浆修补裂缝,然后粘贴碳纤维布垂直裂缝粘贴。②宽度<0.2㎜的裂缝,采用局部粘贴碳纤维做封闭处理。③构件砼局部破损等缺陷需做修补。④裂缝和柱损恢复修补后,整体柱采用300g碳纤维布环形粘贴2层加固。裂缝封闭①定位:确定需进行作业裂缝位置。②表面处理:对混凝土构件的裂缝,可用钢丝刷等工具,清除表面灰尘、白灰、浮渣及松散的污物;然后再毛刷蘸甲苯、丙酮、酒精等有机溶液,把缝二侧20~30mm处擦拭干净并保持干燥。③封缝:裂缝可用环氧树脂胶泥封闭,现在裂缝两侧(宽20~30mm)涂一层环氧树脂基液,后抹一层厚1mm左右、宽50~60mm的环氧树脂胶泥。抹胶泥时应防止产生小气孔和气泡,要刮平整,保证封闭可靠。④在胶泥上涂刷两层环氧树脂胶液。裂缝灌浆①清缝处理a用角磨机打磨对所有要处理的裂缝表面;b剔除裂口表面的松散杂物,用气压0.2MPa以上的压缩空气清除裂缝打磨范围;c沿缝长范围内用丙酮进行洗刷,擦洗表面。②标注灌胶嘴的位置a根据裂缝的宽度,确定灌胶底座的间距和位置,在裂缝端部、裂缝交叉处和裂缝较宽处设置灌胶嘴,并做好标志。b.灌胶嘴间距为25~40cmm.③埋设灌浆嘴A.用电锤根据注胶嘴直径的大小适宜打孔,深度根据具体裂缝的程度确定。B.安装高压注胶嘴。C.将环氧树脂胶组合配比(根据时间和温度适量配比)D.高压注浆机加压灌注。以裂缝表面胶渗出为宜。施工队伍碳纤维表面粘贴加固1.消除被加固构件表面的剥落、疏松、蜂窝、腐蚀、开裂等砼,露出砼结构层,并用找平胶将表面修复平整。2.用角磨机将砼表面打磨平整,除去表面浮浆、油污等杂质,直到完全露出结构新面。当纤维布沿其受力方向需沿构件转角处粘贴时,转角处构件表面的倒角半径,对方柱标应不小于30mm。3.按比例配制底胶。配制时,应检查拌和容器和清洁,不能有灰尘、水份和油渍,严禁在灰尘较多时搅拌时按同一方向搅拌至肉眼观察无丝状、无色差。拌好的粘接剂使用时间必须严格控制,应在40分钟内使...

1、当您付费下载文档后,您只拥有了使用权限,并不意味着购买了版权,文档只能用于自身使用,不得用于其他商业用途(如 [转卖]进行直接盈利或[编辑后售卖]进行间接盈利)。
2、本站所有内容均由合作方或网友上传,本站不对文档的完整性、权威性及其观点立场正确性做任何保证或承诺!文档内容仅供研究参考,付费前请自行鉴别。
3、如文档内容存在违规,或者侵犯商业秘密、侵犯著作权等,请点击“违规举报”。

碎片内容

某地下室柱水压破坏柱加固施工方案

您可能关注的文档

确认删除?
VIP
微信客服
  • 扫码咨询
会员Q群
  • 会员专属群点击这里加入QQ群
客服邮箱
回到顶部