电脑桌面
添加小米粒文库到电脑桌面
安装后可以在桌面快捷访问

通州区于家务乡乡中心C12地块屋面防水工程施工方案00VIP免费

通州区于家务乡乡中心C12地块屋面防水工程施工方案00_第1页
1/32
通州区于家务乡乡中心C12地块屋面防水工程施工方案00_第2页
2/32
通州区于家务乡乡中心C12地块屋面防水工程施工方案00_第3页
3/32
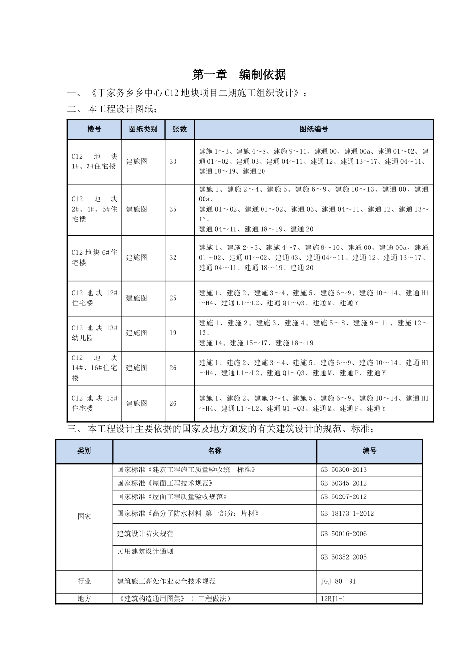
通州区于家务乡乡中心C12地块屋面防水工程施工方案编制:审核:审批:北京卓宝防水工程有限公司2017年3月1日目录目录.................................................................................1第一部分工程方案第一章编制依据......................................................................2第二章工程概况......................................................................3第三章工程重点控制项目及节点细部做法................................................5第四章施工组织管理..................................................................9第五章防水工程施工工艺.............................................................13第六章材料、施工质量控制措施.......................................................20第二部分工程保证措施第一章质量保证措施.................................................................22第二章工期保证措施...............................................................25第三章成品保护措施...............................................................26第四章安全保证措施...............................................................27第五章消防保卫措施...............................................................32第六章雨季施工措施...............................................................32第七章相关单位协调配合措施.......................................................32通州区于家务乡乡中心C12地块屋面防水工程施工方案第一章编制依据一、《于家务乡乡中心C12地块项目二期施工组织设计》;二、本工程设计图纸;楼号图纸类别张数图纸编号C12地块1#、3#住宅楼建施图33建施1~3、建施4~8、建施9~11、建通00、建通00a、建通01~02、建通01~02、建通03、建通04~11、建通12、建通13~17、建通04~11、建通18~19、建通20C12地块2#、4#、5#住宅楼建施图35建施1、建施2~4、建施5、建施6~9、建施10~13、建通00、建通00a、建通01~02、建通01~02、建通03、建通04~11、建通12、建通13~17、建通04~11、建通18~19、建通20C12地块6#住宅楼建施图32建施1、建施2~3、建施4~7、建施8~10、建通00、建通00a、建通01~02、建通01~02、建通03、建通04~11、建通12、建通13~17、建通04~11、建通18~19、建通20C12地块12#住宅楼建施图25建施1、建施2、建施3~4、建施5、建施6~9、建施10~14、建通H1~H4、建通L1~L2、建通Q1~Q3、建通M、建通YC12地块13#幼儿园建施图19建施1、建施2、建施3、建施4、建施5~8、建施9~11、建施12~13、建施14、建施15~17、建施18~19C12地块14#、16#住宅楼建施图26建施1、建施2、建施3~4、建施5、建施6~9、建施10~14、建通H1~H4、建通L1~L2、建通Q1~Q3、建通M、建通P、建通YC12地块15#住宅楼建施图26建施1、建施2、建施3~4、建施5、建施6~9、建施10~14、建通H1~H4、建通L1~L2、建通Q1~Q3、建通M、建通P、建通Y三、本工程设计主要依据的国家及地方颁发的有关建筑设计的规范、标准;类别名称编号国家国家标准《建筑工程施工质量验收统一标准》GB50300-2013国家标准《屋面工程技术规范》GB50345-2012国家标准《屋面工程质量验收规范》GB50207-2012国家标准《高分子防水材料第一部分:片材》GB18173.1-2012建筑设计防火规范GB50016-2006民用建筑设计通则GB50352-2005行业建筑施工高处作业安全技术规范JGJ80-91地方《建筑构造通用图集》(工程做法)12BJ1-1类别名称编号第二章工程概况一、本工程为北京市通州区于家务乡乡中心C-12地块项目,位于通州区于家务乡,东至于家务中心中路,南至于家务中心南环路,西至于家务中心西二路,北至通房路。二、根据图纸设计要求本工程屋面防水等级为一级,防水类种类、使用楼号、使用部位、及屋面坡度见下表1、表2。表1.设计编号防水种类使用楼号使用部位屋面形式屋面坡度备注屋10.8厚GFZ聚乙烯丙纶复合防水卷材+1.3厚聚合物水泥胶结料1#—10#楼、13#楼屋...

1、当您付费下载文档后,您只拥有了使用权限,并不意味着购买了版权,文档只能用于自身使用,不得用于其他商业用途(如 [转卖]进行直接盈利或[编辑后售卖]进行间接盈利)。
2、本站所有内容均由合作方或网友上传,本站不对文档的完整性、权威性及其观点立场正确性做任何保证或承诺!文档内容仅供研究参考,付费前请自行鉴别。
3、如文档内容存在违规,或者侵犯商业秘密、侵犯著作权等,请点击“违规举报”。

碎片内容

通州区于家务乡乡中心C12地块屋面防水工程施工方案00

您可能关注的文档

确认删除?
VIP
微信客服
  • 扫码咨询
会员Q群
  • 会员专属群点击这里加入QQ群
客服邮箱
回到顶部