电脑桌面
添加小米粒文库到电脑桌面
安装后可以在桌面快捷访问

销售华南分公司附录A通用部分培训资料VIP免费

销售华南分公司附录A通用部分培训资料_第1页
1/83
销售华南分公司附录A通用部分培训资料_第2页
2/83
销售华南分公司附录A通用部分培训资料_第3页
3/83
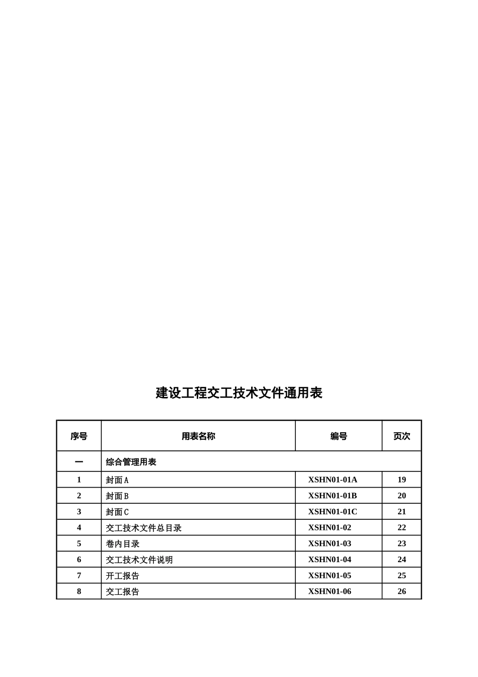
附录A通用表一、综合管理通用表…………………………17二、工程施工通用表…………………………42三、材料/设备质量证明通用表………………62建设工程交工技术文件通用表序号用表名称编号页次一综合管理用表1封面AXSHN01-01A192封面BXSHN01-01B203封面CXSHN01-01C214交工技术文件总目录XSHN01-02225卷内目录XSHN01-03236交工技术文件说明XSHN01-04247开工报告XSHN01-05258交工报告XSHN01-0626建设工程交工技术文件通用表序号用表名称编号页次9中间交接证书XSHN01-072710工程交工证书XSHN01-082811施工现场质量管理检查记录XSHN01-092912交工主要实物工程量统计表XSHN01-103013特种作业人员登记表XSHN01-113114无损检测人员登记表XSHN01-123215主要施工管理人员登记表XSHN01-133316主要施工设备/监测仪器登记表XSHN01-143417施工图审查记录XSHN01-153518施工图设计交底记录XSHN01-163619施工组织设计/方案封面3720施工组织设计(方案)审批页XSHN01-173821视频文件目录XSHN01-183922数码照片目录XSHN01-194023卷内备考表XSHN01-2041二工程施工用表1单位工程质量验收记录XSHN02-TY-01442分部工程质量验收记录XSHN02-TY-02453分项工程质量验收记录XSHN02-TY-03464质量控制资料核查表XSHN02-TY-04475工程变更一览表XSHN02-TY-05486工程联络单XSHN02-TY-06497工程量核定单XSHN02-TY-07508工程量签证单XSHN02-TY-08519工程检查验收记录XSHN02-TY-095210隐蔽工程检查记录XSHN02-TY-105311接地装置安装检测记录XSHN02-TY-115412除锈施工检查记录XSHN02-TY-1255建设工程交工技术文件通用表序号用表名称编号页次13防腐工程施工检查记录XSHN02-TY-135614保温工程施工检查记录XSHN02-TY-145715无损检测监理指令汇总表XSHN02-TY-155816工程技术交底记录XSHN02-TY-165917工序交接记录XSHN02-TY-176018工程中间交接/竣工验收申请XSHN02-TY-1861三材料/设备质量证明用表1主要设备及备品、备件、随机资料交接清单XSHN03-01642合格证、质量证明文件汇总表XSHN03-02653合格证、质量证明文件粘贴单XSHN03-03664物资现场验收记录XSHN03-04675设备开箱检查记录XSHN03-0568一、综合管理通用表XSHN01-01A封面案卷号:第/卷第/册石油化工建设工程项目交工技术文件工程名称:卷名:建设单位(公章)监理单位(公章)编制单位(公章)项目负责人:项目总监:项目经理:日期:日期:日期:年月日年月日年月日石油化工建设工程项目交工技术文件工程名称:卷名:建设单位(公章)编制单位(公章)项目负责人:项目总监:日期:日期:年月日年月日XSHN01-01B封面案卷号:第/卷第/册石油化工建设工程项目交工技术文件工程名称:单元名称:线路工程I标(**-**)卷名:专业+综合卷册名:第*册(本册内容概括)建设单位(公章)监理单位(公章)编制单位(公章)项目负责人:项目总监:项目经理:日期:日期:日期:年月日年月日年月日XSHN01-01C封面案卷号:第2/6卷第4/10册XSHN01-02交工技术文件总目录工程名称:序号卷号册号资料名称页数111单元名称+卷名+册名18922200321042123453编制人:年月日审核人:年月日XSHN01-03卷内目录工程名称:单元名称:序号文件编号责任者文件题名日期页次备注1124358912151520~99XSHN01-04交工技术文件说明工程名称:编制人:年月日审核人:年月日XSHN01-05开工报告工程名称:合同号设计单位计划开工日期年月日计划交工日期年月日工程内容开工条件审查意见质量监督意见工程质量监督站站长:(公章)日期:年月日建设单位监理单位施工单位(公章)项目经理:日期:年月日(公章)项目总监:日期:年月日(公章)项目经理:日期:年月日项目经理:年月日项目总监:年月日现场代表:年月日XSHN01-06交工报告工程名称:单元名称:合同号设计单位开工日期年月日完工日期年月日交工工程内容遗留内容交工条件批复意见施工单位监理单位建设单位XSHN01-07工程中间交接证书工程名称:合同编号交接日期年月日工程内容验收意见质量监督意见工程质量监督站站长:(公章)日期:年月日建设单位监理单位施工单位设计单位(公章)项目经理:日期:年月日(公章)项目总监:日期:年月日(公章)项目经理...

1、当您付费下载文档后,您只拥有了使用权限,并不意味着购买了版权,文档只能用于自身使用,不得用于其他商业用途(如 [转卖]进行直接盈利或[编辑后售卖]进行间接盈利)。
2、本站所有内容均由合作方或网友上传,本站不对文档的完整性、权威性及其观点立场正确性做任何保证或承诺!文档内容仅供研究参考,付费前请自行鉴别。
3、如文档内容存在违规,或者侵犯商业秘密、侵犯著作权等,请点击“违规举报”。

碎片内容

销售华南分公司附录A通用部分培训资料

您可能关注的文档

确认删除?
VIP
微信客服
  • 扫码咨询
会员Q群
  • 会员专属群点击这里加入QQ群
客服邮箱
回到顶部