电脑桌面
添加小米粒文库到电脑桌面
安装后可以在桌面快捷访问

旋挖灌注桩施工方案VIP免费

旋挖灌注桩施工方案_第1页
1/14
旋挖灌注桩施工方案_第2页
2/14
旋挖灌注桩施工方案_第3页
3/14
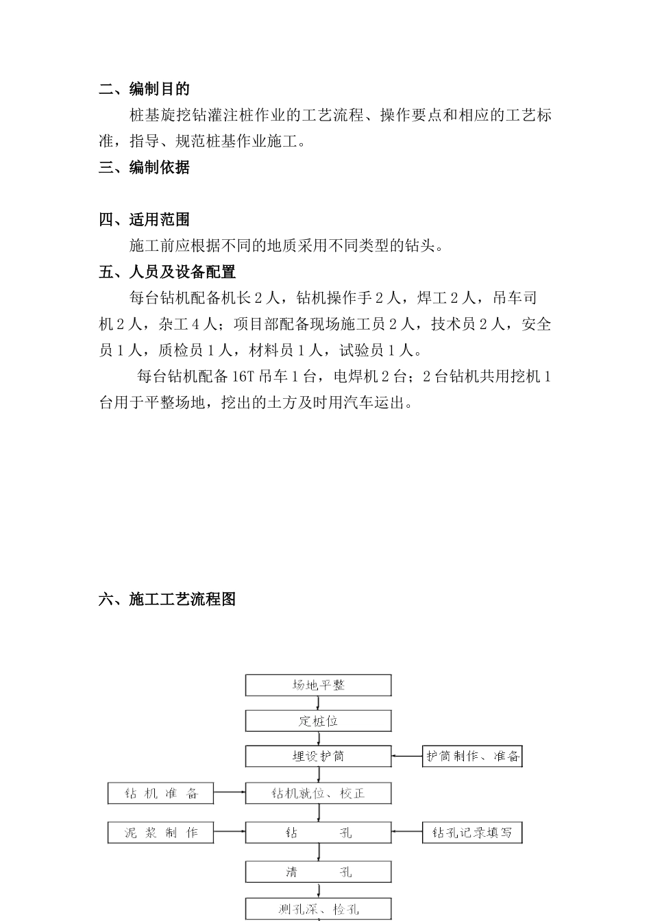
旋挖钻机钻孔桩施工旋挖钻机钻孔桩施工方案一、工程概况其中11#~16#墩桩基直径为1.5m,其余墩台桩基均为1.2m,共计152根。二、编制目的桩基旋挖钻灌注桩作业的工艺流程、操作要点和相应的工艺标准,指导、规范桩基作业施工。三、编制依据四、适用范围施工前应根据不同的地质采用不同类型的钻头。五、人员及设备配置每台钻机配备机长2人,钻机操作手2人,焊工2人,吊车司机2人,杂工4人;项目部配备现场施工员2人,技术员2人,安全员1人,质检员1人,材料员1人,试验员1人。每台钻机配备16T吊车1台,电焊机2台;2台钻机共用挖机1台用于平整场地,挖出的土方及时用汽车运出。六、施工工艺流程图七、施工方法1、施工准备施工前应平整场地,清除杂物,换除表层耕植软土,保证钻机底座填土密实,以免产生不均匀沉陷;在施工范围内不妨碍桩基施工的场地挖好泥浆池和沉淀池,用钢管围护并安装安全网,设警示标志,同时做好作业场地排水工作,在施工范围内挖设好临时排水沟,确保施工场地不积水。2、桩位放样正式钻孔前根据设计图纸和计算坐标用全站仪精确放出墩台桩基中心并记录,自检合格后,及时向监理工程师报验。3、泥浆制备泥浆采用优质粘土与水拌合而成并掺入一定比例的膨润土,制备的泥浆满足:含砂量≤4%,胶体率≥96%,泥浆比重≥1.2。钻孔施工时随着孔深的增加向孔内及时、连续地补浆,维持护筒内应有的水头,防止孔壁坍塌。桩孔砼灌注时,孔内溢出的泥浆引流至泥浆池内,用于下一根桩基钻孔护壁。4、埋设护筒钻孔前设置坚固、不漏水的钢护筒,护筒高1.5m,直径比设计桩径大20cm,顶面高出施工平台约30cm。挖埋护筒时坑底应整平,然后通过定位的控制桩放样,把孔位中心位置标于坑底,再把护筒吊放进坑内,找出护筒的圆心位置,用十字线定在护筒顶部或底部,然后移动护筒使护筒中心与钻孔中心位置重合,同时用水平尺或锤球检查,使护筒竖直。此后即在护筒周围对称、均匀地回填粘土,并分层夯实,夯填时要防止护筒偏斜。护筒顶面中心与设计桩位偏差不得大于5cm,倾斜度不得大于1%。为便于泥浆循环,在护筒顶端留有高30cm,宽20cm的出浆口。5、钻机成孔钻机就位前应对钻机各项准备工作进行检查,钻机安装后的底座和顶端应平稳,就位核对好中心后,连接泥浆循环系统,开动泥浆泵使泥浆循环2~3min,然后开始钻孔,在护筒底处应低压慢速钻进,钻至护筒底下1.0m左右后开始正常钻进。在钻进过程中钻机不能产生位移或沉陷,否则应及时处理。在钻孔排渣、提钻除土或因故停钻时,应保持孔内具有规定的水位和要求的泥浆相对密度和粘度。处理孔内事故或因故停钻时,必须将钻头提出孔外。钻孔进行前,司钻人员必须先熟悉地质状况,钻进过程中应定时测试泥浆指标,从而确定所处地层,调整钻进参数,钻孔作业应分班连续进行,填写的钻孔施工记录,交接班时应交待钻进情况及下一班应注意事项。旋挖钻机一般采用筒式钻头,施工时在孔内将钻头下降到预定深度后,转钻头并加压,旋起的土挤入钻筒内,泥土挤满钻筒后,反转钻头,钻头底部封闭并提出孔外,然后自动开启钻头底部开关,4.515910910倒出弃土成孔,在钻进过程中或将钻头提出钻孔外后,向孔内注浆,泥浆液面不得低于护筒底部。6、清孔钻孔达到要求深度后,用检孔器进行检孔。孔径、孔垂直度、孔深检查合格后,立即填写终孔检查证,并经驻地监理工程师认可,方可进行孔底清理,否则重新进行扫孔。清孔采用换浆法,钻孔达到设计标高后,停止进尺,将钻头提出,然后注入净化泥浆置换孔内含碴的泥浆,清孔时孔内水位需保持在地下水位以上1.5~2.0m。严禁用增加深度的方法代替清孔。当从孔内取出泥浆(孔底、孔中、孔口)测试的平均值与注入的净化泥浆相近,测量孔底沉碴厚度符合技术规范要求及设计要求,即停止清孔作业,放入经监理工程师检查合格后的钢筋笼。清孔结束后,孔底沉碴厚度:摩擦桩不得大于150mm,柱桩不得大于50mm。7、钢筋笼骨架的制作安装对于较短的桩基,钢筋笼宜制作成整体,一次吊装就位。对于孔深较大的桩基,钢筋笼需要现场焊接的,钢筋笼分段长度不宜少于5米,以减少现场焊接工作量。钢筋笼主筋接头采用单面搭接焊,每一截...

1、当您付费下载文档后,您只拥有了使用权限,并不意味着购买了版权,文档只能用于自身使用,不得用于其他商业用途(如 [转卖]进行直接盈利或[编辑后售卖]进行间接盈利)。
2、本站所有内容均由合作方或网友上传,本站不对文档的完整性、权威性及其观点立场正确性做任何保证或承诺!文档内容仅供研究参考,付费前请自行鉴别。
3、如文档内容存在违规,或者侵犯商业秘密、侵犯著作权等,请点击“违规举报”。

碎片内容

旋挖灌注桩施工方案

您可能关注的文档

起跑线书城+ 关注
实名认证
内容提供者

热爱教学事业,对互联网知识分享很感兴趣

确认删除?
VIP
微信客服
  • 扫码咨询
会员Q群
  • 会员专属群点击这里加入QQ群
客服邮箱
回到顶部