电脑桌面
添加小米粒文库到电脑桌面
安装后可以在桌面快捷访问

铁路桥台施工方案VIP专享VIP免费

铁路桥台施工方案_第1页
1/25
铁路桥台施工方案_第2页
2/25
铁路桥台施工方案_第3页
3/25
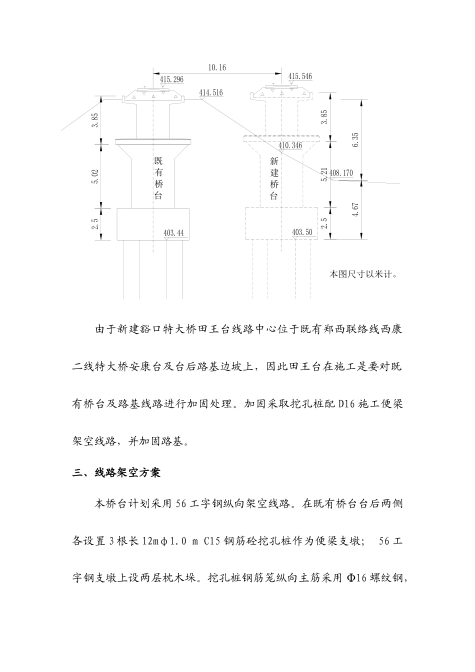
桥台施工方案一、编制依据1、《铁路技术管理规程》第九版2、《铁路工务安全规则》3、《铁路桥涵工程施工质量验收标准》(TB10415-2003)4、《铁路路基工程施工质量验收标准》5、西康二线田灞疏解线豁口特大桥施工图及设计文件6、西安铁路局营业线施工安全管理实施细则7、56工字钢的相关技术资料及我单位以往施工经验二、工程概况本工程为西康增建第二线工程田灞疏解线豁口特大桥田王台(140#)施工,豁口特大桥中心里程DsK22+137,桥址位于西安市灞桥区灞桥镇与洪庆街道办之间,桥梁起于灞桥镇灞桥村西侧,平行于陇海线穿越灞桥堡村后,斜跨陇海线,建材厂专用线,西安东绕城高速公路,西康一线联络线,经豁口村跨越108国道,西临高速公路后,与郑西联络线西康二线特大桥并行进入田王站。根据桥址处地形、地貌特征,道路及铁路立交等特点,本桥孔跨布置为:一联(32+48+32)m连续梁+(1孔24m+11孔32m+1孔24m+2孔32m+2孔24m)简支梁+一联(32+48+32)m连续梁+(1孔32m+1孔24m+14孔32m+3孔24m+18孔32m+2孔24m+2孔32m)简支梁+一联(40+64+40)m连续梁+(18孔32m+1孔24m+1孔32m)简支梁+一联(40+64+40)m连续梁+(11孔32m+1孔24m+1孔20m+1孔24m+2孔32m)简支梁+一联(40+64+40)m连续梁+(31孔32m)简支梁。田王台设计为简支T梁T型桥台,与既有郑西联络线西康二线特大桥安康台形式相同。台身高5.21米,上部结构高3.85米。基础为6根Φ1.25米钻孔桩,长度42米;承台为11.5×5.7×2.5米钢筋混凝土结构。豁口特大桥田王台与既有郑西联络线西康二线特大桥安康台同样位于R=1200米圆曲线上。线间距两桥台处为10.2米,逐渐缩小至5.3米并行一起进入田王车站。桥址下主要为黏质黄土,既有郑西联络线西康二线特大桥安康台在该处的轨面高程415.296m,豁口特大桥田王台设计柜面高程为425.546m。二者位置关系如下图所示:由于新建豁口特大桥田王台线路中心位于既有郑西联络线西康二线特大桥安康台及台后路基边坡上,因此田王台在施工是要对既有桥台及路基线路进行加固处理。加固采取挖孔桩配D16施工便梁架空线路,并加固路基。三、线路架空方案本桥台计划采用56工字钢纵向架空线路。在既有桥台台后两侧各设置3根长12mφ1.0mC15钢筋砼挖孔桩作为便梁支墩;56工字钢支墩上设两层枕木垛。挖孔桩钢筋笼纵向主筋采用Φ16螺纹钢,既有桥台新建桥台本图尺寸以米计。箍筋采用φ8圆钢,间距均为0.2米。在孔底1.5米范围内为扩大基础,即孔桩在最下端1.5米范围内孔径由1.0m增大为1.2m,扩大基础是为提高地基承载力;桩顶内设φ16钢筋网片两层,间距0.2m;并预埋φ28钢筋拉环两个及联系梁接茬钢筋,拉环用于便梁就位后与之相联接,以防便梁沿既有线路方向移动。梁下放2层短枕,相互连接成整体固定梁端,孔桩深入新建承台底面以下3.0m,挖孔时桩顶深1.5m内用预制好的井圈护壁,开挖过程中井圈护壁跟进。(详见附图2)四、施工工艺及方法1、挖孔桩施工工艺流程:先加固线路,再进行挖孔桩施工。(1)地下电缆防护挖孔桩施工前,必须根据施工调查,对线路两侧的电缆进行施工前探测,探测前必须与工务、电务、供电等部门签订安全协议,探测时工务、电务、供电等部门必须派人进行现场指挥,用人工掏探形式,小心挖出电缆。严禁用尖锐工具开挖,以免破坏电缆。电缆挖出后按电务部门的有关规定进行防护。(2)、线路加固:A、委托西安工务段对该处上下行无缝线路进行应力放散。对既有线路进行防爬锁定,锁定方法:用防爬支撑和防爬器对本段前后75米范围进行防爬加强,并以700N·M的扭力拧紧所有的扣件。B、搭设枕木垛,清理道碴并开挖至标高。在每个挖孔桩两侧3米处及线路另侧对应位置共搭设四个枕木垛。枕木摆设在一定承载力硬土(夯实)上。枕木垛按两层布置尺寸为2.5m×1.25m布置,底层按垂直线路方向布设,并用码钉加固。C、铺设横梁。根据工程情况选用定型钢枕作为横梁,铺设定型钢枕横梁按间隔0.67m设置(详见后附图),并在轨底铺设橡胶垫。D、加固完毕,道碴全部回填,并捣实。(3)、挖孔桩施工:A、要点慢行施工根据《铁路工务安全规则》进行挖孔桩施工期间要求列车限速行驶,速度为60km/h。慢距100米,窑田联...

1、当您付费下载文档后,您只拥有了使用权限,并不意味着购买了版权,文档只能用于自身使用,不得用于其他商业用途(如 [转卖]进行直接盈利或[编辑后售卖]进行间接盈利)。
2、本站所有内容均由合作方或网友上传,本站不对文档的完整性、权威性及其观点立场正确性做任何保证或承诺!文档内容仅供研究参考,付费前请自行鉴别。
3、如文档内容存在违规,或者侵犯商业秘密、侵犯著作权等,请点击“违规举报”。

碎片内容

铁路桥台施工方案

确认删除?
VIP
微信客服
  • 扫码咨询
会员Q群
  • 会员专属群点击这里加入QQ群
客服邮箱
回到顶部