电脑桌面
添加小米粒文库到电脑桌面
安装后可以在桌面快捷访问

烟囱筒身冬季施工方案VIP免费

烟囱筒身冬季施工方案_第1页
1/15
烟囱筒身冬季施工方案_第2页
2/15
烟囱筒身冬季施工方案_第3页
3/15
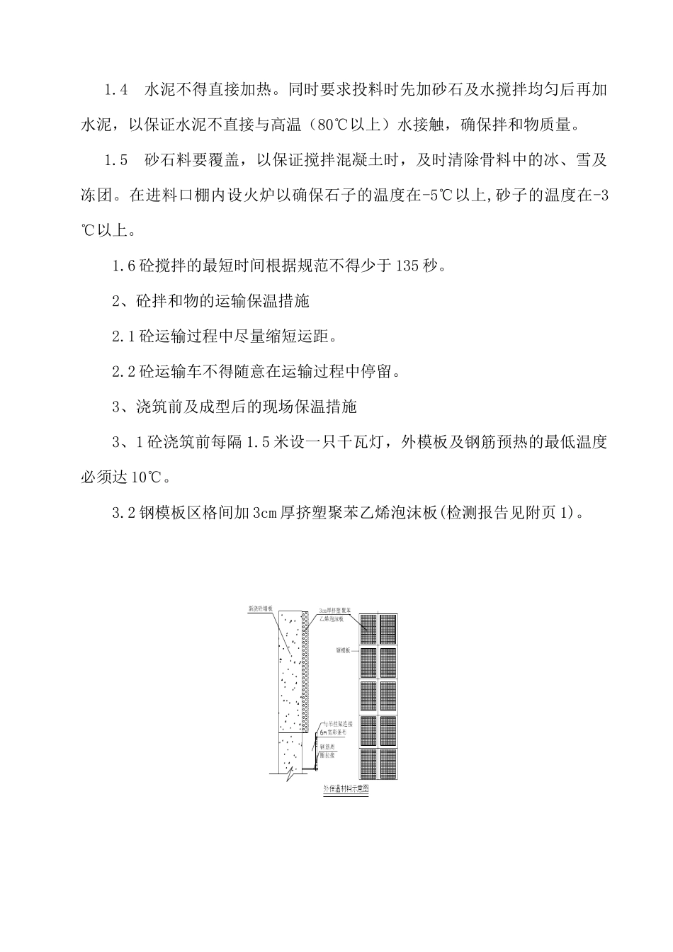
烟囱筒身冬季施工方案一、工程概况烟囱160-210米筒身施工在冬季进行,砼约460m3,钢筋60t,筒身内半径4.5m外半径4.8m,为烟囱的直段部分。砼强度等级为C30,所使用的外加剂为JA-1复合型防冻剂。二、编制原则1.确保工程质量。2.冬期施工过程中做到安全生产,筒身的施工要连续进行。3.因时因地因工程项目制宜,既要技术上可靠,同时要求经济上合理,减少能源消耗。4.力求施工方法简单可靠,施工速度快,达到缩短工期降低成本的目的。三、技术措施本工程冬期施工方法采用内部暖棚法和综合蓄热法同时进行的方案。内部暖棚施工法,即在烟囱内0.00米设4组6米长Ф108钢管暖气包,保证筒身内部温度达10℃以上。蓄热法即混凝土浇筑后,利用原材料加热及水泥水热的热量,通过适当保温延缓混凝土冷却,使混凝土冷却到0℃以前达到预期要求强度的施工方法。蓄热法的优点是蓄热法施工比较简单,混凝土养护不需要外加热源,冬施费用比较低廉,故在冬期施工时应优先考虑采用。1、原材料加热措施1.1混凝土原材料加热采用加热水的方法,水加热采用蒸汽加热。加热水使用的水箱予以保温,其容积能使水达到规定的使用温度要求。1.2砂子的含水率控制在1%以内,以降低搅拌过程中的热量损失,1.3配制与加入防冻剂,有专人负责并做好记录,严格按剂量要求掺入。1.4水泥不得直接加热。同时要求投料时先加砂石及水搅拌均匀后再加水泥,以保证水泥不直接与高温(80℃以上)水接触,确保拌和物质量。1.5砂石料要覆盖,以保证搅拌混凝土时,及时清除骨料中的冰、雪及冻团。在进料口棚内设火炉以确保石子的温度在-5℃以上,砂子的温度在-3℃以上。1.6砼搅拌的最短时间根据规范不得少于135秒。2、砼拌和物的运输保温措施2.1砼运输过程中尽量缩短运距。2.2砼运输车不得随意在运输过程中停留。3、浇筑前及成型后的现场保温措施3、1砼浇筑前每隔1.5米设一只千瓦灯,外模板及钢筋预热的最低温度必须达10℃。3.2钢模板区格间加3cm厚挤塑聚苯乙烯泡沫板(检测报告见附页1)。3.3砼上口表面用彩条布上加草袋覆盖。3.3在原吊挂架下部仅靠烟囱筒壁用6米宽彩条布覆盖新拆除保温层的砼,防止砼的降温速度过快。4、砼初期养护前的热工计算计算说明:第一、本计算适用的前提条件是新浇筑砼内侧气温必须在10℃以上,保证新浇砼内表面无热损失;第二、砼在提升机内运输时无热量损失,即提升机内保证温度在10℃以上;4.1混凝土拌合物温度混凝土伴合物的温度主要由出机温度控制。而出机温度则应根据气温和施工的热损失,满足入模温度要求。混凝土拌合物的温度通过以下的热工计算予以确定。4.1.1、计算公式由于混凝土拌合物的热量系由各种材料提供,各种材料的热量则可按材料的重量、比热容及温度的乘积相加求得,因而混凝拌合物的温度可按下面公式计算。式中:T0——混凝土伴合物温度(℃);mw——水用量(kg);mce——水泥用量(kg);msa——砂子用量(kg);mg——石子用量(kg);Tw——水的温度(℃);Tce——水泥的温度(℃);Tsa——砂子的温度(℃);Tg——石子的温度(℃);wsa——砂子的含水率(%);wg——石子的含水率(%);c1——水的比热容(kJ/kg·K);c2——冰的溶解热(kJ/kg)。4.1.2、计算参数(1)用水量mW=188(kg/m3);(2)水泥用量mce=427(kg/m3);(3)用砂量msa=694(kg/m3);(4)用石量mg=1132(kg/m3);(5)水泥温度Tce=0℃;(6)石子温度Tg=-5℃;(7)水的温度Tw=75℃;(8)砂的温度Tsa=-3℃;(9)砂含水率wsa=1%;(10)石含水率wg=0%;(11)混凝土拌合物的温度T0=16.59℃。4.1.3、计算结果混凝土拌合物温度=16.59℃4.2混凝土出机温度4.2.1、计算公式式中:T0——混凝土伴合物温度(℃);T1——混凝土伴合物出机温度(℃);Ti——搅拌机棚内温度(℃)。4.2.2、计算参数(1)搅拌机棚内温度Ti=10℃(2)混凝土拌合物温度T0=16.59℃(3)混凝土拌合物出机温度T1=15.54℃4.2.3、计算结果混凝土出机温度=15.54℃4.3混凝土入模温度4.3.1、计算公式式中:T1——混凝土伴合物出机温度(℃);T2——混凝土伴合物运输到浇筑时温度(℃);Ta——混凝土伴合物运输时环境温度(℃);t1——混凝土伴合物自运输到浇筑时的时间(h);n——混凝土伴合物运转次数。á——温度损失...

1、当您付费下载文档后,您只拥有了使用权限,并不意味着购买了版权,文档只能用于自身使用,不得用于其他商业用途(如 [转卖]进行直接盈利或[编辑后售卖]进行间接盈利)。
2、本站所有内容均由合作方或网友上传,本站不对文档的完整性、权威性及其观点立场正确性做任何保证或承诺!文档内容仅供研究参考,付费前请自行鉴别。
3、如文档内容存在违规,或者侵犯商业秘密、侵犯著作权等,请点击“违规举报”。

碎片内容

烟囱筒身冬季施工方案

您可能关注的文档

确认删除?
VIP
微信客服
  • 扫码咨询
会员Q群
  • 会员专属群点击这里加入QQ群
客服邮箱
回到顶部