电脑桌面
添加小米粒文库到电脑桌面
安装后可以在桌面快捷访问

幕墙玻璃棉施工方案(无衬板外用固定件)VIP免费

幕墙玻璃棉施工方案(无衬板外用固定件)_第1页
1/12
幕墙玻璃棉施工方案(无衬板外用固定件)_第2页
2/12
幕墙玻璃棉施工方案(无衬板外用固定件)_第3页
3/12
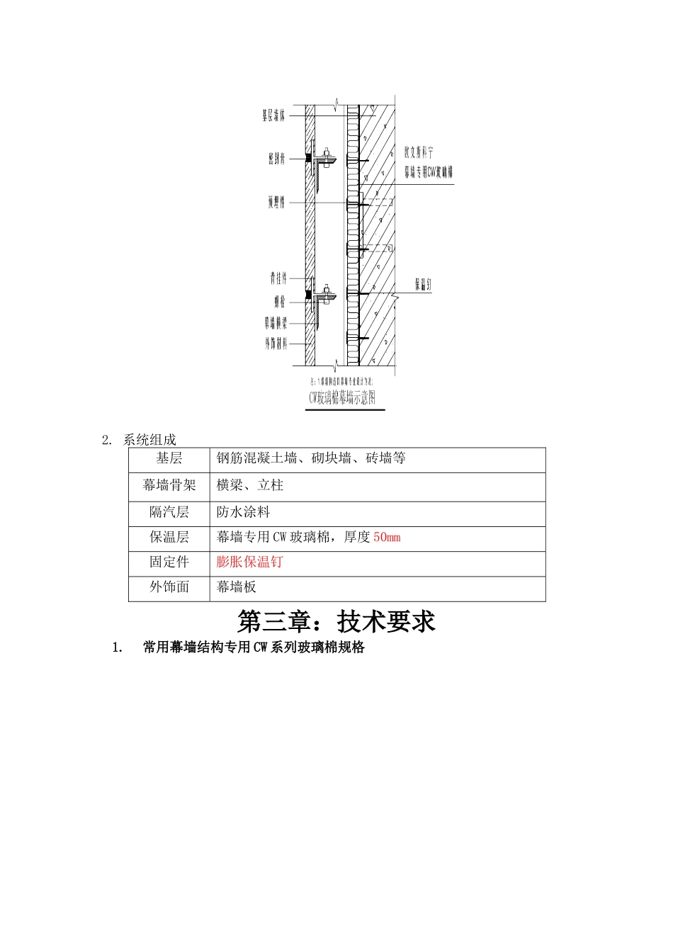
(欧文斯科宁幕墙专用玻璃棉)技术要求和施工方案2011年3月22日目录第一章:工程概况第二章:系统说明第三章:技术要求第四章:施工方案第一章:工程概况1.工程名称:2.建筑地点:3.项目概况第二章:系统说明1.基本构造以CW系列玻璃棉为保温材料,采用膨胀钉固定方式将CW系列玻璃棉固定在基层墙体上,外饰面为幕墙。其基本构造如下图:2.系统组成基层钢筋混凝土墙、砌块墙、砖墙等幕墙骨架横梁、立柱隔汽层防水涂料保温层幕墙专用CW玻璃棉,厚度50mm固定件膨胀保温钉外饰面幕墙板第三章:技术要求1.常用幕墙结构专用CW系列玻璃棉规格2、F50阻燃型防潮层:采用进口阻燃防潮贴面,贴面顶破强度≥2.8kg/cm2,水汽渗透率≤0.02perms3、外用固定件要求(参照JG149-2003要求):1)螺钉a)金属螺钉-不锈钢或经防腐处理的金属制成b)塑料螺钉-聚酰胺、聚乙烯或聚丙烯制成2)套管材质:聚酰胺、聚乙烯或聚丙烯制成,圆盘直径(mm)≥503)固定件有效锚固深度(mm)≥254)单个固定件抗拉承载力标准值均≥0.30检验项目测试结果质量吸湿率≤3.0%wt(49,95%RH)憎水率≥99%纤维直径≤6.5μm(特殊≤5.5μm)燃烧性能等级A级不燃热阻,单位:(m2.K)/W(24℃)≥1.53/50mm-厚度,mm50mm宽度,mm1200mm长度,mm根据实际需要成卷毡5)单个固定件对系统传热增加值/W/(m2•K)≤0.0043、外用固定件要求(参照JG149-2003要求):4、胶带:建议使用铝箔胶带,具体技术指标未查到。第四章:施工方案1施工条件1.1基层墙面应干燥并已验收合格。1.2施工现场在施工时风力不大于5级。1.3雨天施工时应采取有效措施,防止雨水淋湿玻璃棉。2主要施工工具壁纸刀、电动螺丝刀、2m靠尺等。3施工流程4施工要点4.1施工准备:4.1.1材料准备:根据图纸及工程情况,编制详细的材料订货供应计划单。4.1.2施工机具:对所用机具进行检测,确保其性能良好。4.1.3人员准备:对技术工人进行技术培训、交底。4.1.4技术准备:熟悉图纸,准备有关图集、质量验收标准。4.2测量放线:施工准备测量放线预埋件清理连接角码安装检查校正幕墙立柱安装幕墙横梁安装检查校正CW玻璃棉安装/玻璃棉保温钉安装检查校正幕墙面板安装检查校正注胶清洁验收4.2.1根据土建单位提供的中心线及标高点,以建筑物的轴线为依据,对已完工的土建结构进行测量。根据土建标高基准线测预埋件标高中心线,检查预埋件标高偏差;4.2.2找出幕墙立柱与建筑轴线的关系,根据土建轴线测量立柱轴线,检查预埋件左右偏差。4.2.3整理以上测量结果,确定幕墙立柱分隔的调整处理方案。4.2.4根据设计图纸和土建结构误差确定幕墙立柱外平面轴线距建筑物外平面轴线的距离,在墙面顶部合适位置用钢琴线定出幕墙立柱外平面轴线。用钢琴线定出每条立柱的左右位置。每一定位轴线间的误差在本定位轴线间消化,误差在每个分格间分摊小于2mm。4.2.5确定立柱顶标高与楼层标高的关系,沿楼板外沿弹出墨线定出立柱顶标高线。4.3连接角码安装:连接角码焊接钢板。连接角码端部在焊接钢板外无法时,切短角码,增加焊缝长度;角码侧边无法焊接时,切去角码边缘,留出焊缝;预埋板两个方向偏差很大时,补钢板;预埋板凹入或倾斜过大时,补加垫板。4.4立柱安装:4.4.1立柱安装顺序由下至上。使立柱上已有的中心线和测量时所定的立柱站线(钢琴线)重合,立柱顶和测量时所定的标高控制线水平,另把连接角码临时点焊在预埋钢板上,然后调整立柱位置。4.4.2第一条立柱准确无误后,把上一层立柱套入下一层立柱芯套,就位准确后点焊。如此循环,完成一组立柱安装。4.4.3一面幕墙立柱安装完毕,经检查位置准确、安装牢固后,再按焊缝要求加焊。4.5横梁安装4.5.1用水准仪把楼层标高线引到立柱上。以楼层标高线为基准,在立柱侧面标出横梁位置。4.5.2将横梁两端的连接件(铝角码)安装在立柱的预定位置,要求安装牢固、接缝严密。4.5.3横梁的安装应由下向上进行,当安装完成时,应进行检查、调整、校正、固定,使其符合质量要求。4.7CW玻璃棉毡安装4.7.1根据玻璃棉厚度选用相应长度的膨胀保温钉,进行现场样板制作后大面积使用;保温钉布置示意图4.7.2根据墙体立面保温钉位置,将保温钉螺杆穿透玻璃棉安装到墙体...

1、当您付费下载文档后,您只拥有了使用权限,并不意味着购买了版权,文档只能用于自身使用,不得用于其他商业用途(如 [转卖]进行直接盈利或[编辑后售卖]进行间接盈利)。
2、本站所有内容均由合作方或网友上传,本站不对文档的完整性、权威性及其观点立场正确性做任何保证或承诺!文档内容仅供研究参考,付费前请自行鉴别。
3、如文档内容存在违规,或者侵犯商业秘密、侵犯著作权等,请点击“违规举报”。

碎片内容

幕墙玻璃棉施工方案(无衬板外用固定件)

您可能关注的文档

起跑线书城+ 关注
实名认证
内容提供者

热爱教学事业,对互联网知识分享很感兴趣

确认删除?
VIP
微信客服
  • 扫码咨询
会员Q群
  • 会员专属群点击这里加入QQ群
客服邮箱
回到顶部