电脑桌面
添加小米粒文库到电脑桌面
安装后可以在桌面快捷访问

真如灌注桩施工方案VIP免费

真如灌注桩施工方案_第1页
1/29
真如灌注桩施工方案_第2页
2/29
真如灌注桩施工方案_第3页
3/29
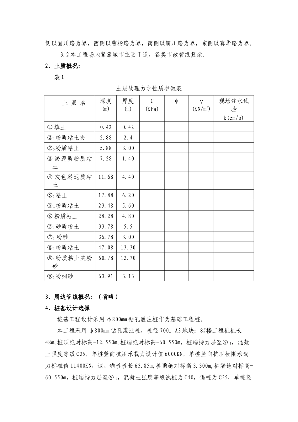
一、编制依据及说明1编制说明上海真如城市副中心A3—A6地块项目由上海润雅房地产发展有限公司(A3地块)上海富华房地产发展有限公司(A6地块)筹建,由中国中建设计集团有限公司上海分公司(A3地块)上海建筑设计研究院有限公司(A6地块)设计。我公司专业班组承担该项目的桩基工程施工任务。为确保工程施工质量,保障安全,保证施工进度,满足设计和使用要求,实现“安全、优质、文明、高效”的施工目标,特编写本施工组织设计。2.编制依据本工程施工招标文件;设计院提供全套施工图纸;现场实地踏勘获得的第一手资料;(1)国家标准:国家标准《建筑地基基础设计规范》(GB50007-2002)国家标准《混凝土结构设计规范》(GB50010-2002)国家标准《钢结构设计规范》(GB50017-2003)国家标准《建筑结构荷载规范》(GB50009-2001)(2006版)国家标准《建筑地基基础工程施工质量验收规范》(GB50202-2002)国家标准《混凝土结构工程施工质量验收规范》(GB50204-2002)(2)上海市标准:上海市标准《地基基础设计规范》(DGJ08-11-2010)上海市标准《基坑工程技术规范》(DG/TJ08-61-2010)上海市标准《地基处理技术规范》(DGJ08-40-2010)上海市标准《岩土工程勘察规范》(DGJ08-37-2002)上海市标准《钻孔灌注桩施工规程》(DG/TJ08-202-2007)(3)行业标准:行业标准《建筑桩基技术规范》(JGJ94-2008)二、工程概况上海市普陀区真如城市副中心A3—A6地块发展项目,工程位于铜川路以北、曹杨路以东区域。A3地块为其中的一部分,拟建的8#、11#、12#公寓式办公楼,集办公、零售商业功能为一体在此区域中,地上拟建3栋高层建筑及若干多层建筑,地下为三层地下室;A6地块地上拟建2栋高层建筑及若干多层建筑,地下设三层地下室。参建单位概览:工程名称:上海真如城市副中心A3—A6地块建设单位:上海润雅房地产发展有限公司(A3地块)上海富华房地产发展有限公司(A6地块)设计单位:中国中建设计集团有限公司上海分公司(A3地块)上海建筑设计研究院有限公司(A6地块)1、建筑概况:1.1桩基工程共分A3和A6二个区域。A3地块地上有6幢高层建筑及若干多层建筑,地下为二、三层大底盘地下室。其中包括2栋100m公寓式办公楼(8#、11#楼)和集中大堂,规划用地面积为8597m2,总建筑面积68056m2,12#楼为1栋140m公寓式办公楼,标准层建筑面积为988.38m2A6地块地上有2栋27~29层公寓式办公楼(13#、15#楼)及2层群房,规划用地面积为60585m2。1.2本工程主体建筑地下均为三层,8#楼、11#楼底板面标高为-11.150m,12#楼底板面标高为-11.300m,13#楼、15#楼底板面标高为-7.8m,1.3本工程±0.000相当于绝对标高+4.950m,自然地坪相当于绝对标高约+3.500m。2、结构概况:2.1本工程主体结构采用钢筋混凝土框架—剪力墙结构体系,建筑物楼面为钢筋混凝土现浇梁板式楼盖体系。2.2本工程地基基础设计等级为甲级。2.3本工程底板厚度基本为1.5m。3、场地与环境条件:3.1上海真如城市副中心A3—A6地块位于普陀区,地理位置显赫。场地北侧以固川路为界,西侧以曹杨路为界,南侧以铜川路为界,东侧以真华路为界。3.2本工程场地紧靠城市主要干道,各类市政管线复杂。2、土质概况:表1土层物理力学性质参数表土层名深度(m)厚度(m)C(KPa)γ(KN/m3)现场注水试验k(cm/s)①填土0.420.42②1粉质粘土夹2.882.4②3粉质粘土5.883.00③淤泥质粉质粘土7.281.40④灰色淤泥质粘土11.684.40⑤1粘土17.886.20⑤3粉质粘土23.485.60⑥粉质粘土28.284.80⑦1砂质粉土33.785.5⑦2粉砂36.783.00⑧1粉质粘土47.0813.30⑧2粉质粘土夹粉砂60.7813.70⑨1粉细砂63.913.133、周边管线概况:(省略)4、桩基设计选择桩基工程设计采用φ800mm钻孔灌注桩作为基础工程桩。本工程采用φ800mm钻孔灌注桩,桩径700。A3地块:8#楼工程桩桩长48m,桩顶绝对标高-12.550m,桩端绝对标高-60.550m,桩端持力层至⑨1,混凝土强度等级C35,单桩竖向抗压承载力设计值6000KN,单桩竖向抗压极限承载力标准值11400KN,试、锚桩桩长63.85m,桩顶绝对标高3.300m,桩端绝对标高-60.550m,桩端持力层至⑨1,混凝土强度等级试桩为C40,...

1、当您付费下载文档后,您只拥有了使用权限,并不意味着购买了版权,文档只能用于自身使用,不得用于其他商业用途(如 [转卖]进行直接盈利或[编辑后售卖]进行间接盈利)。
2、本站所有内容均由合作方或网友上传,本站不对文档的完整性、权威性及其观点立场正确性做任何保证或承诺!文档内容仅供研究参考,付费前请自行鉴别。
3、如文档内容存在违规,或者侵犯商业秘密、侵犯著作权等,请点击“违规举报”。

碎片内容

真如灌注桩施工方案

您可能关注的文档

起跑线书城+ 关注
实名认证
内容提供者

热爱教学事业,对互联网知识分享很感兴趣

确认删除?
VIP
微信客服
  • 扫码咨询
会员Q群
  • 会员专属群点击这里加入QQ群
客服邮箱
回到顶部