电脑桌面
添加小米粒文库到电脑桌面
安装后可以在桌面快捷访问

墙柱面天棚工程量清单计价实例VIP免费

墙柱面天棚工程量清单计价实例_第1页
1/4
墙柱面天棚工程量清单计价实例_第2页
2/4
墙柱面天棚工程量清单计价实例_第3页
3/4
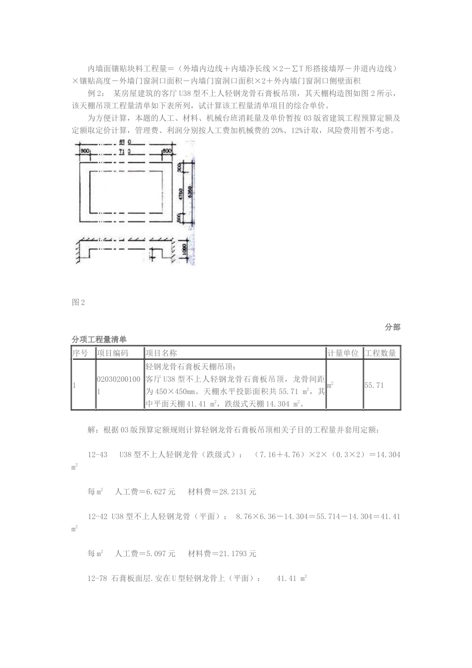
墙柱面、天棚工程量清单计价实例马光鸿08年中博文资料在墙柱面、天棚工程量清单计价指引中,要熟悉常用项目如墙柱面抹灰、墙柱面镶贴块料、天棚抹灰、天棚吊顶等项目中可组合的主要内容和对应的03版定额子目。工程量清单计价举例:例1:某房屋工程平面图如图1所示,并下列了门窗表。外墙顶面标高3.1m,设计室内外高差0.3m。外墙面砖装饰工程量清单如下表所列,试计算外墙面砖装饰工程量清单项目的综合单价。(注:外墙窗居墙中安装,门靠里安装,门窗框厚90mm)。为方便计算,本题的人工、材料、机械台班消耗量及单价暂按03版省建筑工程预算定额及定额取定价计算,管理费、利润分别按人工费加机械费的20%、15%计取,风险费用暂不考虑。图1分部分项工程量清单序号项目编码项目名称计量单位工程数量1020204003001块料墙面:15mm厚1:3水泥砂浆打底,50×230外墙面砖1:2水泥砂浆粘贴。m285.55解:外墙中心线=(9+5)×2=28m外墙外边线=28+0.24×4=28.96m外墙面高度=3.1+0.3=3.4m编号宽(mm)高(mm)樘数M1120025002M290021003C1150015001C2120015005外墙门窗洞口面积=1.2×2.5×2+1.5×1.5×1+1.2×1.5×5=17.25m2外墙门窗洞口侧壁面积=(1.2+2.5×2)×2×(0.24-0.09)+[(1.5+1.5)×2+(1.2+1.5)×2×5]×(0.24-0.09)/2=1.86+2.48=4.34m2根据03版预算定额规则计算外墙面砖装饰相关子目的工程量并套用定额:11-93外墙面砖(50×230)1:2水泥砂浆粘贴:外墙面镶贴块料工程量=外墙外边线×镶贴高度-外墙门窗洞口面积+外墙门窗洞口侧壁面积=28.96×3.4-17.25+4.34=85.55m2每m2人工费=11.328元材料费=29.4953元机械费=0.1073元11B—1外墙面15厚1:3水泥砂浆抹底灰:85.55m2(注:本补充定额详见建筑工程综合解释)每m2人工费=2.79元材料费=2.7687元机械费=0.0894元按下列表式计算外墙面砖装饰工程量清单项目的综合单价:分部分项工程量清单项目综合单价计算表工程名称:某工程计量单位:m2项目编码:020204003001工程数量:85.55项目名称:外墙面砖装饰综合单价:51.59元注:表中综合单价=4413.42÷85.55=51.59元/m2思考题:请你考虑一下外墙面抹灰、内墙面抹灰和内墙面镶贴块料的工程量计算思路。参考计算公式:外墙面抹灰工程量=外墙外边线×抹灰高度-外墙门窗洞口面积内墙面抹灰工程量=(外墙内边线+内墙净长线×2-∑T形搭接墙厚-井道内边线)×抹灰高度-外墙门窗洞口面积-内墙门窗洞口面积×2序号定额编号工程内容单位数量人工费材料费机械使用费管理费利润风险费用小计111-93外墙面砖(50×230)1:2水泥砂浆粘贴m285.55969.112523.329.18195.66146.7403844.01211B-115厚1:3水泥砂浆抹底灰m285.55238.68236.867.6549.2736.950569.41合计1207.792760.1816.83244.93183.6904413.42内墙面镶贴块料工程量=(外墙内边线+内墙净长线×2-∑T形搭接墙厚-井道内边线)×镶贴高度-外墙门窗洞口面积-内墙门窗洞口面积×2+外内墙门窗洞口侧壁面积例2:某房屋建筑的客厅U38型不上人轻钢龙骨石膏板吊顶,其天棚构造图如图2所示,该天棚吊顶工程量清单如下表所列,试计算该工程量清单项目的综合单价。为方便计算,本题的人工、材料、机械台班消耗量及单价暂按03版省建筑工程预算定额及定额取定价计算,管理费、利润分别按人工费加机械费的20%、12%计取,风险费用暂不考虑。图2分部分项工程量清单序号项目编码项目名称计量单位工程数量1020302001001轻钢龙骨石膏板天棚吊顶:客厅U38型不上人轻钢龙骨石膏板吊顶,龙骨间距为450×450mm。天棚水平投影面积共55.71m2,其中平面天棚41.41m2,跌级式天棚14.304m2。m255.71解:根据03版预算定额规则计算轻钢龙骨石膏板吊顶相关子目的工程量并套用定额:12-43U38型不上人轻钢龙骨(跌级式):(7.16+4.76)×2×(0.3×2)=14.304m2每m2人工费=6.627元材料费=28.2131元12-42U38型不上人轻钢龙骨(平面):8.76×6.36-14.304=55.714-14.304=41.41m2每m2人工费=5.097元材料费=21.1793元12-78石膏板面层.安在U型轻钢龙骨上(平面):41.41m2每m2人工费=3.879元材料费=11.1906元12...

1、当您付费下载文档后,您只拥有了使用权限,并不意味着购买了版权,文档只能用于自身使用,不得用于其他商业用途(如 [转卖]进行直接盈利或[编辑后售卖]进行间接盈利)。
2、本站所有内容均由合作方或网友上传,本站不对文档的完整性、权威性及其观点立场正确性做任何保证或承诺!文档内容仅供研究参考,付费前请自行鉴别。
3、如文档内容存在违规,或者侵犯商业秘密、侵犯著作权等,请点击“违规举报”。

碎片内容

墙柱面天棚工程量清单计价实例

起跑线书城+ 关注
实名认证
内容提供者

热爱教学事业,对互联网知识分享很感兴趣

确认删除?
VIP
微信客服
  • 扫码咨询
会员Q群
  • 会员专属群点击这里加入QQ群
客服邮箱
回到顶部