电脑桌面
添加小米粒文库到电脑桌面
安装后可以在桌面快捷访问

深层搅拌等厚水泥土防渗墙施工方案VIP免费

深层搅拌等厚水泥土防渗墙施工方案_第1页
1/16
深层搅拌等厚水泥土防渗墙施工方案_第2页
2/16
深层搅拌等厚水泥土防渗墙施工方案_第3页
3/16
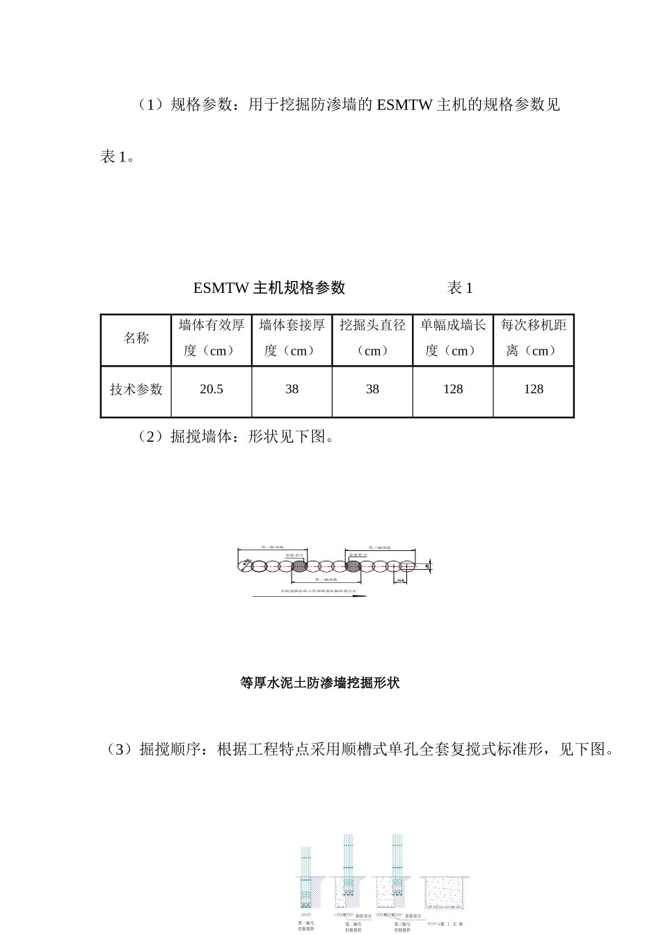
深层搅拌等厚水泥土防渗墙(ESMTW工法)施工方案1工程概况东厢堤堤基地层主要为第四系冲积层,沉积物主要为砂、粘性土、淤泥等。针对该强透水层地基,设计采用深层搅拌等厚水泥土防渗墙(又名多轴深搅等厚薄墙防渗墙)处理。深层搅拌等厚水泥土防渗墙桩号为0+000~2+900,其中0+400~0+600段防渗墙在潮州供水枢纽受水区工程中实施。其墙顶高程为9.0m~14.88m,墙底高程-15.0m~0.5m,深度最大29.88m,墙厚最小厚度20cm,深入下卧相对不透水层2.0m,工程量为63662.3m2。施工平面布置详见附图4-2。2深层搅拌等厚水泥土防渗墙施工方法2.1施工工艺根据设计要求深层搅拌等厚水泥土防渗墙施工采用ESMTW工法,即在移动支撑机上的三支点垂直立柱导杆上装载着ESMTW挖掘搅拌装置,5根掘削搅拌轴将ESMTW回转动力传至下面的挖掘头,同时通过3孔送浆、2孔送气、5轴掘搅、三维作业、跟踪监控,在原有位置将基土和水泥混合搅拌成均匀的地下连续墙的施工技术。第二幅号挖掘搅拌第一幅号挖掘搅拌施工完成第三幅号挖掘搅拌套接部分套接部分(1)规格参数:用于挖掘防渗墙的ESMTW主机的规格参数见表1。ESMTW主机规格参数表1名称墙体有效厚度(cm)墙体套接厚度(cm)挖掘头直径(cm)单幅成墙长度(cm)每次移机距离(cm)技术参数20.53838128128(2)掘搅墙体:形状见下图。(3)掘搅顺序:根据工程特点采用顺槽式单孔全套复搅式标准形,见下图。等厚水泥土防渗墙挖掘形状(4)工艺流程:包括清场备料、放样接高、安装调试、开沟铺板、设备就位、掘进搅拌、回转提升、成墙移机等。工艺流程见下图。顺槽式单孔全套打复搅式标准形施工示意图2.2施工准备(1)熟悉情况和技术交底先组织施工技术人员和骨干技工进行图纸会审,认真研究施工图纸资料、技术要求和业主方要求,吃透精神,制定相关的施工方案;组织工人学习防渗墙施工要求、施工规范,制定施工细则,使全体参加防渗墙施工的所有人员均做到心中有底。(2)材料选取①水泥深层搅拌水泥土防渗墙的浆液采用普通硅酸盐水泥拌制,水泥的强度等级应不低于32.5MPa。水泥应新鲜无结块,过4900孔筛筛等厚水泥土防渗墙工艺流程图余量应不低于5%,水泥的其它要求应符合其它有关规定。受潮湿结块的水泥,禁止使用。②水浆液拌和用水的水质按JGJ63-89的规定执行。③掺和料为增大防渗墙墙体的柔性,浆液中可掺入适量的黏土或膨润土,黏土的黏粒含量应不小于50%,塑性指数应不小于35;膨润土黏粒含量不小于55%,塑性指数应不小于60,细度应为200目。黏土或膨润土的掺入量应通过现场试验确定。④外加剂各种外加剂的质量应符合DL/T5100-1999有关规定。(3)浆液试验①配合比试验(a)在防渗墙正式施工前28天,根据施工图纸对防渗墙墙体的要求,完成浆液的配合比设计,并须将浆液的配合比试验计划报送监理人审批,并在试验结束后应立即将试验成果报送监理人审批。(b)采集施工现场土样,进行室内试验取得最佳水灰比。(c)浆液存放时间:当环境气温在100C以下时,不宜超过5小时;当环境气温在100C以上时,不宜超过3小时;浆液存放时间超过以上规定的有效时间,应作废浆处理。(d)配合比试验测试内容应包括:浆液拌制时间、浆液密度、浆液粘度、浆液流动性、浆液的沉淀速度和沉淀稳定性、浆液的凝结时间(初凝、终凝)以及浆液凝固体密度、强度、弹性模量等。②水泥土固结体的物理及力学性能试验(a)进行水泥土混合体进行物理及力学性能试验,确定水泥掺入比和掺和料的掺合比,并将试验计划和试验结果报送监理人审批。(b)进行水泥土混合体取样做单轴无限抗压试验,其强度须满足施工图纸的要求。(c)进行水泥土混合体进行压(注)水试验,测定水泥土混合体的渗透系数和临界水力梯度,测定允许水力坡降值。(4)设备选择本合同工程范围内的深层搅拌等厚水泥土防渗墙墙体的设计最小厚度为200mm,选择适合的成墙机具和施工工艺,保证防渗墙的全部墙体最小厚度均大于200mm。(5)现场布置施工场地布置进行全面规划,开挖储留沟,选择弃土场地,做好余浆储存措施和环境保护措施。①立面布置多轴掘搅水泥土防渗薄墙(ESMTW工法)造墙机立面布置见下图。制浆系统发电机组施工...

1、当您付费下载文档后,您只拥有了使用权限,并不意味着购买了版权,文档只能用于自身使用,不得用于其他商业用途(如 [转卖]进行直接盈利或[编辑后售卖]进行间接盈利)。
2、本站所有内容均由合作方或网友上传,本站不对文档的完整性、权威性及其观点立场正确性做任何保证或承诺!文档内容仅供研究参考,付费前请自行鉴别。
3、如文档内容存在违规,或者侵犯商业秘密、侵犯著作权等,请点击“违规举报”。

碎片内容

深层搅拌等厚水泥土防渗墙施工方案

您可能关注的文档

确认删除?
VIP
微信客服
  • 扫码咨询
会员Q群
  • 会员专属群点击这里加入QQ群
客服邮箱
回到顶部