电脑桌面
添加小米粒文库到电脑桌面
安装后可以在桌面快捷访问

坡道施工方案VIP免费

坡道施工方案_第1页
1/9
坡道施工方案_第2页
2/9
坡道施工方案_第3页
3/9
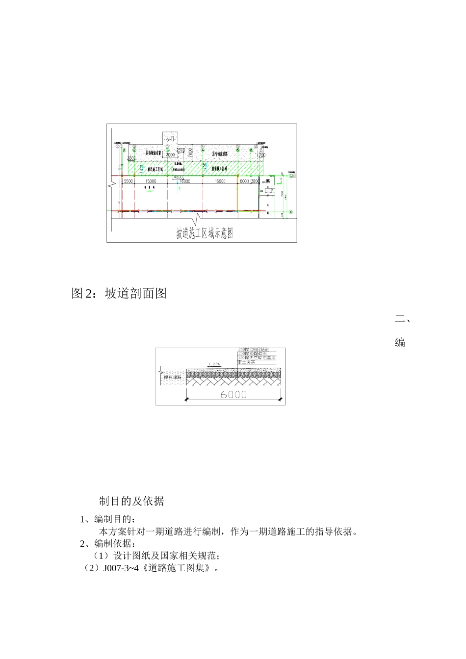
前言一、工程概况………………………………………………………….2二、编制目的及依据………………………………………………….3三、施工部署……………………………………………………….…4四、工艺流程及顺序安排………………………………………….…4五、施工方法及技术措施………………………………………….…6六、质量控制措施…………………………………………………….7七、安全、文明控制措施…………………………………………….8上海通用北厂冲压件仓库坡道施工方案一、工程概况工程名称:上海通用汽车有限公司金桥北厂冲压仓库扩建项目和南厂总装车间扩建项目总承包工程工程地点:上海浦东申江路1500号上海通用汽车有限公司金桥厂区内建设单位:上海通用汽车有限公司设计单位:上海市机电设计研究院有限公司监理单位:上海市同济项目管理咨询有限公司本工程分为北厂冲压仓库扩建和南厂总装扩建项目总建筑分别为:冲压约为5400m2,南厂总装扩建约为5400m2。结构形式为钢结构框架结构,地上一层,地下采用桩基形式。北厂辅房为框架结构,冲压仓库为钢结构。南厂为钢结构。南厂新增卸货区一:15m×52.5m,建筑高度为6.95m;新增卸货区二:45m×21m,建筑高度为11.60m;新增卸货区三:135m×20m+61.8m×15m,建筑高度为6.20m。北厂62m×47.6m+107.75m×15m,建筑高度为6.59m(建筑高度均为室外地面至屋面天沟外檐高度)。上部为钢结构钢柱两种规格H型钢和箱形柱,钢梁为H型钢,墙面檩条C型,屋面檩条Z型。北厂和南厂耐火等级为二级,结构设计抗震设防烈度为7度,建筑物设计安全等级为二级。北厂屋面防水等级Ⅱ级;南厂屋面防水等级III级(一道金属板设防,一道高分子卷材设防)。结构的设计使用年限为50年。+0.000m相当于绝对标高+4.33m。坡道施工概况:本次施工内容为北厂扩建冲压件仓库北侧道路的新建工程,道路全长61.3m,宽度6m,总面积367.8m2。室外地坪标高为-0.150,室内地坪标高为+0.000,卸货棚内从内至外有0.5%的放坡。此坡道连接着卸货棚地坪外边沿和室外地坪,卸货棚南北向长度为15m,坡道南北向长度为6m,经计算得坡道南北边沿的高差为0.075m,坡道南北坡度为1.25%。坡道施工区域示意图及横断面图如图1、2所示。图1:坡道施工区域示意图图2:坡道剖面图二、编制目的及依据1、编制目的:本方案针对一期道路进行编制,作为一期道路施工的指导依据。2、编制依据:(1)设计图纸及国家相关规范;(2)J007-3~4《道路施工图集》。三、施工部署1、人工上海通用项目振捣手2人/泵刮平4人/班墁光3人/班放料员2人/班混凝土找平4人/班2、机具序号设备名称数量备注1泵车42m泵车2泵罐车8辆3水平管50米4震动棒2根5温度计2根6试块模5组7坍落度筒2个8地坪墁光机3台9塑料薄膜1000m210土工布1000m2四、工艺流程及顺序安排1、工艺流程工艺流程:阴井管道埋设→垫层放线→钢筋绑扎支模→混凝土浇筑刮平→第一次用刮尺刮平→第二次抹平、整体墁光机墁光→第三次整体墁光机墁光抹平→表面修饰及养护→清理填缝。垫层放线→地坪钢筋绑扎→地坪铁件固定焊接→混凝土浇筑刮平→地坪铁件上砼清理→第一次用刮尺刮平→第二次抹平、整体墁光机墁光→第三次整体墁光机墁光、抹平→表面修饰及养护→清理填缝2、施工顺序安排施工顺序安排:道路浇筑从西到东,考虑到现场施工车辆人员出入施工场地分两个阶段浇筑,进行跳仓浇筑,如下图。坡道浇筑分阶段施工示意图第二阶段施工与东西两侧第一阶段施工路面交界位置设置胀缝,其余位置做切缝处理,横向切缝间距为3000mm,纵向切缝间距为5000~5300mm,详见横纵缝布置平面图。横纵缝布置平面图节点施工详图五、施工方法及技术措施1、钢筋工程本工程采用直径16的二级钢钢筋,拉杆采用直径28的二级钢钢筋,纵向钢筋(沿道路长方向)设置间距为350~360mm,拉杆长度650mm。横向钢筋(沿道路宽度方向)设置间距为700mm,横向钢筋的长度按照路面净宽尺寸-100mm进行下料,钢筋端头保护层厚度为50mm。纵向钢筋的长度按9m一根进行通长布置,接头处不需搭接。各板块(按分缝后的板块)的钢筋布置如下图所示。钢筋原材料应符合质量要求,其调直、切断、弯曲都必须...

1、当您付费下载文档后,您只拥有了使用权限,并不意味着购买了版权,文档只能用于自身使用,不得用于其他商业用途(如 [转卖]进行直接盈利或[编辑后售卖]进行间接盈利)。
2、本站所有内容均由合作方或网友上传,本站不对文档的完整性、权威性及其观点立场正确性做任何保证或承诺!文档内容仅供研究参考,付费前请自行鉴别。
3、如文档内容存在违规,或者侵犯商业秘密、侵犯著作权等,请点击“违规举报”。

碎片内容

坡道施工方案

确认删除?
VIP
微信客服
  • 扫码咨询
会员Q群
  • 会员专属群点击这里加入QQ群
客服邮箱
回到顶部