电脑桌面
添加小米粒文库到电脑桌面
安装后可以在桌面快捷访问

通信行业-计费业务中心-系统管理岗位说明书VIP免费

通信行业-计费业务中心-系统管理岗位说明书_第1页
1/3
通信行业-计费业务中心-系统管理岗位说明书_第2页
2/3
通信行业-计费业务中心-系统管理岗位说明书_第3页
3/3
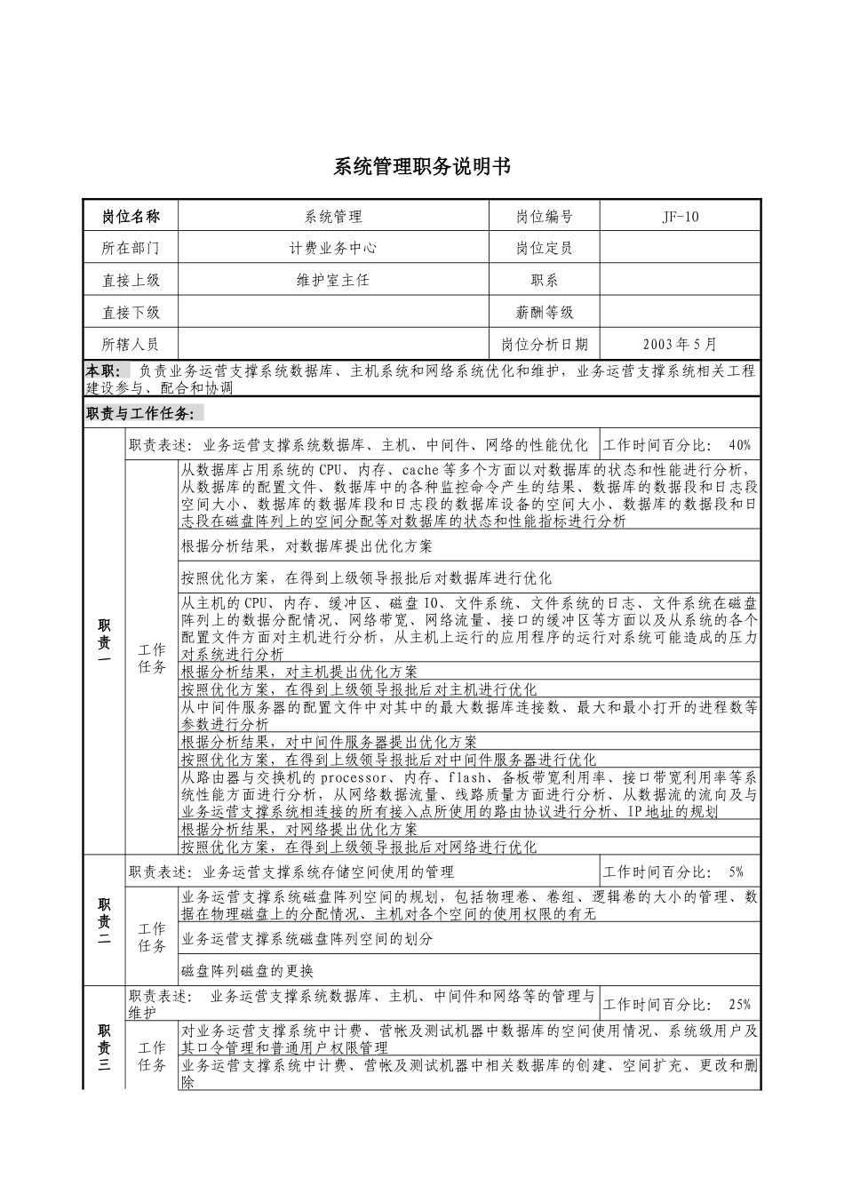
系统管理职务说明书岗位名称系统管理岗位编号JF-10所在部门计费业务中心岗位定员直接上级维护室主任职系直接下级薪酬等级所辖人员岗位分析日期2003年5月本职:负责业务运营支撑系统数据库、主机系统和网络系统优化和维护,业务运营支撑系统相关工程建设参与、配合和协调职责与工作任务:职责一职责表述:业务运营支撑系统数据库、主机、中间件、网络的性能优化工作时间百分比:40%工作任务从数据库占用系统的CPU、内存、cache等多个方面以对数据库的状态和性能进行分析,从数据库的配置文件、数据库中的各种监控命令产生的结果、数据库的数据段和日志段空间大小、数据库的数据库段和日志段的数据库设备的空间大小、数据库的数据段和日志段在磁盘阵列上的空间分配等对数据库的状态和性能指标进行分析根据分析结果,对数据库提出优化方案按照优化方案,在得到上级领导报批后对数据库进行优化从主机的CPU、内存、缓冲区、磁盘IO、文件系统、文件系统的日志、文件系统在磁盘阵列上的数据分配情况、网络带宽、网络流量、接口的缓冲区等方面以及从系统的各个配置文件方面对主机进行分析,从主机上运行的应用程序的运行对系统可能造成的压力对系统进行分析根据分析结果,对主机提出优化方案按照优化方案,在得到上级领导报批后对主机进行优化从中间件服务器的配置文件中对其中的最大数据库连接数、最大和最小打开的进程数等参数进行分析根据分析结果,对中间件服务器提出优化方案按照优化方案,在得到上级领导报批后对中间件服务器进行优化从路由器与交换机的processor、内存、flash、备板带宽利用率、接口带宽利用率等系统性能方面进行分析,从网络数据流量、线路质量方面进行分析、从数据流的流向及与业务运营支撑系统相连接的所有接入点所使用的路由协议进行分析、IP地址的规划根据分析结果,对网络提出优化方案按照优化方案,在得到上级领导报批后对网络进行优化职责二职责表述:业务运营支撑系统存储空间使用的管理工作时间百分比:5%工作任务业务运营支撑系统磁盘阵列空间的规划,包括物理卷、卷组、逻辑卷的大小的管理、数据在物理磁盘上的分配情况、主机对各个空间的使用权限的有无业务运营支撑系统磁盘阵列空间的划分磁盘阵列磁盘的更换职责三职责表述:业务运营支撑系统数据库、主机、中间件和网络等的管理与维护工作时间百分比:25%工作任务对业务运营支撑系统中计费、营帐及测试机器中数据库的空间使用情况、系统级用户及其口令管理和普通用户权限管理业务运营支撑系统中计费、营帐及测试机器中相关数据库的创建、空间扩充、更改和删除业务运营支撑系统数据库的错误日志检查、数据库的数据段空间监控等日常维护工作业务运营支撑系统主机操作系统和相关系统软件的安装、配置和补丁版本的升级业务运营支撑系统主机的日常维护,包括CPU、内存、SWAP和IO的资源使用情况、文件系统的空间利用情况、系统错误日志中给出的错误信息、以及根据这些信息所做的后续处理工作管理业务运营支撑系统主机的空间、用户和用户权限业务运营支撑系统双机热备软件的配置、管理与双机热备切换测试等日常维护业务运营支撑系统主机的日常维护对中间件服务器启动和停止,中间件控制的进程数量的监控、对数据库的连接数监控等的日常管理与维护业务运营支撑系统网络设备中的用户的管理业务运营支撑系统网络设备的日常维护,包括网络设备硬件的维护、网络传输介质和线路的维护业务运营支撑系统主系统电路的增加、删除与修改,地市营业厅电路的增加、删除与修改,对全省业务运营支撑系统使用电路的宏观调控业务运营支撑系统与其它系统(包括集团公司、深圳清算中心、省公司其它部门、SP、银行联网、GPRS、光缆监控、OSS等)的网络互连的维护与管理业务运营支撑系统主机监控系统的设计、规划、开发与日常维护业务运营支撑系统中其它与业务运营支撑系统有关的设备的维护管理:智能网采集系统的维护和管理、无线终端系统的维护、GPRS系统BillingGateway的管理职责四职责表述:业务运营支撑系统的安全管理工作时间百分比:10%工作任务业务运营支撑系统安全规则的制定、管理和实施业务运营支撑系统安全漏洞的查找...

1、当您付费下载文档后,您只拥有了使用权限,并不意味着购买了版权,文档只能用于自身使用,不得用于其他商业用途(如 [转卖]进行直接盈利或[编辑后售卖]进行间接盈利)。
2、本站所有内容均由合作方或网友上传,本站不对文档的完整性、权威性及其观点立场正确性做任何保证或承诺!文档内容仅供研究参考,付费前请自行鉴别。
3、如文档内容存在违规,或者侵犯商业秘密、侵犯著作权等,请点击“违规举报”。

碎片内容

通信行业-计费业务中心-系统管理岗位说明书

确认删除?
VIP
微信客服
  • 扫码咨询
会员Q群
  • 会员专属群点击这里加入QQ群
客服邮箱
回到顶部