电脑桌面
添加小米粒文库到电脑桌面
安装后可以在桌面快捷访问

××集团公司员工奖惩制度2VIP免费

××集团公司员工奖惩制度2_第1页
1/10
××集团公司员工奖惩制度2_第2页
2/10
××集团公司员工奖惩制度2_第3页
3/10
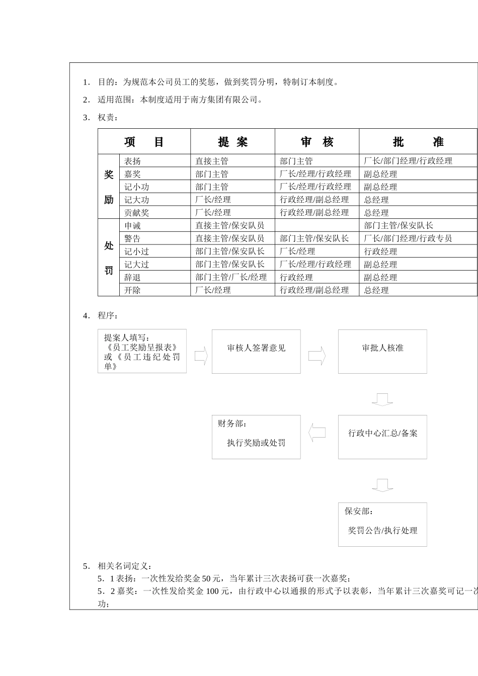
广东南方集团公司文件编号:WB2002-4-17-01版本:第A版修改:第1次Page:1of4执行日期:核准之日制作:李静审核:核准:主题:奖惩制度日期:2002-4-17日期日期:1.目的:为规范本公司员工的奖惩,做到奖罚分明,特制订本制度。2.适用范围:本制度适用于南方集团有限公司。3.权责:项目提案审核批准奖励表扬直接主管部门主管厂长/部门经理/行政经理嘉奖部门主管厂长/经理/行政经理副总经理记小功部门主管厂长/经理/行政经理副总经理记大功厂长/经理行政经理/副总经理总经理贡献奖厂长/经理行政经理/副总经理总经理处罚申诫直接主管/保安队员部门主管/保安队长警告直接主管/保安队员部门主管/保安队长厂长/部门经理/行政专员记小过部门主管/保安队长厂长/经理行政经理记大过部门主管/保安队长厂长/经理/行政经理副总经理辞退部门主管/厂长/经理行政经理副总经理开除厂长/经理行政经理/副总经理总经理4.程序:5.相关名词定义:5.1表扬:一次性发给奖金50元,当年累计三次表扬可获一次嘉奖;5.2嘉奖:一次性发给奖金100元,由行政中心以通报的形式予以表彰,当年累计三次嘉奖可记一次小功;提案人填写:《员工奖励呈报表》或《员工违纪处罚单》审核人签署意见审批人核准行政中心汇总/备案财务部:执行奖励或处罚保安部:奖罚公告/执行处理5.3记小功:一次性发给奖金300元,由行政中心以通报的形式予以表彰,当年累计三次记小功可记一次大功;5.4记大功:一次性发给奖金1000元,由行政中心以通报的形式予以表彰,当年累计三次记大功可获贡献奖一次;广东南方集团公司文件编号:WB2002-4-17-01版本:第A版修改:第1次Page:2of4执行日期:核准之日制作:李静审核:核准:主题:奖惩制度日期:2002-4-17日期日期:5.5贡献奖:一次性发给奖金3000-10000元,由行政中心以通报的形式予以表彰;5.6申诫:一次性罚款5-20元,登记于保安部公告栏;5.7警告:一次性罚款50元,登记于保安部公告栏;5.8记小过:一次性罚款100元,由行政中心通报全公司予以批评;5.9记大过:一次性罚款300元,由行政中心通报全公司予以批评;5.10辞退:因违纪辞退,一次性处以罚款300-500元,由行政中心通报全公司;5.11开除:依违纪情节扣除所有未结工资的20-100%,由行政中心通报全公司。6.内容:6.1员工具有下列行为之一者,予以表扬:6.1.1热心为公司服务有具体事迹者;6.1.2完成本职工作后,能指导或帮助别人完成工作任务者;6.1.3品性端正,堪为同仁楷模者;6.1.4为公司及员工的利益,敢于与不良现象作斗争者;6.1.5能及时反映不利于公司的情况,维护公司利益者;6.1.6经主管上级认定具有其它同等事迹者。6.2员工具有下列行为之一者,予以嘉奖:6.2.1工作努力,效率优良,提前完成重大工作任务者;6.2.2维护团体荣誉,团队协作精神佳或规劝同事遵守厂规厂纪堪为表率者;6.2.3热心为公司服务,从严要求自己,质量意识强,发现质量隐患者;6.2.4全年出满勤,无迟到早退者;6.2.5敢于举报违纪行为,使公司利益免受损失金额在1000元以下者;6.2.6经主管上级认定具有其它同等事迹,足为其它员工楷模者。6.3员工具有下列行为之一者,予以记小功:6.3.1对生产技术或管理制度提出具体改进方案,经采纳经济效益明显者;6.3.2节约材料,或对废料利用卓有成效者;6.3.3领导有方,使工作开展顺利无任何差错,提前或超额完成工作指标者;6.3.4预防机械发生故障或抢修使生产不致中断者;6.3.5检举舞弊盗窃,减少或防止公司财产损失者;6.3.6经主管上级认定具有其它同等事迹者。6.4员工具有下列行为之一者,予以记大功:6.4.1面对意外事件或突变奋不顾身,极力抢救而减少损失在5000元以下者;6.4.2维护公司、员工安全,冒险执行任务,确有实际功绩者;6.4.3在公司以外为公司争得重大荣誉者;6.4.4超额完成任务,成绩特别突出者;6.4.5当年内记小功三次者;6.4.6经主管上级认定具有其它同等事迹者。6.5员工具有下列行为之一者,发给贡献奖:6.5.1对生产技术或管理制度提出具体改进方案,经采纳取得重大经济效益者;6.5.2服务满5年,未曾旷工或受过...

1、当您付费下载文档后,您只拥有了使用权限,并不意味着购买了版权,文档只能用于自身使用,不得用于其他商业用途(如 [转卖]进行直接盈利或[编辑后售卖]进行间接盈利)。
2、本站所有内容均由合作方或网友上传,本站不对文档的完整性、权威性及其观点立场正确性做任何保证或承诺!文档内容仅供研究参考,付费前请自行鉴别。
3、如文档内容存在违规,或者侵犯商业秘密、侵犯著作权等,请点击“违规举报”。

碎片内容

××集团公司员工奖惩制度2

确认删除?
VIP
微信客服
  • 扫码咨询
会员Q群
  • 会员专属群点击这里加入QQ群
客服邮箱
回到顶部