电脑桌面
添加小米粒文库到电脑桌面
安装后可以在桌面快捷访问

人力资源-20226KV开关柜培训资料VIP专享VIP免费

人力资源-20226KV开关柜培训资料_第1页
1/19
人力资源-20226KV开关柜培训资料_第2页
2/19
人力资源-20226KV开关柜培训资料_第3页
3/19
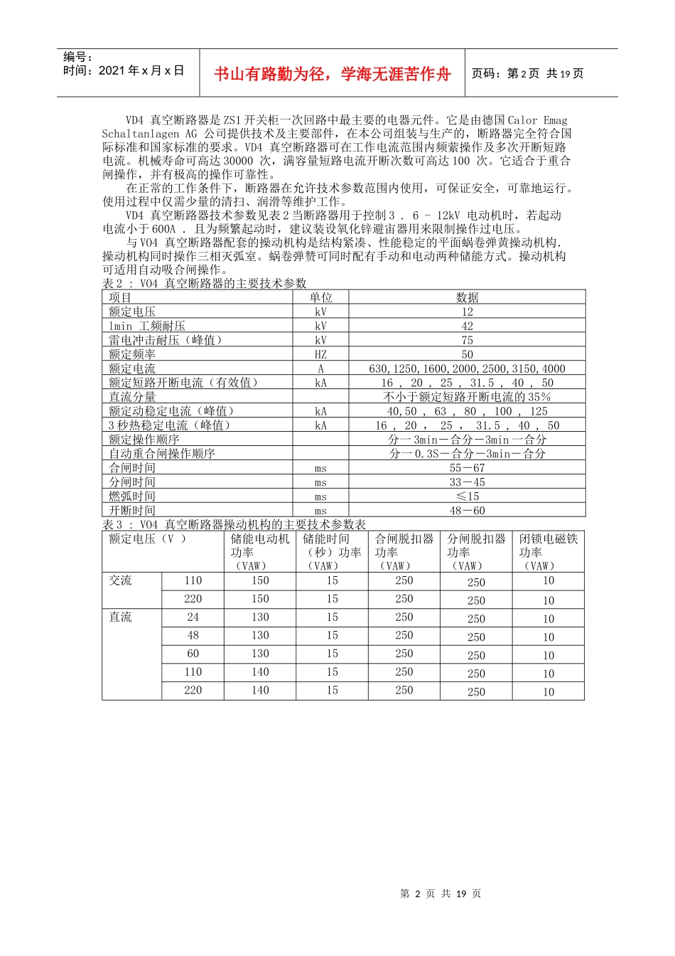
第1页共19页编号:时间:2021年x月x日书山有路勤为径,学海无涯苦作舟页码:第1页共19页6KV开关柜简介目录1、ZS1开关柜技术参数2、一次回路主要电器元件简介2.1、VD4真空断路器2.1.1、断路器本体的结构2.1.2、断路器操动机构的结构2.1.3、脱扣器、闭锁电磁铁和辅助开关2.1.4、功能2.1.5、调试与操作2.2、避雷器2.3、EK6接地开关2.4、电流互感器和电压互感器2.5、二次元件3、ZS1开关柜结构3.1、外壳、隔板和压力释放装置3.2、断路器室3.3、手车3.4、触指系统3.5、母线室3.6、电缆室3.7、低压室3.8、防止误操作的联锁装置4、一次接线5、转检修操作程序5.1、操作程序5.2、检修后的操作程序1、ZS1开关柜技术参数ZS1开关柜技术参数(见表1)表1:ZS1开关柜主要技术参数项目单位数据额定电压kV3.6-12lmin工频耐压kV42雷电冲击耐压(峰值)kV75额定频率HZ50主母线额定电流A1600,2000,2500,3150,4000分支母线额定电流A630,1250,1600,2000,2500,3150,40003秒热稳定电流(有效值)kA16,20,25,31.5,40,50额定动稳定电流(峰值)kA40,50,63,80,100,125防护等级外壳IP4X,断路器室门打开IP2X2、一次回路主要电器元件简介ZS1开关柜中所选用的一次回路主要电器均是ABB德国CalorEmagSchaltanlagenAG公司研制,或采用ABB集团所属公司生产的产品.或由ABB公司确认的厂商提供的产品.这样可保证ZS1开关柜技术性能指标的一致性,相互匹配,从而保证了ZS1开关柜为技术先进、性能稳定和安全可靠的配电设备。下面对251开关柜所选用的一次回路的主要电器元件作简要介绍,供选型时参考。更详细的说明请参阅相关的产品说明书。2.1、VD4真空断路器第2页共19页第1页共19页编号:时间:2021年x月x日书山有路勤为径,学海无涯苦作舟页码:第2页共19页VD4真空断路器是ZS1开关柜一次回路中最主要的电器元件。它是由德国CalorEmagSchaltanlagenAG公司提供技术及主要部件,在本公司组装与生产的,断路器完全符合国际标准和国家标准的要求。VD4真空断路器可在工作电流范围内频萦操作及多次开断短路电流。机械寿命可高达30000次,满容量短路电流开断次数可高达100次。它适合于重合闸操作,并有极高的操作可靠性。在正常的工作条件下,断路器在允许技术参数范围内使用,可保证安全,可靠地运行。使用过程中仅需少量的清扫、润滑等维护工作。VD4真空断路器技术参数见表2当断路器用于控制3.6-12kV电动机时,若起动电流小于600A.且为频繁起动时,建议装设氧化锌避宙器用来限制操作过电压。与VO4真空断路器配套的操动机构是结构紧凑、性能稳定的平面蜗卷弹黄操动机构.操动机构同时操作三相灭弧室。蜗卷弹赞可同时配有手动和电动两种储能方式。操动机构可适用自动吸合闸操作。表2:VO4真空断路器的主要技术参数项目单位数据额定电压kV12lmin工频耐压kV42雷电冲击耐压(峰值)kV75额定频率HZ50额定电流A630,1250,1600,2000,2500,3150,4000额定短路开断电流(有效值)kA16,20,25,31.5,40,50直流分量不小于额定短路开断电流的35%额定动稳定电流(峰值)kA40,50,63,80,100,1253秒热稳定电流(峰值)kA16,20,25,31.5,40,50额定操作顺序分一3min-合分-3min一合分自动重合闸操作顺序分一0.3S-合分-3min-合分合闸时间ms55-67分闸时间ms33-45燃弧时间ms≤15开断时间ms48-60表3:VO4真空断路器操动机构的主要技术参数表额定电压(V)储能电动机功率(VAW)储能时间(秒)功率(VAW)合闸脱扣器功率(VAW)分闸脱扣器功率(VAW)闭锁电磁铁功率(VAW)交流11015015250250102201501525025010直流24130152502501048130152502501060130152502501011014015250250102201401525025010第3页共19页第2页共19页编号:时间:2021年x月x日书山有路勤为径,学海无涯苦作舟页码:第3页共19页2.1.1、断路器本体的结构图(6、7、8及9)断路器本休呈圆柱状.安装在做成托架状的断路器操动机构外壳1的后部,断路器本体的导电部分设置在用绝缘材料制成的圆筒体12内,它能使得真空火弧空免受外界影响和机械的伤害。断路器在合闸位置时的主回路电流路径是:从上部接线端子13经固定在圆筒体12上的火弧室夹架连接到位于真空灭弧室15内部的静触头15.2,...

1、当您付费下载文档后,您只拥有了使用权限,并不意味着购买了版权,文档只能用于自身使用,不得用于其他商业用途(如 [转卖]进行直接盈利或[编辑后售卖]进行间接盈利)。
2、本站所有内容均由合作方或网友上传,本站不对文档的完整性、权威性及其观点立场正确性做任何保证或承诺!文档内容仅供研究参考,付费前请自行鉴别。
3、如文档内容存在违规,或者侵犯商业秘密、侵犯著作权等,请点击“违规举报”。

碎片内容

人力资源-20226KV开关柜培训资料

确认删除?
VIP
微信客服
  • 扫码咨询
会员Q群
  • 会员专属群点击这里加入QQ群
客服邮箱
回到顶部