电脑桌面
添加小米粒文库到电脑桌面
安装后可以在桌面快捷访问

质量和食品安全管理手册(DOC38)(1)VIP免费

质量和食品安全管理手册(DOC38)(1)_第1页
1/222
质量和食品安全管理手册(DOC38)(1)_第2页
2/222
质量和食品安全管理手册(DOC38)(1)_第3页
3/222
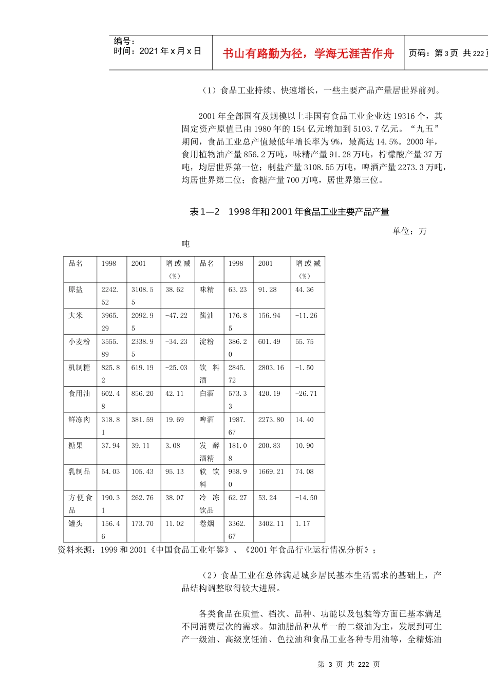
第1页共222页编号:时间:2021年x月x日书山有路勤为径,学海无涯苦作舟页码:第1页共222页第一章中国食品行业发展现状分析第一节中国食品行业发展概述一、食品行业定义与分类食品行业是对农、林、牧、副、渔等部门生产的产品进行加工制造以取得食品的生产部门,与人们生活密切相关。它包括门类非常广泛,通常大致分为十类,即制糖工业、发酵工业、粮油加工、罐头食品加工、烟草工业、饮料工业、调味品工业、屠宰加工、食品冷藏工业及食品加工废料利用工业。而根据第三次工业普查的分类方法,食品行业包括采盐业、食品加工业、食品制造业、饮料制造业、烟草加工业五个部分。表1-1我国食品行业分类主类细类食品加工及制造业粮食加工业、植物油加工业、糕点、糖果制造业、制糖业、屠宰及肉类加工业、蛋品加工业、乳品加工业、水产品加工业、罐头食品制造业、加工盐业、食品添加制造业、调味品制造业及其他食品制造业。饮料制造业饮料酒制造业、酒精制造、无酒精饮料制造业、制茶业及其他饮料制造业烟草加工业烟草烘烤业、卷烟制造业及其他烟草加工业采盐业盐加工业资料来源:中国食品工业年鉴1997北京:中国轻工业出版社该报告所研究范围侧重于食品加工及制造业,即我们通常意义上说的食品行业,饮料制造业、烟草加工业和采盐业将不进行重点论述。二、中国食品行业发展概述第2页共222页第1页共222页编号:时间:2021年x月x日书山有路勤为径,学海无涯苦作舟页码:第2页共222页食品工业在世界经济中一直占着举足轻重的地位,在法国,食品工业的总产值超过了汽车工业,居国民经济之首。我国食品工业自改革开放以来,历经坎坷,在激烈的市场竞争中求生存,并且有了很大的发展。据统计,目前全国已拥有初具规模的食品企业18811家,2001年完成产品销售收入约9000亿元,同比增长13%左右,2001年食品工业生产和销售持续以11%—13%的增长速度高位运行,2002年中国食品行业继续保持增长势头,突破10000万亿元的产值大关。从1980年到2000年,全国食品工业年均增长速度达13.1%。2001年完成工业总产值9260多亿元,比上年增长12.12%,连续八年在国民经济中居于首位。食品工业不仅与人民生活质量、健康水平密切相关,而且是消费品工业中为国家提供积累最多、吸纳城乡劳动就业人员最多、与农业依存度最大、与其他行业关联度最强的一个工业门类。中国食品工业是市场化程度较高的竞争性行业,这决定了中国食品工业产业结构的深刻调整,产生并快速发展了如方便食品、冷冻食品等新生的“朝阳产业”;加速了产业市场化、国际化的进程。到1997年,食品工业中非国有经济产值所占的比重平均为62.87%,而且近二三年,尤其是中国加入WTO前后,其进程仍在加速。这一变化,适应了食品工业的发展规律,使中国食品工业在过去20年中,年平均增速始终高于全国工业的年均增加值。食品工业在连续十余年保持上扬势头的同时,在今后5~10年内仍将持续发展。这是因为:1、世界食品工业以约27000亿美元的营业额居世界工业之前列,中国仅占其不到5%的份额,潜力巨大。2、到“十五”末期,城镇将进入富裕生活的初等水平,恩格尔系数虽下降,但绝对值上升。在今后相当长的时间内,食品消费与需求将完成由追求数量向追求质量、营养、安全、多样和方便型的转化。中国的加工食品占食品消费总量的比重,2000年为37.88%,而发达国家为80%,差距即发展空间。改革开放20多年来,我国食品工业总产值以年均递增10%以上的速度持续快速发展。目前已发展成为门类比较齐全,既能基本满足国内市场需求,又具有一定出口竞争能力的产业。1、主要成就与问题第3页共222页第2页共222页编号:时间:2021年x月x日书山有路勤为径,学海无涯苦作舟页码:第3页共222页(1)食品工业持续、快速增长,一些主要产品产量居世界前列。2001年全部国有及规模以上非国有食品工业企业达19316个,其固定资产原值已由1980年的154亿元增加到5103.7亿元。“九五”期间,食品工业总产值最低年增长率为9%,最高达14.5%。2000年,食用植物油产量856.2万吨,味精产量91.28万吨,柠檬酸产量37万吨,均居世界第一位;制盐产量3108.55万吨,啤酒产量2273.3万吨,均居...

1、当您付费下载文档后,您只拥有了使用权限,并不意味着购买了版权,文档只能用于自身使用,不得用于其他商业用途(如 [转卖]进行直接盈利或[编辑后售卖]进行间接盈利)。
2、本站所有内容均由合作方或网友上传,本站不对文档的完整性、权威性及其观点立场正确性做任何保证或承诺!文档内容仅供研究参考,付费前请自行鉴别。
3、如文档内容存在违规,或者侵犯商业秘密、侵犯著作权等,请点击“违规举报”。

碎片内容

质量和食品安全管理手册(DOC38)(1)

确认删除?
VIP
微信客服
  • 扫码咨询
会员Q群
  • 会员专属群点击这里加入QQ群
客服邮箱
回到顶部