电脑桌面
添加小米粒文库到电脑桌面
安装后可以在桌面快捷访问

全国排放污染物申报登记变更与年审表VIP免费

全国排放污染物申报登记变更与年审表_第1页
1/5
全国排放污染物申报登记变更与年审表_第2页
2/5
全国排放污染物申报登记变更与年审表_第3页
3/5
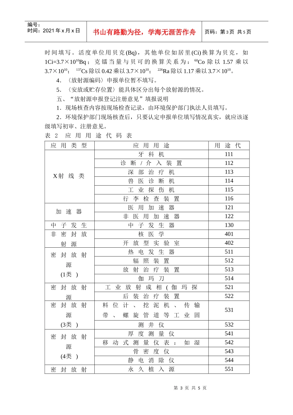
第1页共5页编号:时间:2021年x月x日书山有路勤为径,学海无涯苦作舟页码:第1页共5页放射源申报登记表填报技术规定一、填报须知1.填报数据一律用阿拉伯数字,文字说明一律用汉字(少数民族自治区域可用本民族文字填报,同时用汉字填报一份)。2.必须用钢笔填报,蓝、黑墨水均可,要求书写工整、清晰,不得涂改。3.表中的数据填写格式:有N的按N后面的数字长度填写,如N3则表示最多填写3位整数,N8.2表示最多填8位整数2位小数;有C的可以填写汉字或字母、字符、数字混合,C8可以表示最多填入8个汉字或16个字母、字符、数字混合。活度的指数部分用字符E表示,例如:某一核素的总活度为2.56×1011,填报时填写为2.56E+11。4.本表一式三份,申报单位、设区的市级和省级环境保护局各存一份。二、首页填报技术说明1.〈申报登记代码〉由12位数字码表示。前1–6位按《中华人民共和国行政区划代码》(GB2260–99)规定填写。第7–8位是本单位所属行业的行业代码,按照“国民经济行业分类与代码(GB/T4754–94)”填报。第9–12位是由各地环保行政主管部门给企事业单位编的顺序码。2.〈变更或申报年度〉由4位数字表示申报登记或变更事项发生的年度。3.〈申报单位详细名称〉按照企事业单位的公章详细填写,不能填写简称。4.〈申报单位法人代码〉这一代码标识在“企业法人代码证书”、“事业法人代码证书”、“机关法人代码证书”和“社团法人代码证书”上。5.〈法定代表人〉填入申报单位的法定代表人(或主要负责人)姓名。6.〈开业年份〉指申报单位最早的开业年份。7.〈申报单位地址〉按企事业单位所在省(直辖市、自治区)、地(市、州、盟)、县(市、旗、区)及街道名称、门牌号码等详细填写。8.〈地区代码〉按照《中华人民共和国行政区划代码》(GB2260–99)填写。9.〈变更原因代码〉首次申报不涉及。以后如有变更,代码另发。10.〈环境影响评价文件〉、〈放射防护设施验收〉、〈放射工作安全许可证〉这三项指标主要是指申报单位是否依法在环境保护行政主管部门办理了相应的环境保护手续。有则填写“1”,然后填写办理日期,没有则填写“0”。三、“应用类型概况”填报技术规定1.〈应用类型〉和〈类型代码〉按表1给出的5种应用类型及其代码来填第2页共5页第1页共5页编号:时间:2021年x月x日书山有路勤为径,学海无涯苦作舟页码:第2页共5页写,为2位数字码。对于拥有密封放射源同时又拥有非密封放射源以及X射线机、加速器、中子发生器等射线装置的单位,在应用类型概况中除了要填写密封放射源的情况外还要填写非密封放射源、射线装置的情况。表1应用类型及代码表代码应用类型应用类型说明11X射线类包括医用(含CT)、工业用探伤机和射线分析仪器。12加速器包括医用、工农业、科研、教学等各种类型加速器。13中子发生器包括中子管,但不包括同位素中子源。40非密封放射源放射性物质不能满足密封放射源条件的放射性同位素。50密封放射源是指除研究堆和核动力堆核燃料循环范畴的材料以外,永久密封在容器中或者严密包层并呈固态的放射性材料。2.〈应用数量〉密封源、射线装置填写源、装置的数量,非密封源填写实验室的数量。3.〈应用用途〉和〈用途代码〉按表2给出的各种用途及其代码来填写,为3位数字码。不同应用用途的同一应用类型要分别填写。4.〈状况〉分为两种:在用、闲置废弃。不同状况的同一应用类型要分别填写。四、“密封放射源应用情况表”填报技术规定1.〈核素名称〉填写汉字和核素的原子量,如镭–226,铯–137,钴–60等。2.〈核素代码〉核素代码的编码以化学元素周期表为基础,以5位字母和数字码表示:前2位用字母表示元素符号(元素符号均为大写字母),元素符号若仅为一个字母,第2位补0;后3位表示该元素的原子量,原子量不足3位的在前面补0。如镭–226的元素符号是Ra,原子量是226,它的核素代码就是RA226。碘–126的核素代码是I0126。钴–60的核素代码是CO060。3.〈出厂活度〉和〈出厂日期〉按密封放射源出厂说明书上的出厂活度和第3页共5页第2页共5页编号:时间:2021年x月x日书山有路勤为径,学海无涯苦作舟页码:第3页共5页时间填写。活度单位用贝克(Bq),其他单位如居里(Ci)...

1、当您付费下载文档后,您只拥有了使用权限,并不意味着购买了版权,文档只能用于自身使用,不得用于其他商业用途(如 [转卖]进行直接盈利或[编辑后售卖]进行间接盈利)。
2、本站所有内容均由合作方或网友上传,本站不对文档的完整性、权威性及其观点立场正确性做任何保证或承诺!文档内容仅供研究参考,付费前请自行鉴别。
3、如文档内容存在违规,或者侵犯商业秘密、侵犯著作权等,请点击“违规举报”。

碎片内容

全国排放污染物申报登记变更与年审表

您可能关注的文档

确认删除?
VIP
微信客服
  • 扫码咨询
会员Q群
  • 会员专属群点击这里加入QQ群
客服邮箱
回到顶部