电脑桌面
添加小米粒文库到电脑桌面
安装后可以在桌面快捷访问

人力资源-2022D567楼总施工法案培训讲义VIP专享VIP免费

人力资源-2022D567楼总施工法案培训讲义_第1页
1/96
人力资源-2022D567楼总施工法案培训讲义_第2页
2/96
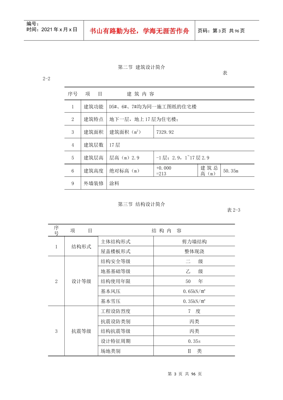
人力资源-2022D567楼总施工法案培训讲义_第3页
3/96
目录第一章编制依据第二章工程概况第三章施工部署第四章施工准备第五章确保施工进度的技术组织措施第六章基础、主体及装饰工程第七章雨期施工方案第八章确保工程质量的技术组织措施第九章确保安全生产的技术组织措施第十章确保文明施工的技术组织措施第十一章保修措施第十二章电气施工方案第十三章水暖施工方案附图表1拟投入本标段的主要施工设备表2拟投入本标段的试验和检测仪器设备表3劳动力计划表4计划开、竣工日期和施工进度横道图5施工总平面图第2页共96页编号:时间:2021年x月x日书山有路勤为径,学海无涯苦作舟页码:第2页共96页第一章编制依据1.工程招标文件;2.沈阳华夏建筑设计有限公司的施工图纸(包括结构、建筑、给排水、电气等专业施工图);3.现行国家建筑施工规范、标准;建筑施工组织设计规范GB/T50502-20114.吉林省及长春市有关建筑施工技术、质量、安全规程和规定;5.我公司ISO9001质量保证体系及ISO14001环境管理体系的有关文件;6.我公司历年积累的有关高层施工的经验资料;7.根据本工程特点,施工现场环境、自然条件等;8.施工目标:(1)工程质量目标:合格;(2)工程进度目标:通过采用先进、合理的施工方法和严格、有效的施工管理,优化劳动力、材料、机具等各项资源的配置,统筹安排、协调控制专业分包及其它承包人施工进度;(3)安全目标:坚持“安全第一、预防为主”的方针,杜绝重大伤亡事故,减少轻伤事故,保证安全生产;(4)节能目标:采取有效的节能技术措施,达到节约能源,改善居住环境;(5)文明施工及环保目标:强化现场科学管理,满足现场环境要求,创一流水平的文明工地。第二章工程概况第一节建设项目概况表2-1序号项目内容1工程名称恒利.七彩阳光小区二期D地块D5#、6#、7#楼2工程地址长春市宽城区丙三路以北,菜市北街以西3建设单位吉林省恒利房地房地产开发有限公司4设计单位沈阳华夏建筑设计有限公司5投标范围土建、采暖、给排水、照明6工程质量目标合格7开、竣工日期2012.4.1开工,2014.8.31竣工8总工期150日历天第3页共96页第2页共96页编号:时间:2021年x月x日书山有路勤为径,学海无涯苦作舟页码:第3页共96页第二节建筑设计简介表2-2序号项目建筑内容1建筑功能D5#、6#、7#均为同一施工图纸的住宅楼2建筑特点地下一层,地上17层为住宅楼;3建筑面积建筑面积(m2)7329.924建筑层数17层5建筑层高层高(m)2.9-1层:2.9,1~17层2.96建筑高度绝对标高(m)+0.000=213建筑总高(m)50.35m9外墙装修涂料第三节结构设计简介表2-3序号项目结构内容1结构形式主体结构形式剪力墙结构屋盖楼板形式整体现浇2设计等级结构安全等级二级地基基础等级乙级结构使用年限50年基本风压0.65kN/㎡基本雪压0.35kN/㎡3抗震等级工程设防烈度7度抗震设防类别丙类结构抗震等级丙类设计特征周期0.35s场地类别Ⅱ类第4页共96页第3页共96页编号:时间:2021年x月x日书山有路勤为径,学海无涯苦作舟页码:第4页共96页第三章施工部署第一节工程管理目标工程项目管理主要从质量、进度、安全、文明施工、服务等方面制定目标,加以严格控制。第二节施工总体部署一.总体部署原则1.根据工程开工时间及工程形象进度,在施工时间安排上要考虑季节对施工的影响。统筹兼顾,综合安排施工作业,同时作好季节施工的各种保障措施,保证工程质量。2.根据工程现场作业环境条件,综合考虑工程工期、质量、劳动力、周转材料、大型机械、临建设施等资源投入情况,在施工空间安排上要考虑立体交叉施工,分阶段分重点进行组织,做好分阶段验收安排,提前插入砌筑结构、粗装修、机电管线安装的施工,注重保障分包施工项目的工序穿插。3.坚持阶段性、适用性、可调整性的原则进行现场规划。科学合理布置施工临时设施、运输道路、临时用水、临时用电等,立足紧凑性和可调整性,以施工总进度计划为依据进行阶段性调整,为总承包及各专业分包提供服务场地,最大限度地减小临设占地对后期业主指定承包人施工室外道路等工程的影响,做到投入最低,收效最大,经济适用。二.施工程序根据工程特点在施工工艺上考虑分部流程按照先地下、后地上;先结构、后围护;先主体,后装修;先土建...

1、当您付费下载文档后,您只拥有了使用权限,并不意味着购买了版权,文档只能用于自身使用,不得用于其他商业用途(如 [转卖]进行直接盈利或[编辑后售卖]进行间接盈利)。
2、本站所有内容均由合作方或网友上传,本站不对文档的完整性、权威性及其观点立场正确性做任何保证或承诺!文档内容仅供研究参考,付费前请自行鉴别。
3、如文档内容存在违规,或者侵犯商业秘密、侵犯著作权等,请点击“违规举报”。

碎片内容

人力资源-2022D567楼总施工法案培训讲义

确认删除?
VIP
微信客服
  • 扫码咨询
会员Q群
  • 会员专属群点击这里加入QQ群
客服邮箱
回到顶部