电脑桌面
添加小米粒文库到电脑桌面
安装后可以在桌面快捷访问

事务员岗位说明书VIP免费

事务员岗位说明书_第1页
1/1
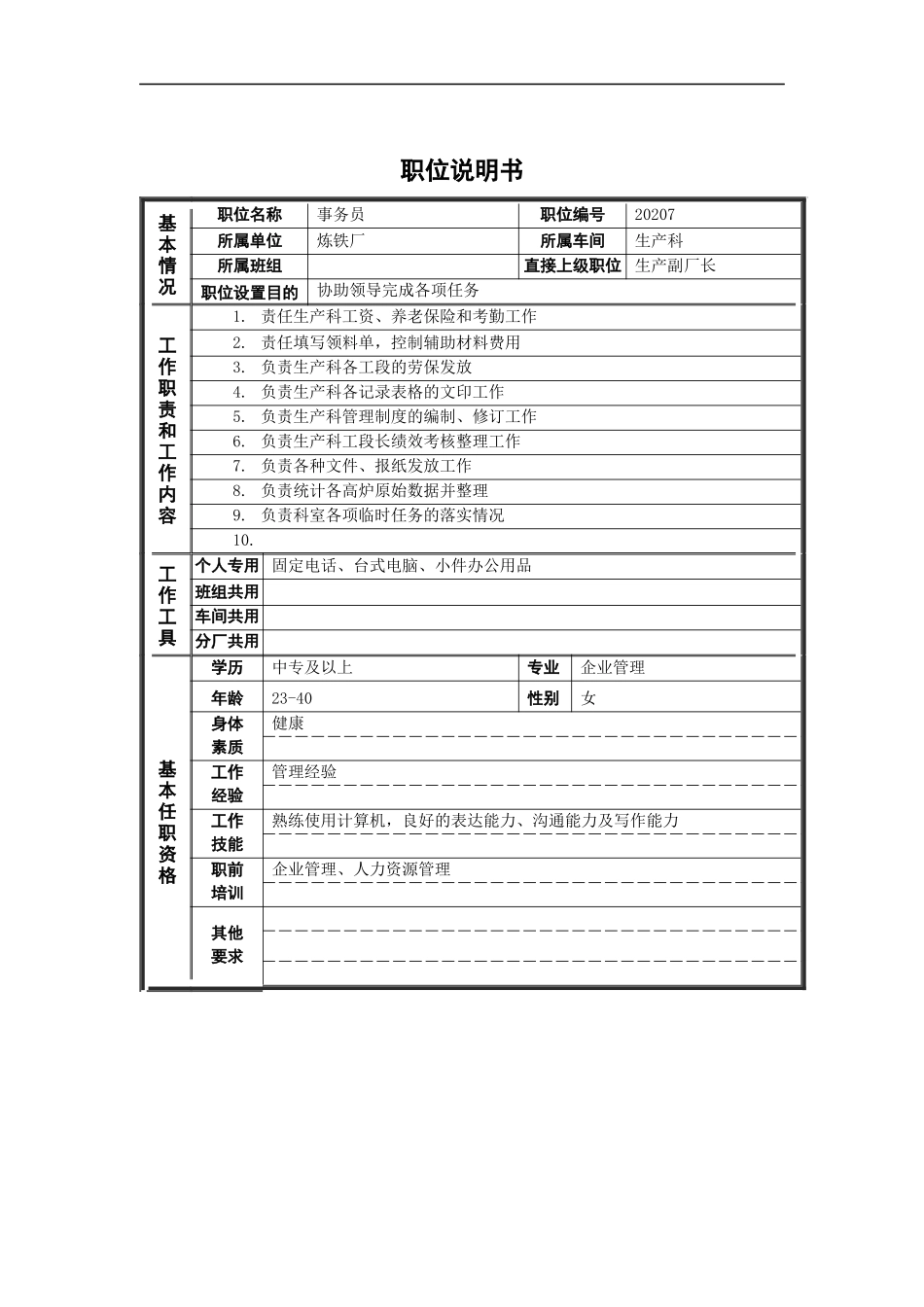
职位说明书基本情况职位名称事务员职位编号20207所属单位炼铁厂所属车间生产科所属班组直接上级职位生产副厂长职位设置目的协助领导完成各项任务工作职责和工作内容1.责任生产科工资、养老保险和考勤工作2.责任填写领料单,控制辅助材料费用3.负责生产科各工段的劳保发放4.负责生产科各记录表格的文印工作5.负责生产科管理制度的编制、修订工作6.负责生产科工段长绩效考核整理工作7.负责各种文件、报纸发放工作8.负责统计各高炉原始数据并整理9.负责科室各项临时任务的落实情况10.工作工具个人专用固定电话、台式电脑、小件办公用品班组共用车间共用分厂共用基本任职资格学历中专及以上专业企业管理年龄23-40性别女身体素质健康工作经验管理经验工作技能熟练使用计算机,良好的表达能力、沟通能力及写作能力职前培训企业管理、人力资源管理其他要求

1、当您付费下载文档后,您只拥有了使用权限,并不意味着购买了版权,文档只能用于自身使用,不得用于其他商业用途(如 [转卖]进行直接盈利或[编辑后售卖]进行间接盈利)。
2、本站所有内容均由合作方或网友上传,本站不对文档的完整性、权威性及其观点立场正确性做任何保证或承诺!文档内容仅供研究参考,付费前请自行鉴别。
3、如文档内容存在违规,或者侵犯商业秘密、侵犯著作权等,请点击“违规举报”。

碎片内容

事务员岗位说明书

中小学资料+ 关注
实名认证
内容提供者

精美课件,值得下载

确认删除?
VIP
微信客服
  • 扫码咨询
会员Q群
  • 会员专属群点击这里加入QQ群
客服邮箱
回到顶部