电脑桌面
添加小米粒文库到电脑桌面
安装后可以在桌面快捷访问

人力资源-2022FANUCCNC系统通用故障分析报告VIP专享VIP免费

人力资源-2022FANUCCNC系统通用故障分析报告_第1页
1/68
人力资源-2022FANUCCNC系统通用故障分析报告_第2页
2/68
人力资源-2022FANUCCNC系统通用故障分析报告_第3页
3/68
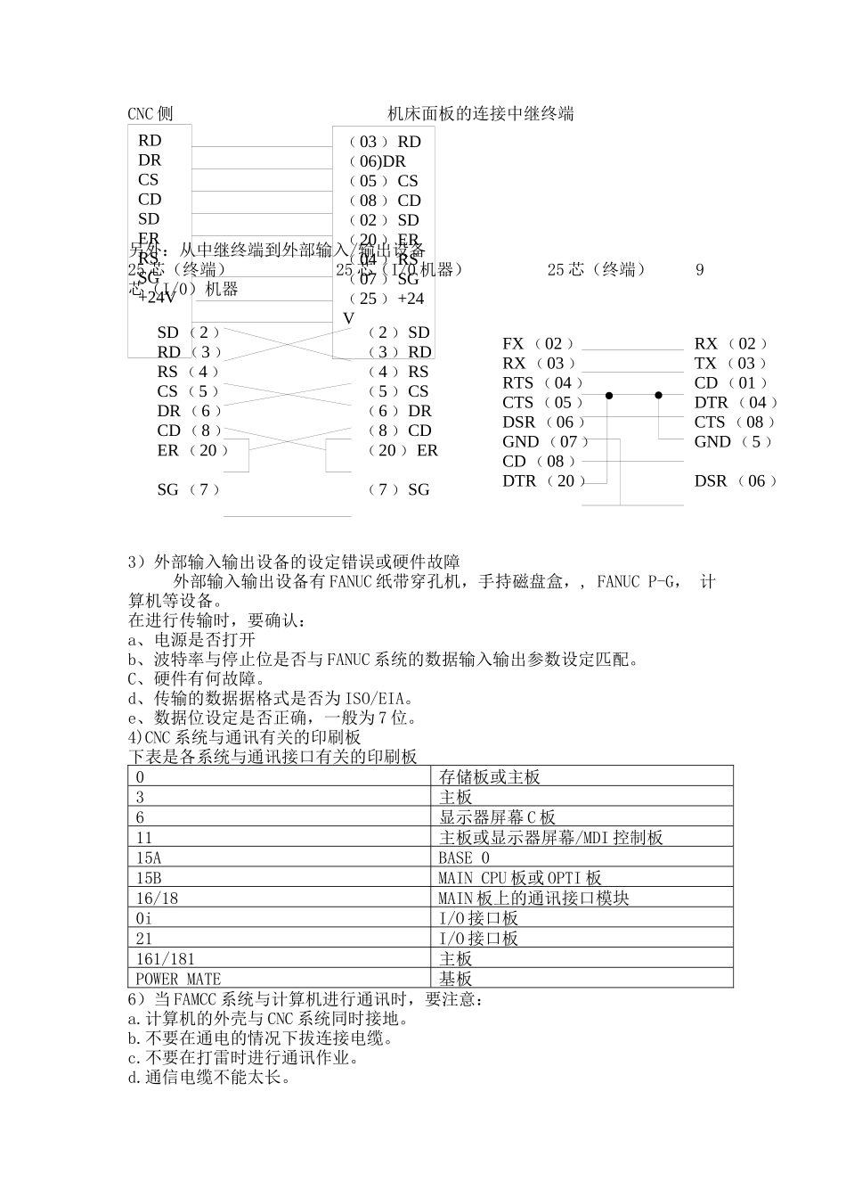
FANUCCNC系统共性故障的分析1、数据输入输出接口不能正常工作。对于FANNC系统,当数据输入输出接口不能正常,且报警时,有两个系列的报警号。①3/6/0/16/18/20/power-mate,当发生报警时,显示85~87报警。②10/11/12/15,当发生报警时,显示820~823报警当数据输出接口不能正常工作时,一般有以下几个原因:1)如果做输入出数据操作时,系统没有反应。①请检查系统工作方式对不对,请把系统工作方式置于EDIT方式且打开程序保护键,或者在输入参数时,也可以置于急停状态。②请按FANUC出厂时数据单,重新输入功能选择参数。③检查系统是否处于RESET状态。2)如果做输入输出数据操作时,系统发生了报警。①请检查系统参数下面是各系统的有关输入/输出接口的参数表机种项目设定CNC侧设定便携式3”磁盘驱动器或计算机侧的设定第1通道第2通道FANUC16/18/21/0i通道名称JD5AJD5B波特率=4800停止位=2奇偶校验位=偶校验通道=Rs232通道设置020=1020=2停止位0101=1***0**10121=1***0**1输入输出设备0102=30102=3波特率0103=100103=10FANUC10/11/12/15通道名称CD4A或JD5A(15B)CD4B或JD5B(15B)波特率=4800停止位=2奇偶校验位=偶校验通道=Rs232通道设置020=1,021=1020=2021=2输入输出设备番号5001=15001=1输入输出设备5110=75110=7停止位5111=25111=2波特率5112=105113=10控制码0000=***0*0**0000=***0*0**FANUC0A/0B/0C/0D通道号名称M5M74波特率=4800停止位=2奇偶校验位=偶校验通道=Rs232通道号I/O=0,I/O=1I/O=2停止位0002=1****0*10012=1****0*10050=1****0*1输入输出设备0038=10******0038=**10****波特率0552=100552=100250=10FANUC3通道号I/O=0波特率=4800停止位=2奇偶校验位=偶校验通道=Rs232停止位0005=1****0*1波特率0068=4800FANUC6通讯通道INPUTDEVICE=0INPUTDEVICE=1波特率=4800停止位=2奇偶校验位=偶校验通道=Rs232输入输出设备0340=30341=3停止位/波特率0312=100110010P通道名称M5M74通道设置0340=1,0341=1,018#1=10340=30341=3018#1=1停止位/波特率0311=100110010312=10011001PowermateA/B/C通道名称JD5通道设置I/O=0停止位1******1波特率0226=10电缆接线下图是FANUC系统到机床面板的连接中继终端RDDRCSCDSDERRSSG+24V(03)RD(06)DR(05)CS(08)CD(02)SD(20)ER(04)RS(07)SG(25)+24V●●SD(2)RD(3)RS(4)CS(5)DR(6)CD(8)ER(20)SG(7)(2)SD(3)RD(4)RS(5)CS(6)DR(8)CD(20)ER(7)SGFX(02)RX(03)RTS(04)CTS(05)DSR(06)GND(07)CD(08)DTR(20)RX(02)TX(03)CD(01)DTR(04)CTS(08)GND(5)DSR(06)CNC侧机床面板的连接中继终端另外:从中继终端到外部输入/输出设备25芯(终端)25芯(I/0机器)25芯(终端)9芯(I/0)机器3)外部输入输出设备的设定错误或硬件故障外部输入输出设备有FANUC纸带穿孔机,手持磁盘盒,,FANUCP-G,计算机等设备。在进行传输时,要确认:a、电源是否打开b、波特率与停止位是否与FANUC系统的数据输入输出参数设定匹配。C、硬件有何故障。d、传输的数据据格式是否为ISO/EIA。e、数据位设定是否正确,一般为7位。4)CNC系统与通讯有关的印刷板下表是各系统与通讯接口有关的印刷板0存储板或主板3主板6显示器屏幕C板11主板或显示器屏幕/MDI控制板15ABASE015BMAINCPU板或OPTI板16/18MAIN板上的通讯接口模块0iI/O接口板21I/O接口板161/181主板POWERMATE基板6)当FAMCC系统与计算机进行通讯时,要注意:a.计算机的外壳与CNC系统同时接地。b.不要在通电的情况下拔连接电缆。c.不要在打雷时进行通讯作业。d.通信电缆不能太长。开始Alarm85Alarm86有关RS232的接口的参数设置是否正确检查波特率及其它参数是否正确I/O机器不良I/O参数正确吗是I/O机器电源开吗电缆连接正确吗Ararm87I/O机器不良I/O接口不良修改参数请打开电源5)如果发生85,86,87号报警,请按以下步骤查找2、电源单元不能打开FANNC系统的电源上有两个灯,一个是电源指示灯,是绿色的;一个是电源报警灯,是红色的,这里说的电源单元,包括电源输入单元和电源控制部分。(1)当电源打不开时,如果电源指示灯(绿色)不亮。a.电源单元的...

1、当您付费下载文档后,您只拥有了使用权限,并不意味着购买了版权,文档只能用于自身使用,不得用于其他商业用途(如 [转卖]进行直接盈利或[编辑后售卖]进行间接盈利)。
2、本站所有内容均由合作方或网友上传,本站不对文档的完整性、权威性及其观点立场正确性做任何保证或承诺!文档内容仅供研究参考,付费前请自行鉴别。
3、如文档内容存在违规,或者侵犯商业秘密、侵犯著作权等,请点击“违规举报”。

碎片内容

人力资源-2022FANUCCNC系统通用故障分析报告

确认删除?
VIP
微信客服
  • 扫码咨询
会员Q群
  • 会员专属群点击这里加入QQ群
客服邮箱
回到顶部