电脑桌面
添加小米粒文库到电脑桌面
安装后可以在桌面快捷访问

仪器生产企业铣工职位说明书VIP免费

仪器生产企业铣工职位说明书_第1页
1/2
仪器生产企业铣工职位说明书_第2页
2/2
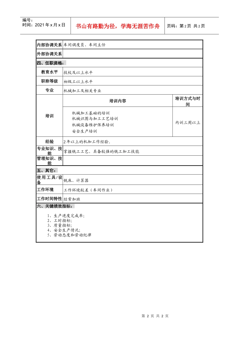
第1页共2页编号:时间:2021年x月x日书山有路勤为径,学海无涯苦作舟页码:第1页共2页铣工职位说明书岗位名称铣工所在部门机加分厂直接上级机加分厂主任直接下级岗位定员所辖人员一、职责与工作任务:职责一职责表述:做好识图工作占全部工作时间的百分比:15%工作任务理解掌握图纸尺寸及有关技术要求按图示要求准备好工、夹、量具检查机床状况,做好加工准备职责二职责表述:按照生产计划要求,保质保量完成生产任务占全部工作时间的百分比:70%工作任务按图示、工艺加工零件,首件交验合格后,做好标记经过零件加工,检查工艺是否合理有问题及时请工艺人员协商解决职责三职责表述:遵守操作规程,确保安全生产占全部工作时间的百分比:10%工作任务保持工作环境干净整洁,零件码放整齐有序做好零件加工记录,写好三检单和零件加工流转卡牢记安全生产职责,严格执行安全生产条例职责四职责表述:检查、维护、保养设备占全部工作时间的百分比:5%工作任务爱护生产设备,按照设备要求,按时对机床进行保养职责五职责表述:完成上级交办的其它任务占全部工作时间的百分比:二、职权:权限1对班组管理和车间管理的建议权权限2根据工作中存在的困难,有向上级提出改进之处及方案的建议权权限3根据工作经验向上级提出节能降耗措施的建议权三、工作协作关系:第2页共2页第1页共2页编号:时间:2021年x月x日书山有路勤为径,学海无涯苦作舟页码:第2页共2页内部协调关系车间调度员、车间主任外部协调关系四、任职资格:教育水平技校及以上水平职称等级初级工以上水平专业机械加工及相关专业培训培训内容培训方式与时间机械加工基础的培训机械识图与加工工艺培训机械设备维护保养培训安全生产培训内训三周以上经验2年以上的机加工作经验。专业知识、技能掌握铣工工艺,具备较强的铣工加工技能管理知识、技能五、其它:使用工具/设备铣床、计算器工作环境工作环境较差(车间作业)工作时间特性经常加班六、关键绩效指标:1、生产进度完成率;2、工时指标;3、质量指标;4、安全生产情况;5、劳动态度和劳动纪律

1、当您付费下载文档后,您只拥有了使用权限,并不意味着购买了版权,文档只能用于自身使用,不得用于其他商业用途(如 [转卖]进行直接盈利或[编辑后售卖]进行间接盈利)。
2、本站所有内容均由合作方或网友上传,本站不对文档的完整性、权威性及其观点立场正确性做任何保证或承诺!文档内容仅供研究参考,付费前请自行鉴别。
3、如文档内容存在违规,或者侵犯商业秘密、侵犯著作权等,请点击“违规举报”。

碎片内容

仪器生产企业铣工职位说明书

您可能关注的文档

中小学资料+ 关注
实名认证
内容提供者

精美课件,值得下载

确认删除?
VIP
微信客服
  • 扫码咨询
会员Q群
  • 会员专属群点击这里加入QQ群
客服邮箱
回到顶部