电脑桌面
添加小米粒文库到电脑桌面
安装后可以在桌面快捷访问

人力资源-2022NCTD-IV用户培训手册VIP专享VIP免费

人力资源-2022NCTD-IV用户培训手册_第1页
1/43
人力资源-2022NCTD-IV用户培训手册_第2页
2/43
人力资源-2022NCTD-IV用户培训手册_第3页
3/43
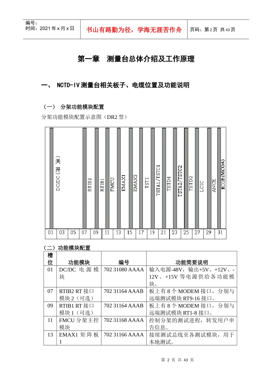
NCTD-IV测量台用户培训教材目录第一章测量台总体介绍及工作原理........................................................................1一、NCTD-IV测量台相关板子、电缆位置及功能说明....................................1二、RT结构说明.................................................................................................7三、NCTD与交换机接口原理..............................................................................12第二章测量台测试结果分析....................................................................................16一、NCTD测试方法及结果分析..........................................................................16二、ISDN测试基本概念......................................................................................23第三章测量台维护以及常见问题处理....................................................................27一、NCTD系列测量台计算机常见故障及处理................................................27二、NCTD-IV型测量台的维护方法(测量员部分).............................................30三、NCTD-IV型测量台的维护方法(程控机房部分).......................................33第1页共43页编号:时间:2021年x月x日书山有路勤为径,学海无涯苦作舟页码:第1页共43页第2页共43页第1页共43页编号:时间:2021年x月x日书山有路勤为径,学海无涯苦作舟页码:第2页共43页第一章测量台总体介绍及工作原理一、NCTD-IV测量台相关板子、电缆位置及功能说明(一)分架功能模块配置分架功能模块配置示意图(DR2型)(二)功能模块配置槽位功能模块编号功能简要说明01DC/DC电源模块70231080AAAA输入电源-48V,输出+5V、+12V、-12V、+15V等电源供给各功能模块。07RTIB2RT接口模块2(可选)70231164AAAB板上有8个MODEM接口,分别与远端测试模块RT9-16接口。09RTIB1RT接口模块1(可选)70231164AAAB板上有8个MODEM接口,分别与远端测试模块RT1-8接口。11FMCU分架主控模块70231168AAAA控制分架的测试进程,转发用户申告信息。13EMAX1矩阵板170231166AAAA接续测试总线至各测试模块,用于本地测试。第3页共43页第2页共43页编号:时间:2021年x月x日书山有路勤为径,学海无涯苦作舟页码:第3页共43页15EMAX2矩阵板2(可选)70231166AAAA接续测试总线至各测试模块,用于中心测试。槽位功能模块编号功能简要说明17TSTIISDN测试板(可选)70231162AAAB完成对ISDN用户线的测试。19TSTC1定性测试模块170230096AAA完成交互测试功能,用于本地测试。21TSTD1定量测试模块170231160AAAA完成用户线的12项参数指标的测试,用于本地测试。23TSTC2定性测试模块2(可选)70230096AAAB完成交互测试功能,用于中心测试。25TSTD2定量测试模块2(可选)70231160AAAA完成用户线的12项参数指标的测试,用于中心测试。27LCIC自动受理模块70231068AAAC自动语音辅导受理用户申告,接受检修员遥控测试。29ANCE语音控制模块70231060AAAA31MCOM/MCOA多串口模块(可选)SXT23221AAAA用于有BDE、RT-S、RT-E或多个交换机通讯口的情况。注:TSTC板为TSTA板的升级版本。(三)有关电缆所插位置的说明123插槽可插电路板侧板水平铝道插槽号第4页共43页第3页共43页编号:时间:2021年x月x日书山有路勤为径,学海无涯苦作舟页码:第4页共43页单格分架(前视)CBA01ABC32元件侧01ABC32ContactBB160132AB0132第5页共43页第4页共43页编号:时间:2021年x月x日书山有路勤为径,学海无涯苦作舟页码:第5页共43页例如:分架07BA13的含义1我们总是把电缆插头里左边第一列第一个插孔(面对插头的插孔看)的位置,定义为整个电缆插头的插入位置,上例中,电缆插头位置是“分架07BA13”,“分架”表示是测量台用的后板,“07”表示后板上与07插槽对应的位置,“B”指CONNECTORB,即下半槽,“A”指右边第一列(从分架后面看)插针,“13”表示从上往下数第13根插针,这样“07BA13”指明了这根电缆插头的具体位置(实际上是其中一个...

1、当您付费下载文档后,您只拥有了使用权限,并不意味着购买了版权,文档只能用于自身使用,不得用于其他商业用途(如 [转卖]进行直接盈利或[编辑后售卖]进行间接盈利)。
2、本站所有内容均由合作方或网友上传,本站不对文档的完整性、权威性及其观点立场正确性做任何保证或承诺!文档内容仅供研究参考,付费前请自行鉴别。
3、如文档内容存在违规,或者侵犯商业秘密、侵犯著作权等,请点击“违规举报”。

碎片内容

人力资源-2022NCTD-IV用户培训手册

确认删除?
VIP
微信客服
  • 扫码咨询
会员Q群
  • 会员专属群点击这里加入QQ群
客服邮箱
回到顶部