电脑桌面
添加小米粒文库到电脑桌面
安装后可以在桌面快捷访问

岗位人员矩阵图VIP免费

岗位人员矩阵图_第1页
1/9
岗位人员矩阵图_第2页
2/9
岗位人员矩阵图_第3页
3/9
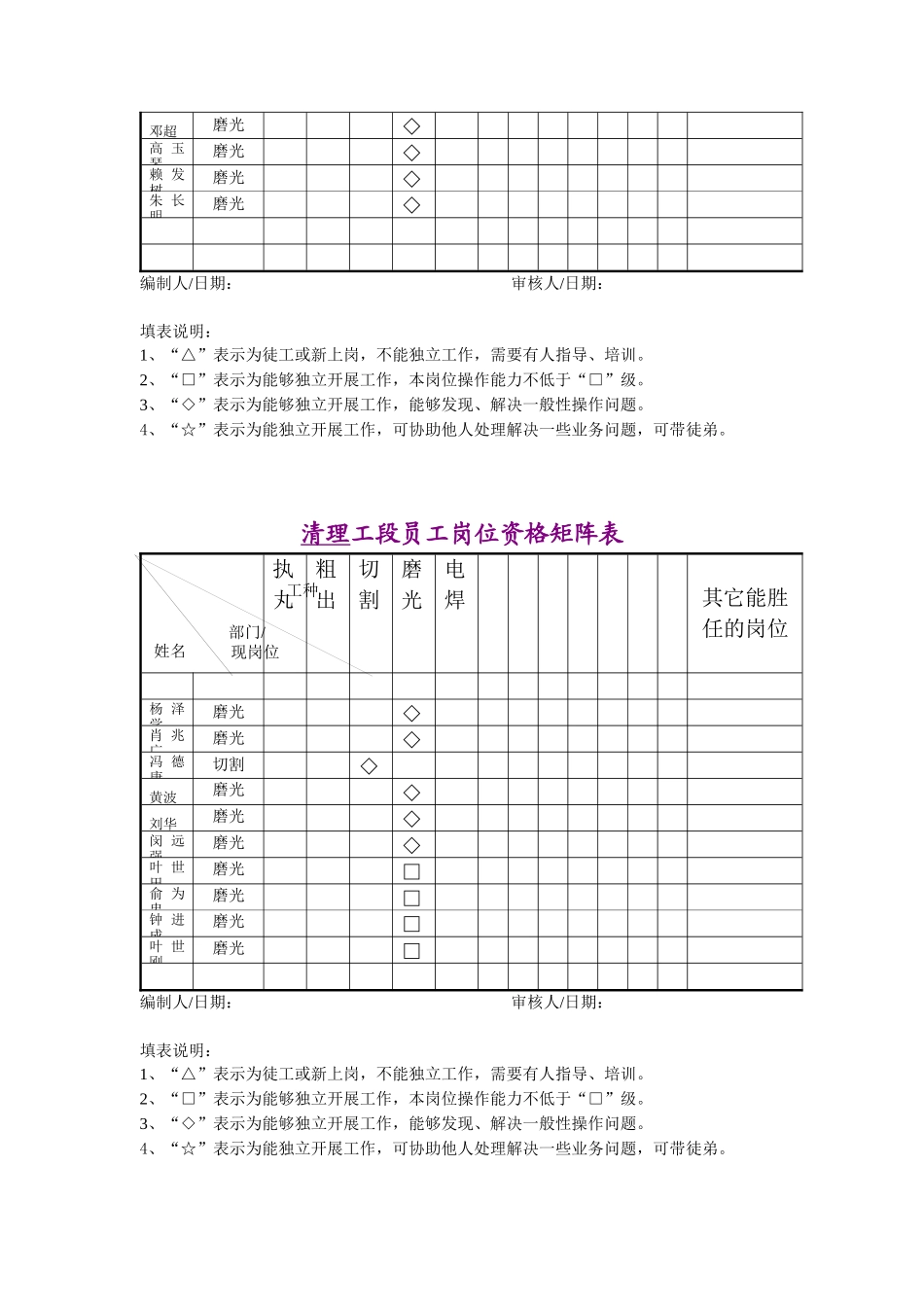
清理班工段员工岗位资格矩阵表抛丸粗出切割磨光电焊其它能胜任的岗位顾志国班长☆☆肖兆宽副班长☆☆徐高华抛丸◇陈来付磨光◇☆许必龙磨光◇孙秀才电焊☆☆周玉银磨光◇陈来文抛丸◇张孝兵磨光◇钟建磨光◇张孝全切割◇编制人/日期:审核人/日期:填表说明:1、“△”表示为徒工或新上岗,不能独立工作,需要有人指导、培训。2、“□”表示为能够独立开展工作,本岗位操作能力不低于“□”级。3、“◇”表示为能够独立开展工作,能够发现、解决一般性操作问题。4、“☆”表示为能独立开展工作,可协助他人处理解决一些业务问题,可带徒弟。清理工段员工岗位资格矩阵表执丸粗出切割磨光电焊其它能胜任的岗位潘存刚粗出◇邓春林粗出◇汪晓旭磨光◇张孝书粗出◇△邓春祥粗出部门/现岗位工种姓名部门/现岗位工种姓名邓超磨光◇高玉琴磨光◇赖发树磨光◇朱长明磨光◇编制人/日期:审核人/日期:填表说明:1、“△”表示为徒工或新上岗,不能独立工作,需要有人指导、培训。2、“□”表示为能够独立开展工作,本岗位操作能力不低于“□”级。3、“◇”表示为能够独立开展工作,能够发现、解决一般性操作问题。4、“☆”表示为能独立开展工作,可协助他人处理解决一些业务问题,可带徒弟。清理工段员工岗位资格矩阵表执丸粗出切割磨光电焊其它能胜任的岗位杨泽学磨光◇肖兆广磨光◇冯德康切割◇黄波磨光◇刘华磨光◇闵远强磨光◇叶世田磨光□俞为忠磨光□钟进成磨光□叶世刚磨光□编制人/日期:审核人/日期:填表说明:1、“△”表示为徒工或新上岗,不能独立工作,需要有人指导、培训。2、“□”表示为能够独立开展工作,本岗位操作能力不低于“□”级。3、“◇”表示为能够独立开展工作,能够发现、解决一般性操作问题。4、“☆”表示为能独立开展工作,可协助他人处理解决一些业务问题,可带徒弟。部门/现岗位工种姓名生产准备工段员工岗位资格矩阵表型砂控制冷铁处理造型工装模具管理砂箱准备其它能胜任的岗位周良班长□☆☆◇☆刘杰型砂控制◇孙玉型砂控制◇杨玉型砂控制◇王绍工装准备◇◇方向冷铁准备◇◇曾世冷铁准备◇◇王思工装准备△△吴昊砂箱准备△孙权现场卫生俞俊模具准备◇编制人/日期:审核人/日期:填表说明:1、“△”表示为徒工或新上岗,不能独立工作,需要有人指导、培训。2、“□”表示为能够独立开展工作,本岗位操作能力不低于“□”级。3、“◇”表示为能够独立开展工作,能够发现、解决一般性操作问题。4、“☆”表示为能独立开展工作,可协助他人处理解决一些业务问题,可带徒弟。生产准备工段员工岗位资格矩阵表型砂控制冷铁处理造型工装模具管理砂箱准备其它能胜任的岗位黄生才模具准备◇李柱模具准备◇部门/现岗位工种姓名部门/现岗位工种姓名编制人/日期:审核人/日期:填表说明:1、“△”表示为徒工或新上岗,不能独立工作,需要有人指导、培训。2、“□”表示为能够独立开展工作,本岗位操作能力不低于“□”级。3、“◇”表示为能够独立开展工作,能够发现、解决一般性操作问题。4、“☆”表示为能独立开展工作,可协助他人处理解决一些业务问题,可带徒弟。熔炼工段员工岗位资格矩阵表修包修炉加料行车炉前电炉浇注开箱光谱其它能胜任的岗位徐伟熔炼班长◇☆☆☆莫坤冲天炉班☆☆江运冲天炉☆☆姚传电炉◇柳书冲天炉☆叶金冲天炉杨平冲天炉☆朱明冲天炉☆朱伟冲天炉◇朱仁电炉领班☆☆许飞浇注班长☆☆编制人/日期:审核人/日期:填表说明:1、“△”表示为徒工或新上岗,不能独立工作,需要有人指导、培训。2、“□”表示为能够独立开展工作,本岗位操作能力不低于“□”级。部门/现岗位工种姓名3、“◇”表示为能够独立开展工作,能够发现、解决一般性操作问题。4、“☆”表示为能独立开展工作,可协助他人处理解决一些业务问题,可带徒弟。熔炼工段员工岗位资格矩阵表修包修炉加料行车炉前电炉浇注开箱光谱其它能胜任的岗位卢波浇注☆□杨士浇注◇鲍家电炉◇□顾正冲天炉☆王国冲天炉☆史海冲天炉△胡晓电炉☆陈义开箱☆吴新开箱☆谢永电炉☆陶宏开箱☆编制人/日期:审核人/日期:填表说明:1、“△”表示为徒工或新上岗,不能独立工作,需要有...

1、当您付费下载文档后,您只拥有了使用权限,并不意味着购买了版权,文档只能用于自身使用,不得用于其他商业用途(如 [转卖]进行直接盈利或[编辑后售卖]进行间接盈利)。
2、本站所有内容均由合作方或网友上传,本站不对文档的完整性、权威性及其观点立场正确性做任何保证或承诺!文档内容仅供研究参考,付费前请自行鉴别。
3、如文档内容存在违规,或者侵犯商业秘密、侵犯著作权等,请点击“违规举报”。

碎片内容

岗位人员矩阵图

您可能关注的文档

确认删除?
VIP
微信客服
  • 扫码咨询
会员Q群
  • 会员专属群点击这里加入QQ群
客服邮箱
回到顶部