电脑桌面
添加小米粒文库到电脑桌面
安装后可以在桌面快捷访问

人力资源-20229考勤管理规定(09-B)VIP免费

人力资源-20229考勤管理规定(09-B)_第1页
1/10
人力资源-20229考勤管理规定(09-B)_第2页
2/10
人力资源-20229考勤管理规定(09-B)_第3页
3/10
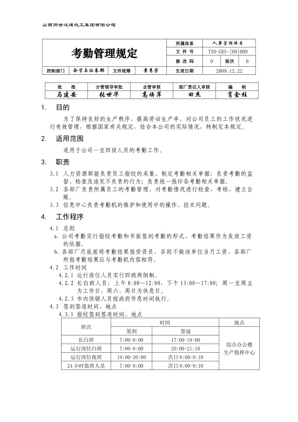
山西同世达煤化工集团有限公司考勤管理规定所属体系人事管理体系文件号TSD-GRS-[09]009修改码0版次B控制部门企管与证券部文件统筹景慧芳生效日期2009.12.22批准分管领导审批企管审核部厂责任人审核编制马建安张世华高焕萍田杰肖金柱1.目的为了保持良好的生产秩序,提高劳动生产率,对公司员工的工作状况进行有效管理,根据国家有关规定,结合本公司的实际情况,特制定本规定。2.适用范围适用于公司一至四岗人员的考勤工作。3.职责3.1人力资源职能负责员工指纹的采集、制定考勤相关单据;负责考勤的监督、检查及追究不负责的行为;负责统一报印各考勤相关单据。3.2各部厂负责所属员工的考勤管理,对考勤情况进行检查、考核、建立台账。3.3信息中心负责考勤机的维护和使用中的操作、技术问题。4.工作程序4.1总则a.公司考勤实行指纹考勤和书面签到考勤的形式,考勤结果作为发放工资的依据。b.各部厂月底前将考勤结果报劳资员,否则不做该单位当月工资,各部厂所报考勤结果应与考勤机内容相符。4.2工作时间4.2.1运行岗位人员实行四班两倒制。4.2.2长白班人员:上午8:00—12:00,下午13:00—17:00;周一至周五为工作日,周六、周日为休息日。4.2.3市内供销人员按政府作息时间执行。4.3签到签退时间、地点4.3.1指纹签到签退时间、地点班次时间地点签到签退综合办公楼生产指挥中心长白班7:00-8:0017:00-19:00运行岗位白班7:00-8:0020:00-21:10运行岗位夜班19:00-20:00次日8:00-9:1024小时值班人员7:00-8:00次日8:00-9:10山西同世达煤化工集团有限公司4.3.2书面签到考勤因工作特点不能实行指纹考勤的岗位实行书面签到考勤,特殊情况经分管领导批准后执行。岗位签到地点签到时间供销部市内办公人员在市内办公室上班时间前1个小时站台站台办公室保卫指定办公室注:相关部门办事员每月底前,将各部考勤结果交劳资汇总。4.4考勤管理4.4.1各部厂管理人员通过考勤管理系统检查考勤情况。4.4.2员工须在规定时间内用指纹或密码+照像签到签退,密码签到签退人员不得委托或代理他人签到签退,非本人全部头像或辨别不出本人者视为没签到。4.4.3迟到:规定的签到时间后30分钟之内签到者视为迟到。4.4.4早退:规定的签退时间未到就签退者视为早退。4.4.5旷工:规定的签到时间30分钟之后签到者;一天内无故只上班签到或只下班签退者;视为旷工半日。上下班均未签到签退者视为旷工1日。4.4.6迟到或早退月累计3次视为旷工1日。4.4.7如因公司通勤车造成的员工迟到时,由事务职能在联达信息中心公布,车到后20分钟之内为签到时间,20分钟后签到的按迟到处理。4.4.8员工因故不能签到或签退时,由主管认可后当日交部(厂)综合办事员处备查。4.5加班要求员工充分利用工作时间,提高工作效率,严格控制加班加点,如需要加班的,执行以下条款:4.5.1节假日加班a.节假日值班:生产操作岗位正常运行,按考勤计加班工资。其它岗位根据要求必须值班的,各部厂责任人审核,由分管领导批准报事务职能汇总后,一式两份,一份交值班领导组织相关人员进行检查值班情况,另一份报人力资源备案,值班人员与值班表要相符。b.节假日期间必须加班的,按程序填写《加班审批单》办理加班手续,经分管领导批准。c.属于全体人员的法定节假日共11天,其中:春节和国庆节各3天,元旦、清明节、劳动节、端午节、中秋节各1天,如逢休息日应在工作日补假。d.节假日加班的支付日工资300%的工资报酬,不安排补休。同节假日相连续的休息日加班,按200%支付加班工资。e.节假日加班工资=基本工资÷21.75×300%×加班天数;同节假日相连续的休息日加班工资=基本工资÷21.75×200%×加班天数f.基本工资=岗位工资+技能工资g.妇女节属于部分人员的节假日,公司根据情况可组织相关活动。4.5.2休息日加班考勤管理规定共4页第2页山西同世达煤化工集团有限公司a.双休日需要安排值班的部门,每月25日前确定下个月的值班情况,填写《双休日值班表》,经部厂负责人批准后,于25日前报劳资备案,双休日值班正常考勤。b.补休:双休日安排员工加班或值班、工作日安排员工延长工作时间加班的,安排员工补休,填写《补休卡》并将相应《加班审批单》第二联附后。...

1、当您付费下载文档后,您只拥有了使用权限,并不意味着购买了版权,文档只能用于自身使用,不得用于其他商业用途(如 [转卖]进行直接盈利或[编辑后售卖]进行间接盈利)。
2、本站所有内容均由合作方或网友上传,本站不对文档的完整性、权威性及其观点立场正确性做任何保证或承诺!文档内容仅供研究参考,付费前请自行鉴别。
3、如文档内容存在违规,或者侵犯商业秘密、侵犯著作权等,请点击“违规举报”。

碎片内容

人力资源-20229考勤管理规定(09-B)

您可能关注的文档

确认删除?
VIP
微信客服
  • 扫码咨询
会员Q群
  • 会员专属群点击这里加入QQ群
客服邮箱
回到顶部